I/O Library IP for TSMC

Welcome to the ultimate I/O Library IP for TSMC hub! Explore our vast directory of I/O Library IP for TSMC
All offers in I/O Library IP for TSMC
Filter
Filter

Login required.

Sign in

Login required.

Sign in

Compare 24 I/O Library IP for TSMC from 10 vendors (1 - 10)
Filter:
  • 28nm
  • 1.2V Thin Oxide GPIO on TSMC 28nm RF HPC+
    • The 1.2V Thin Gate GPIO is an IP macro for on-chip integration. It is a 1.2V general purpose I/O that does not rely on thick-gate devices. Only thin-gate, 0.9V capable core MOS devices are used in the design.
    • Supported features include core isolation, programmable slew rate compensation, programmable drive strength, input/output enable, pull select and pull enable. Extra features such as programmable hysteresis can be supported upon request.
    Block Diagram -- 1.2V Thin Oxide GPIO on TSMC 28nm RF HPC+
  • 3.3V Capable GPIO on TSMC 28nm RF HPC+
    • The 3.3V capable GPIO is an IP macro for on-chip integration. It is a 3.3V general purpose I/O built with a stack of 1.8V thick oxide MOS devices. It is controlled by 0.9V (core) signals.
    • Supported features include core isolation, output enable and pull enable. Extra features such as input enable/disable, programmable drive strength and pull select, can be supported upon request.
    Block Diagram -- 3.3V Capable GPIO on TSMC 28nm RF HPC+
  • 1.8V Capable GPIO on Samsung Foundry 4nm FinFET
    • The 1.8V capable GPIO is an IP macro for on-chip integration. It is a 1.8V general purpose I/O built with a stack of 1.2V MOS FINFET devices. It is controlled by 0.75V (core) signals.
    • Supported features include core isolation, output enable and pull enable. Extra features such as input enable/disable, programmable drive strength and pull select, can be supported upon request.
    Block Diagram -- 1.8V Capable GPIO on Samsung Foundry 4nm FinFET
  • LVDS Transceiver in TSMC 28nm
    • This 1.8V LVDS transceiver, designed for TSMCs 28nm process, delivers high-speed, low-power differential signaling with superior signal integrity.
    • Engineered with 1.8V thick oxide devices and a 0.8V standard core interface, it operates ef- ficiently across a wide temperature range (-40°C to 125°C).
    Block Diagram -- LVDS Transceiver in TSMC 28nm
  • 1.8V/3.3V Multi-Voltage GPIO in TSMC 28nm
    • This silicon-proven TSMC 28nm Digital I/O Library delivers a high-performance, low-power interface solution designed for advanced digital applications.
    • Featuring a triple-staggered architecture, this versatile library supports multi-voltage and multi-protocol GPIO, ensuring seamless integration across diverse system requirements.
    Block Diagram -- 1.8V/3.3V Multi-Voltage GPIO in TSMC 28nm
  • 1.8V/3.3V Switchable GPIO in TSMC 28nm
    • A TSMC 28nm Wirebond I/O Library with a switchable 1.8V/3.3V GPIO, with Specialized RF Wirebond Cells for LNAs.
    • A key attribute of this silicon-proven, inline library is to detect and adjust to a VDDIO supply of 1.8V or 3.3V during system operation.
    • The GPIO can be configured as input, output, open-source, or open-drain with an optional 60kohm pull-up or pull-down resistor.
    Block Diagram -- 1.8V/3.3V Switchable GPIO in TSMC 28nm
  • ESD Solutions for Multi-Gigabit SerDes in TSMC 28nm
    • A Wirebond and FlipChip compatible <80fF ESD Solutions for Multi-Gigabit SerDes Applications.
    • This silicon-proven TSMC 28nm Digital I/O Library delivers a low-capacitance, high-reliability interface solution optimized for advanced semiconductor applications.
    • Featuring low-capacitance LVDS differential pairs (<250fF per pin) at 0.8V, this library ensures superior signal integrity for high-speed applications.
    Block Diagram -- ESD Solutions for Multi-Gigabit SerDes in TSMC 28nm
  • High-Speed 3.3V I/O library with 8kV ESD Protection in TSPCo 65nm
    • A 3.3V wirebond I/O library with 8kV HBM ESD protection, a 1.2Gbps LVDS, GPIO, and I2C compliant ODIO in an ultra-small footprint.
    • This library ensures robust reliability in challenging environments, with capabilities including 8kV HBM, 500V CDM, and a robust 2kV IEC 61000-4-2 system stress capability.
    • Its compact footprint makes it ideal for applications where size is critical.
    Block Diagram -- High-Speed 3.3V I/O library with 8kV ESD Protection in TSPCo 65nm
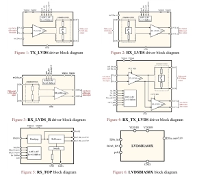
  • 1.25 Gbps LVDS IPs library
    • TSMC 28nm CMOS
    • TIA/EIA-644 LVDS standards without hysteresis
    • Data transfer rate: 1250Mbps
    • 1.8V IO voltage supply
    Block Diagram -- 1.25 Gbps LVDS IPs library
  • IO & ESD solutions supporting GPIO, I2C,RGMII, SD, LVDS, HDMI & analog/RF across multiple technology nodes
    • Certus offers dedicated 1.8V, 3.3V and switchable 1.8V/3.3V General-Purpose IO (GPIO) solutions.
    • GPIO features include:
    • I2C / SMBUS Open-Drain I/O features include:
    • LVDS I/O features include:
    Block Diagram -- IO & ESD solutions supporting GPIO, I2C,RGMII, SD, LVDS, HDMI & analog/RF across multiple technology nodes
×
Semiconductor IP