Dolphin Integration announces groundbreaking regulators for multi-mode optimization of consumption
Grenoble, France – January 20, 2014 -- Dolphin Integration, leader in embedded power management IP, today announced the Retention Alternating Regulator (RAR) as a fully integrated, secure and power-efficient solution for supplying loads requiring multi-mode optimization, with a low Bill-of-Material.
Applications running up to years on battery require, on the one hand, high efficiency in normal mode due to large power dissipation of operating functions in a short time period. On the other hand, very low stand-by power consumption is mandatory when supplying the always-on functions during long time periods.
Elsa Bernard-Moulin rejoices that “after the successful launch of Dolphin Integration’s RCSL (Reduced Cell Stem Libraries) versus CCSL (Complex Cell Set Libraries), the Retention Alternating Regulator (RAR) launches the era of standard RPKL (Reduced Power Kit Libraries) putting an end to the complexity of still prevalent CPKL (Custom Power Kit Libraries)”.
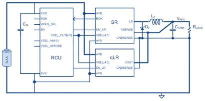
RAR constituents
RAR embeds two or more regulation sub-components, to supply the same load in each mode, and their transitions are optimized by a Regulator Control Unit (RCU).
For multi-mode optimization of power, the recommended regulation kit is:
- A Switching Regulator for best power transfer efficiency from source to loads in normal mode
- An Ultra low quiescent regulator to reach the lowest leakage in sleep mode
- A Regulator Control Unit (RCU) to manage start-up and to ensure safe transitions between regulator modes.

Performance benchmarking
The comparison is performed for two loads: one with some logic always-on and the other with the whole logic and RF with two modes. Their typical power consumption is 50 mA for normal mode and 10 µA for sleep mode.

| Solution # 1 | Solution #2 | Solution #3 | Solution #4 | |
| Bill-Of-Material | 1C, 1L 1D (optional) | 1C | 2C, 1L 1D (optional) | 1C, 1L 1D (optional) |
| Pins | 5 | 3 | 8 | 5 |
The RAR features the power efficiency of traditional Switching Regulators in normal mode, but features ultra-low power consumption with just quiescent current in sleep mode. It presents the extra advantage of minimizing the BoM cost.
Secured Integration
The crucial verifications for embedding regulators are concerned with system startup and mode changes, when data integrity must be maintained, namely: start up sequence, signal validity, voltage change sequence, forbidden sequence and mode change delay. The Regulator Control Unit, sub-component of the RAR, relieves the SoC Integrator of these verifications!
For more information about this offering, have a look at the presentation sheet.
Please write to us at marketing.symphonie@dolphin.fr if you want more information on our portfolio for power management, roadmap and key features.
Dolphin Integration’s expert in Regulator design, Marcel Lapointe, will attend the DesignCon Conference 2014 in Santa Clara, CA to share insights on “Power Management Network Design Methodology, and Verification”.
About Dolphin Integration
Dolphin Integration contribute to "enabling mixed signal Systems-on-Chip". Their focus is to supply worldwide customers with fault-free, high-yield and reliable kits of CMOS Virtual Components of Silicon IP, based on innovative libraries of standard cells, flexible registers and low-power memories. They provide high-resolution converters for audio and measurement, regulators for efficient power supply networks, application optimized micro-controllers.
They put emphasis on resilience to noise and drastic reductions of power-consumption at system level, thanks to their own EDA solutions missing on the market for Application Hardware Modeling as well as early Power and Noise assessment. Such diverse experience in ASIC/SoC design and fabrication, plus privileged foundry portal even for small or medium volumes, makes them a genuine one-stop shop covering all customers’ needs for specific requests.
Related Semiconductor IP
- Retention Alternating Regulator - High temperature (Grade 1, Tj=150°)
- Retention Alternating Regulator - High temperature (Grade 1, Tj=150°)
Related News
- CISSOID releases its High-temperature LDO Voltage Regulator Family (CHT-LDO)
- LTRIM's LTR1010 Low Dropout Voltage Regulator Lowers Power Consumption, Increases Battery Life of Portable Devices
- LTRIM LTR1761 LDO Voltage Regulator IP Available for IBM 0.13um Process Technology
- LTRIM Unveils The LTR1803 LDO - A Programmable Output Voltage Regulator
Latest News
- Mixel MIPI IP Integrated into Automotive Radar Processors Supporting Safety-critical Applications
- GlobalFoundries and Navitas Semiconductor Partner to Accelerate U.S. GaN Technology and Manufacturing for AI Datacenters and Critical Power Applications
- VLSI EXPERT selects Innatera Spiking Neural Processors to build industry-led neuromorphic talent pool
- SkyWater Technology and Silicon Quantum Computing Team to Advance Hybrid Quantum-Classical Computing
- Dnotitia Revolutionizes AI Storage at SC25: New VDPU Accelerator Delivers Up to 9x Performance Boost