Vendor: NTLab Category: ADC

12-bit ultra-low power single-ended SAR ADC

040TSMC_ADC_01 is 12-bit analog to digital converter (ADC) with single-ended input of sample rates up to 1MSPS.

TSMC 40nm G Silicon Proven View all specifications

Overview

040TSMC_ADC_01 is 12-bit analog to digital converter (ADC) with single-ended input of sample rates up to 1MSPS. The ADC supports a wide range of input clock frequency from 32kHz to 20MHz. The ADC operates with a 1.62V – 3.63V reference and includes a 12-bit successive approximation register (SAR) with inherent sample-and-hold.

Key features

  • Sample rate from 100kSPS to 1MSPS
  • Ultra-low power
  • Wide operating range: AVDD 1.62V to 3.63V, DVDD 0.81V to 0.99V
  • TSMC CMOS 40 nm technology

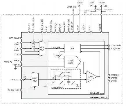
Block Diagram

Applications

  • Analog to digital signal conversion
  • Receivers, transceivers
  • Measurement environment

What’s Included?

  • Schematic or NetList
  • Abstract model (.lef and .lib files)
  • Layout view (optional)
  • Extracted view (optional)
  • GDSII
  • DRC, LVS, antenna report
  • Test bench with saved configurations (optional)
  • Documentation

Files

Note: some files may require an NDA depending on provider policy.

Silicon Options

Foundry Node Process Maturity
TSMC 40nm G Silicon Proven

Specifications

Identity

Part Number
040TSMC_ADC_01
Vendor
NTLab

Provider

NTLab
HQ: Lithuania
NTLab is a vertically integrated microelectronics design center. It has 70+ experienced and qualified engineers. NTLab specializes in the designing of mixed-signal and RF ICs and Systems-on-Chip. It has a wide range of own silicon-verified IP blocks: processor cores, interfaces, analog and high-frequency PHYs, etc., thus allowing customized design to be fast and predictable. In-company unique combination of competences in digital, analog and RF circuits and embedded software enables NTLab to participate in the projects that require deep research and utilize most sophisticated and advanced techniques: multi-system GPS/GLONASS/Galileo/BeiDou/NavIC(IRNSS)/QZSS/SBAS navigation, RF ID, wireless communications, etc. All designed ICs are provided with test and development tools, as well as with reference software. NTLab offers a wide range of silicon proven analog/mixed-signal IPs in 0.35µm, 0.25 µm, 0.18 µm, 0.13 µm, 0.09 µm, 65nm, 55nm, 40nm, 28nm, 22 nm CMOS and SiGe BiCMOS processes. These IPs are suitable for devices targeted both consumer and industrial markets. Most of these IPs have been proven in silicon on the foundries: Samsung, UMC, GlobalFoundries, SMIC, VIS, Tower, X-FAB, iHP, AMS, SilTerra, STMicroelectronics, Winfoundry.

Learn more about ADC IP core

Uncertainty-Guided Live Measurement Sequencing for Fast SAR ADC Linearity Testing

This paper introduces a novel closed-loop testing methodology for efficient linearity testing of high-resolution Successive Approximation Register (SAR) Analog-to-Digital Converters (ADCs). Existing test strategies, including histogram-based approaches, sine wave testing, and model-driven reconstruction, often rely on dense data acquisition followed by offline post-processing, which increases overall test time and complexity.

Three ways of looking at a sigma-delta ADC device

The growing availability of digital ICs like microcontrollers, microprocessors, and field-programmable gate arrays (FPGAs) allows developers to use complex digital processing techniques rather than analog signal conditioning. For this reason, analog-to-digital converters (ADCs) have become a widely-used component in mixed-signal circuits.

Specifying a PLL Part 1: Calculating PLL Clock Spur Requirements from ADC or DAC SFDR

In high end RF systems, such as 5G radios, the requirements are so stringent that the source of this strongest unwanted tone can be the PLL. This article outlines how spurs in the input clock to the ADC or DAC may limit the SFDR. This in turn will set the requirements for the spurs for the input clock (from a PLL), in order to achieve a specific SFDR.

Save power in IoT SoCs by leveraging ADC characteristics

Power-sensitive applications such as Internet-of-Things (IoT) require a comprehensive power savings strategy within the system-on-chip (SoC). Techniques relying solely on the use of traditional power down modes and low supply voltage may not be enough to achieve the required power targets. The analog block is often assumed to be too sensitive and not compatible with aggressive power management techniques.

High Speed ADC Data Transfer

When continuously running a high speed ADC, it can be a challenge to deal with the firehose of raw data available at the output. To use City Semiconductor’s 2.5 GS/s 12-bit ADC, for example, 30 gigabits per second of data have to be accepted.

Frequently asked questions about ADC IP cores

What is 12-bit ultra-low power single-ended SAR ADC?

12-bit ultra-low power single-ended SAR ADC is a ADC IP core from NTLab listed on Semi IP Hub. It is listed with support for tsmc Silicon Proven.

How should engineers evaluate this ADC?

Engineers should review the overview, key features, supported foundries and nodes, maturity, deliverables, and provider information before shortlisting this ADC IP.

Can this semiconductor IP be compared with similar products?

Yes. Buyers can compare this product with similar semiconductor IP cores or IP families based on category, provider, process options, and structured technical specifications.

×
Semiconductor IP