Vendor: Pacific MicroCHIP Corp. Category: ADC

Rad-hard 17-bit 3-channel sigma-delta ADC at 3.2kS/s

Pacific Microchip Corp.

17 Bit Tower 180nm SL Silicon Proven View all specifications

Overview

Pacific Microchip Corp. is offering a radiation hardened 3-channel sigma-delta ADC. The ADC achieves 16.5-bit ENOB at 3.2kS/s rate. The ADC can operate over a temperature range from -50°C to 125°C. Radiation hardening is achieved through application of ELT structures, additional guard rings, redundant information storing, readout through majority voting and glitch filtering.

Key features

  • 3 independently operated channels
  • Typical clock frequency 1.6384MHz
  • Sampling rate of 3.2KS/s (512 down-sampling factor)
  • 2Vpp differential input swing
  • ENOB > 16.7-bit
  • Input signal bandwidth > 1.6KHz
  • Convenient output data interface
  • Extended temperature range -40C … +125C
  • Power consumption 21mW/channel
  • SPI interface for ASIC control and data output
  • 180nm CMOS technology, ELT structures
  • 1.8V and 3.3V power supplies
  • 44-pin CQFP package

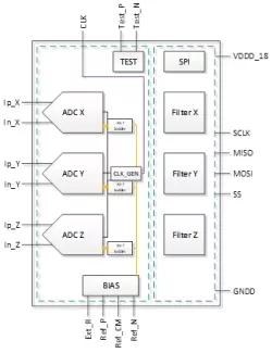
Block Diagram

Benefits

  • The 3-channel ADC offers radiation hardness and a low power consumption with reasonable conversion rate and accuracy.

Applications

  • Rad-hard instrumentation such as fluxgate magnetometers.
  • Receivers, space communication and navigation systems
  • High precision measurement electronics
  • Medical electronics
  • Automotive electronics and portable devices

What’s Included?

  • GDSII file
  • Netlist for Spectre simulation
  • Layout and Schematic (DRC & LVS) verification reports
  • Complete IP block’s datasheet with integration/application notes
  • Optional deliverables:
  • Library containing an entire hierarchy of the IP block’s schematic and layout cells
  • Extracted views containing parasitic components from layout
  • Verilog-A model replicating the IP block’s functionally
  • Simulation test-benches
  • Optional components specific to the IP block: biasing, specialized I/Os, glue-logic, etc.

Silicon Options

Foundry Node Process Maturity
Tower 180nm SL Silicon Proven

Specifications

Identity

Part Number
PMCC_SDADC_RH
Vendor
Pacific MicroCHIP Corp.
Type
Silicon IP

Analog

Resolution bits
17 Bit

Provider

Pacific MicroCHIP Corp.
HQ: USA
Pacific MicroCHIP Corp. is a privately held ASIC design company headquartered in Culver City, California, USA. We provide ASIC products, design services and IP blocks for a wide range of ASICs used in precision instrumentation, fiber optic and wireless communications, DNA storage as well as for variety of other applications.

Learn more about ADC IP core

Uncertainty-Guided Live Measurement Sequencing for Fast SAR ADC Linearity Testing

This paper introduces a novel closed-loop testing methodology for efficient linearity testing of high-resolution Successive Approximation Register (SAR) Analog-to-Digital Converters (ADCs). Existing test strategies, including histogram-based approaches, sine wave testing, and model-driven reconstruction, often rely on dense data acquisition followed by offline post-processing, which increases overall test time and complexity.

Three ways of looking at a sigma-delta ADC device

The growing availability of digital ICs like microcontrollers, microprocessors, and field-programmable gate arrays (FPGAs) allows developers to use complex digital processing techniques rather than analog signal conditioning. For this reason, analog-to-digital converters (ADCs) have become a widely-used component in mixed-signal circuits.

Specifying a PLL Part 1: Calculating PLL Clock Spur Requirements from ADC or DAC SFDR

In high end RF systems, such as 5G radios, the requirements are so stringent that the source of this strongest unwanted tone can be the PLL. This article outlines how spurs in the input clock to the ADC or DAC may limit the SFDR. This in turn will set the requirements for the spurs for the input clock (from a PLL), in order to achieve a specific SFDR.

Save power in IoT SoCs by leveraging ADC characteristics

Power-sensitive applications such as Internet-of-Things (IoT) require a comprehensive power savings strategy within the system-on-chip (SoC). Techniques relying solely on the use of traditional power down modes and low supply voltage may not be enough to achieve the required power targets. The analog block is often assumed to be too sensitive and not compatible with aggressive power management techniques.

High Speed ADC Data Transfer

When continuously running a high speed ADC, it can be a challenge to deal with the firehose of raw data available at the output. To use City Semiconductor’s 2.5 GS/s 12-bit ADC, for example, 30 gigabits per second of data have to be accepted.

Frequently asked questions about ADC IP cores

What is Rad-hard 17-bit 3-channel sigma-delta ADC at 3.2kS/s?

Rad-hard 17-bit 3-channel sigma-delta ADC at 3.2kS/s is a ADC IP core from Pacific MicroCHIP Corp. listed on Semi IP Hub. It is listed with support for tower Silicon Proven.

How should engineers evaluate this ADC?

Engineers should review the overview, key features, supported foundries and nodes, maturity, deliverables, and provider information before shortlisting this ADC IP.

Can this semiconductor IP be compared with similar products?

Yes. Buyers can compare this product with similar semiconductor IP cores or IP families based on category, provider, process options, and structured technical specifications.

×
Semiconductor IP