Vendor: nSilition Category: ADC

10-Bit 64MHz 1.2V 1.9mW delta-sigma ADC, CMOS 130nm

The nSAD_ST130M_1V2_AD10b64M is a 64MS/s, 9.9 ENOB, power efficient Sigma Delta ADC designed on the ST 130 M technology.

Overview

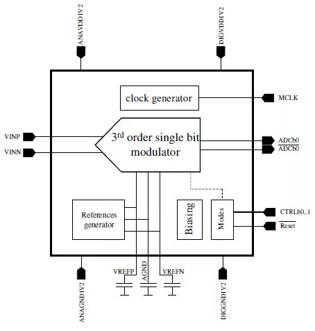
The nSAD_ST130M_1V2_AD10b64M is a 64MS/s, 9.9 ENOB, power efficient Sigma Delta ADC designed on the ST 130 M technology. Built around a fully-differential 3rd-order single-bit low-pass modulator, it consumes 1.9mW on silicon, reaching an energy efficiency of 31fJ/conversion-step.

Key features

  • STMicroelectronics 130nm CMOS mixed-mode process
  • Single 1.2V supply
  • 64 MHz modulator clock rate
  • 700 mVpp_diff input dynamic range
  • Modulator signal bandwidth = 1 MHz
  • SNRpeak = 62.3dB @ Fin = 100kHz
  • SNDRpeak = 61.3dB @ Fin = 100kHz
  • SFDRpeak = 80dBc @ Fin = 100kHz
  • THDpeak = -75dBc @ Fin = 100kHz
  • Fully internal reference voltage generator and bias circuitry
  • only 1.9mW typical at 64MHz including reference generator and biasing
  • 0.15 mm2 core area including reference generator, biasing

Block Diagram

Applications

  • Very low power communications (Zigbee, Bluetooth LE)
  • Very low power industrial control and instrumentation
  • Battery powered systems
  • Automotive and logistics equipment

Specifications

Identity

Part Number
NSAD_ST130M_1V2_AD10B64M
Vendor
nSilition
Type
Silicon IP

Analog

Resolution bits
10 Bit

Files

Note: some files may require an NDA depending on provider policy.

Provider

nSilition
HQ: Belgium
nSilition specializes in the development of industrial quality, very high performances, low power, up to 16b A/D and D/A converters. They are available as ready-to-use semiconductor hard macros for the most popular silicon technologies. Our “IP design service” offers top quality customization and support dedicated to your needs and your specifications. The engineering team of nSilition contributes every day to the research and the development of our specific data converters design tools and our proprietary architecture enhancements. All these elements have been proven and characterized through different silicon prototyping projects. nSilition is a 100% privately held company, duly registered under the laws of Belgium, Europe. It has been founded in 2006 by two Analog and Mixed-Signal ASIC design experts, totalizing more than 20 years of industrial IC and data converters design experience.

Learn more about ADC IP core

Uncertainty-Guided Live Measurement Sequencing for Fast SAR ADC Linearity Testing

This paper introduces a novel closed-loop testing methodology for efficient linearity testing of high-resolution Successive Approximation Register (SAR) Analog-to-Digital Converters (ADCs). Existing test strategies, including histogram-based approaches, sine wave testing, and model-driven reconstruction, often rely on dense data acquisition followed by offline post-processing, which increases overall test time and complexity.

Three ways of looking at a sigma-delta ADC device

The growing availability of digital ICs like microcontrollers, microprocessors, and field-programmable gate arrays (FPGAs) allows developers to use complex digital processing techniques rather than analog signal conditioning. For this reason, analog-to-digital converters (ADCs) have become a widely-used component in mixed-signal circuits.

Specifying a PLL Part 1: Calculating PLL Clock Spur Requirements from ADC or DAC SFDR

In high end RF systems, such as 5G radios, the requirements are so stringent that the source of this strongest unwanted tone can be the PLL. This article outlines how spurs in the input clock to the ADC or DAC may limit the SFDR. This in turn will set the requirements for the spurs for the input clock (from a PLL), in order to achieve a specific SFDR.

Save power in IoT SoCs by leveraging ADC characteristics

Power-sensitive applications such as Internet-of-Things (IoT) require a comprehensive power savings strategy within the system-on-chip (SoC). Techniques relying solely on the use of traditional power down modes and low supply voltage may not be enough to achieve the required power targets. The analog block is often assumed to be too sensitive and not compatible with aggressive power management techniques.

High Speed ADC Data Transfer

When continuously running a high speed ADC, it can be a challenge to deal with the firehose of raw data available at the output. To use City Semiconductor’s 2.5 GS/s 12-bit ADC, for example, 30 gigabits per second of data have to be accepted.

Frequently asked questions about ADC IP cores

What is 10-Bit 64MHz 1.2V 1.9mW delta-sigma ADC, CMOS 130nm?

10-Bit 64MHz 1.2V 1.9mW delta-sigma ADC, CMOS 130nm is a ADC IP core from nSilition listed on Semi IP Hub.

How should engineers evaluate this ADC?

Engineers should review the overview, key features, supported foundries and nodes, maturity, deliverables, and provider information before shortlisting this ADC IP.

Can this semiconductor IP be compared with similar products?

Yes. Buyers can compare this product with similar semiconductor IP cores or IP families based on category, provider, process options, and structured technical specifications.

×
Semiconductor IP