Vendor: T2M GmbH Category: V-By-One

V-by-One/ LVDS Tx IP, Silicon Proven in SMIC 40LL

The V-by-One® HS technology aims to transmit video signals at a high data rate using internal equipment connections.

SMIC 40nm LL In Production View all specifications

Overview

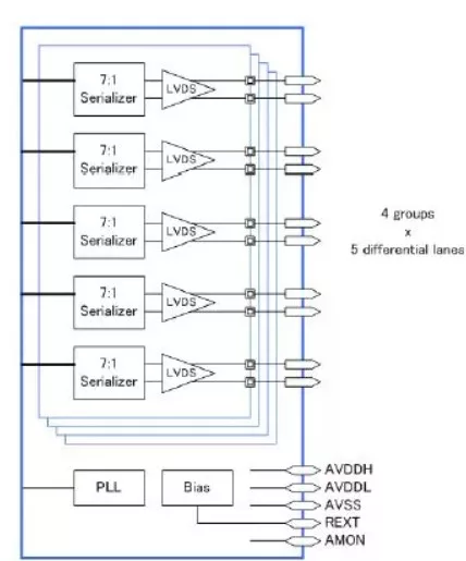
The V-by-One® HS technology aims to transmit video signals at a high data rate using internal equipment connections. The requirements to create a transmitter and receiver are laid out in the V-by-One®HS Standard. This has an available 8-lane PHY and 16-lane PHY for Tx and Rx, and it supports up to 4Gbps/lane. A transmitter for LVDS with a physical layer IP. This IP has 20 lanes (4 x 4D1C) of LVDS drivers and can handle 1.5Gbps of data rate.

Key features

  • LVDS compliant Tx
  • 4 groups of 4-Data
  • 1-Clock channels Each lane/group can be turned on/off individually Data/Clock can be assigned to any lane within the group
  • Differential polarity can be flip per lane
  • Supports from 168Mbps to 1.5Gbps data rate
  • Supports reduced swing mode
  • X7 Multiplier PLL for serial clock generation
  • Configurable analog characteristics
  • PLL loop filter
  • PLL VCO gain
  • Differential voltage Common-mode voltage
  • Pre-emphasis strength
  • Silicon Proven in SMIC 40nm LL

Block Diagram

What’s Included?

  • Datasheet
  • Integration guideline
  • GDSII or Phantom
  • GDSII Layer map table
  • CDL netlist for LVS
  • LEF Verilog behaviour model
  • Liberty timing model DRC/LVS/ERC results

Files

Note: some files may require an NDA depending on provider policy.

Silicon Options

Foundry Node Process Maturity
SMIC 40nm LL In Production

Specifications

Identity

Part Number
V-by-One/LVDS Tx IP in 40LL
Vendor
T2M GmbH

Provider

T2M GmbH
T2M GmbH is the leading Global Technology Company supplying state of the art complex semiconductor connectivity IPs and KGDs, enabling the creation of complex connected devices for Mobile, IoT and Wearable markets. T2M's unique SoC White Box IPs are the design database of mass production RF connectivity chips supporting standards including Wifi, BT, BLE, Zigbee, NFC, LTE, GSM, GNS. They are available in source code as well as KGD for SIP / modules. With offices in USA, Europe, China, Taiwan, South Korea, Japan, Singapore and India, T2M’s highly experienced team provides local support, accelerating product development and Time 2 Market.

Learn more about V-By-One IP core

The Benefits of a Multi-Protocol PMA

At Silicon Creations, we have developed a power and area optimized, flexible and programmable PMA (Physical Medium Attachment) architecture that can be reliably ported to different process nodes and scaled across protocol generations as data rates increase. It is called the Multi-Protocol PMA, or MP-PMA for short.

Frequently asked questions about V-by-One IP cores

What is V-by-One/ LVDS Tx IP, Silicon Proven in SMIC 40LL?

V-by-One/ LVDS Tx IP, Silicon Proven in SMIC 40LL is a V-By-One IP core from T2M GmbH listed on Semi IP Hub. It is listed with support for smic In Production.

How should engineers evaluate this V-By-One?

Engineers should review the overview, key features, supported foundries and nodes, maturity, deliverables, and provider information before shortlisting this V-By-One IP.

Can this semiconductor IP be compared with similar products?

Yes. Buyers can compare this product with similar semiconductor IP cores or IP families based on category, provider, process options, and structured technical specifications.

×
Semiconductor IP