Vendor: NTLab Category: PVT Monitor

PVT Detector

PVT Detector is a unique solution intended to continuously monitor IC status at several on-die locations.

GlobalFoundries 22nm FDX Silicon Proven View all specifications

Overview

PVT Detector is a unique solution intended to continuously monitor IC status at several on-die locations. It is able to detect manufacturing process deviation, perform voltage and die temperature measurement.

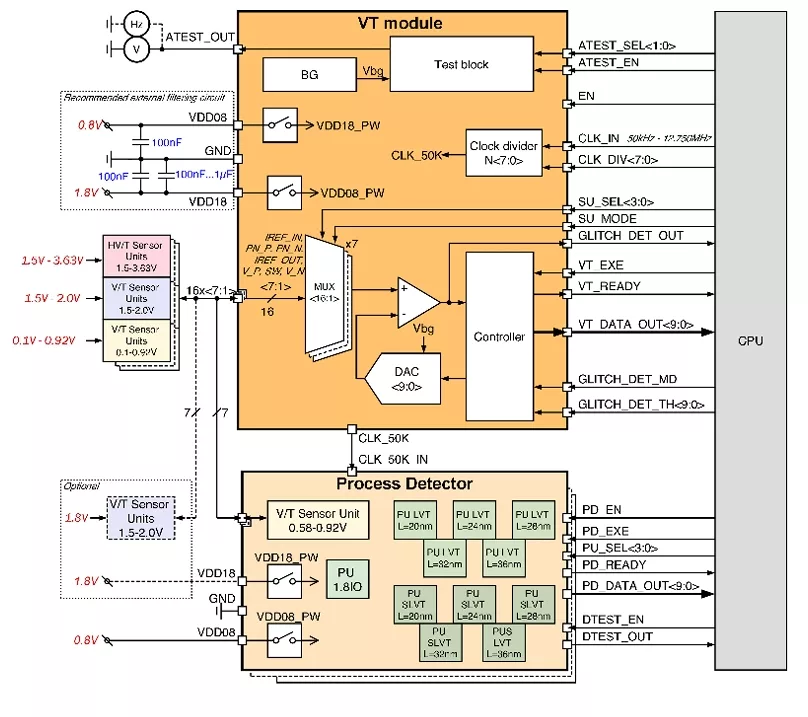
PVT Detector consists of VT module as a calculation center for voltage and temperature measurements, Process detector with process unit for Low VT and Super low VT at different channel length (20, 24, 28, 32, 36 nm) and 1.8V IO transistor, and voltage/temperature sensor units. VT module is able to maintain up to 16 external voltage/ temperature sensor units of three types in any variations: for 0.58V to 0.92V (Core), for 1.5V÷2.0V (IO) and 1.5V÷3.63V (High IO) voltage measurement ranges. Process units can be placed on the die in quantity up to 16 cells. Glitch detector mode allows to monitor and detect rapid fluctuations of voltage and temperature.

Key features

  • GF 22nm FDX
  • Temperature measurement range -55°C ÷ +150°C
  • Core and IO Voltage measurement range: 0.1V÷0.92V, 1.5V÷2.0V and 1.5V÷3.63V
  • High accuracy temperature and voltage measurements
  • Remote process detectors for Low VT and Super low VT of different channel length (20, 24, 28, 32, 36 nm) and 1.8V IO transistor
  • Up to 16 remote temperature/voltage sensors
  • Process detector dedicated digital test output
  • Glitch detector mode
  • Flexible input clock: 50kHz to 12MHz
  • Low leakage
  • IO supply voltage 1.62V÷1.98V
  • Core supply voltage 0.72V÷0.88V

Block Diagram

Applications

  • Die temperature monitoring
  • Core and IO voltage low battery indication
  • Process deviation detection
  • Pseudo static analog digitization
  • System performance detection

What’s Included?

  • Schematic or NetList
  • Abstract model (.lef and .lib files)
  • Layout view (optional)
  • Behavioral model (Verilog)
  • Extracted view (optional)
  • GDSII
  • DRC, LVS, antenna report
  • Test bench with saved configurations (optional)
  • Documentation

Files

Note: some files may require an NDA depending on provider policy.

Silicon Options

Foundry Node Process Maturity
GlobalFoundries 22nm FDX Silicon Proven

Specifications

Identity

Part Number
022GF_PVT_01
Vendor
NTLab

Provider

NTLab
HQ: Lithuania
NTLab is a vertically integrated microelectronics design center. It has 70+ experienced and qualified engineers. NTLab specializes in the designing of mixed-signal and RF ICs and Systems-on-Chip. It has a wide range of own silicon-verified IP blocks: processor cores, interfaces, analog and high-frequency PHYs, etc., thus allowing customized design to be fast and predictable. In-company unique combination of competences in digital, analog and RF circuits and embedded software enables NTLab to participate in the projects that require deep research and utilize most sophisticated and advanced techniques: multi-system GPS/GLONASS/Galileo/BeiDou/NavIC(IRNSS)/QZSS/SBAS navigation, RF ID, wireless communications, etc. All designed ICs are provided with test and development tools, as well as with reference software. NTLab offers a wide range of silicon proven analog/mixed-signal IPs in 0.35µm, 0.25 µm, 0.18 µm, 0.13 µm, 0.09 µm, 65nm, 55nm, 40nm, 28nm, 22 nm CMOS and SiGe BiCMOS processes. These IPs are suitable for devices targeted both consumer and industrial markets. Most of these IPs have been proven in silicon on the foundries: Samsung, UMC, GlobalFoundries, SMIC, VIS, Tower, X-FAB, iHP, AMS, SilTerra, STMicroelectronics, Winfoundry.

Learn more about PVT Monitor IP core

Frequently asked questions about PVT Monitor IP cores

What is PVT Detector?

PVT Detector is a PVT Monitor IP core from NTLab listed on Semi IP Hub. It is listed with support for globalfoundries Silicon Proven.

How should engineers evaluate this PVT Monitor?

Engineers should review the overview, key features, supported foundries and nodes, maturity, deliverables, and provider information before shortlisting this PVT Monitor IP.

Can this semiconductor IP be compared with similar products?

Yes. Buyers can compare this product with similar semiconductor IP cores or IP families based on category, provider, process options, and structured technical specifications.

×
Semiconductor IP