Vendor: NTLab Category: PVT Monitor

Process/Voltage/Temperature Sensor (Supply voltage 3.3V/0.9V)

028TSMC_PVT_04 is a unique solution intended to continuously monitor IC status at several on-die locations.

TSMC 28nm Silicon Proven View all specifications

Overview

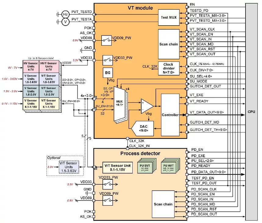
028TSMC_PVT_04 is a unique solution intended to continuously monitor IC status at several on-die locations. It is able to detect manufacturing process deviation, perform voltage and die temperature measurement. PVT Detector consists of VT module as a calculation center for voltage and temperature measurements, Process detector with process unit for standard-voltage, low-voltage and high-voltage threshold MOS transistors and IO 2.5V transistor, voltage/temperature sensor units and voltage sensor units. VT module is able to maintain up to 32 external voltage and voltage/temperature sensor units of four types in any variations: for Core voltage measurement range from 0.1V to 1.15V, for IO voltage measurement range from 1.5V÷2.0V, for IO voltage measurement range from 1.5V÷3.63V and additional 4.0V÷7.0V IO voltage measurement range. Process detector embeds VT sensor unit for Core voltage measurement and can be placed on the die in quantity up to 31 cells.

Key features

  • TSMC 28nm eFlash
  • Temperature measurement range -40°C ÷ +150°C
  • Core and IO Voltage measurement range: 0.1V to 1.15V, 1.5V to 2.0V, 1.5V to 3.63V and 4V to 7V
  • High accuracy temperature and voltage measurements
  • Remote process detectors for different types of transistors: standard-voltage and high voltage threshold MOS transistors
  • Up to 32 remote voltage and temperature/voltage sensors
  • Process detector dedicated digital test output
  • Glitch detector mode
  • Flexible input clock: 32.768kHz to 12MHz
  • IO supply voltage 2.97V÷3.63V
  • Core supply voltage 0.81V÷0.99V
  • Automotive compliant: junction temperature grade 1: -40?C to +150?C

Block Diagram

Applications

  • Die temperature monitoring
  • Core and IO voltage low battery indication
  • Process deviation detection
  • Pseudo static analog digitization
  • System performance detection

What’s Included?

  • Schematic or NetList
  • Abstract view (.lef and .lib files)
  • Layout (optional)
  • Behavioral model (for functional verification)
  • Extracted view (optional)
  • GDSII
  • DRC, LVS, antenna report
  • Test bench with saved configurations (optional)
  • Documentation

Files

Note: some files may require an NDA depending on provider policy.

Silicon Options

Foundry Node Process Maturity
TSMC 28nm 28nm 280 nm Silicon Proven

Specifications

Identity

Part Number
028TSMC_PVT_04
Vendor
NTLab

Provider

NTLab
HQ: Lithuania
NTLab is a vertically integrated microelectronics design center. It has 70+ experienced and qualified engineers. NTLab specializes in the designing of mixed-signal and RF ICs and Systems-on-Chip. It has a wide range of own silicon-verified IP blocks: processor cores, interfaces, analog and high-frequency PHYs, etc., thus allowing customized design to be fast and predictable. In-company unique combination of competences in digital, analog and RF circuits and embedded software enables NTLab to participate in the projects that require deep research and utilize most sophisticated and advanced techniques: multi-system GPS/GLONASS/Galileo/BeiDou/NavIC(IRNSS)/QZSS/SBAS navigation, RF ID, wireless communications, etc. All designed ICs are provided with test and development tools, as well as with reference software. NTLab offers a wide range of silicon proven analog/mixed-signal IPs in 0.35µm, 0.25 µm, 0.18 µm, 0.13 µm, 0.09 µm, 65nm, 55nm, 40nm, 28nm, 22 nm CMOS and SiGe BiCMOS processes. These IPs are suitable for devices targeted both consumer and industrial markets. Most of these IPs have been proven in silicon on the foundries: Samsung, UMC, GlobalFoundries, SMIC, VIS, Tower, X-FAB, iHP, AMS, SilTerra, STMicroelectronics, Winfoundry.

Learn more about PVT Monitor IP core

Frequently asked questions about PVT Monitor IP cores

What is Process/Voltage/Temperature Sensor (Supply voltage 3.3V/0.9V)?

Process/Voltage/Temperature Sensor (Supply voltage 3.3V/0.9V) is a PVT Monitor IP core from NTLab listed on Semi IP Hub. It is listed with support for tsmc Silicon Proven.

How should engineers evaluate this PVT Monitor?

Engineers should review the overview, key features, supported foundries and nodes, maturity, deliverables, and provider information before shortlisting this PVT Monitor IP.

Can this semiconductor IP be compared with similar products?

Yes. Buyers can compare this product with similar semiconductor IP cores or IP families based on category, provider, process options, and structured technical specifications.

×
Semiconductor IP