Vendor: NTLab Category: PVT Monitor

Process/Voltage/Temperature Sensor (Supply voltage 1.8V/0.9V)

028UMC_PVT_01 IP library is a unique solution intended to continuously monitor IC status at several on-die locations.

UMC 28nm HPC+ Pre-Silicon View all specifications

Overview

028UMC_PVT_01 IP library is a unique solution intended to continuously monitor IC status at several on-die locations.

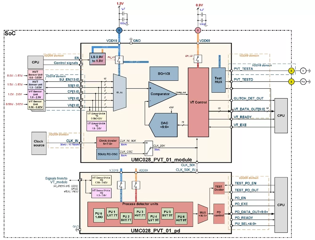
It is able to detect manufacturing process deviation, perform voltage and die temperature measurement. PVT Sensor IP library consists of three main parts: VT module as a calculation center for wide range of voltage and temperature measurements; Voltage/Temperature sensor units for voltage measurements from 0.6V to 3.63V and temperature measurements from 40°C to +125°C; Process detector module includes process units, dedicated for process variation elicitation of transistors with different threshold voltage types.

PVT Sensor can operate in Glitch detector mode allowing to monitor and detect rapid fluctuations of voltage and temperature on the die.

Area:

  • 0.124mm2 for Voltage/temperature processing module
  • 0.0063mm2 for Process detector unit;
  • 0.0017mm2 for sensor unit09

Key features

  • UMC 28nm HPC+ technology
  • Temperature measurement range -40°C ÷ +125°C
  • Core and IO Voltage measurement range: 0.58V÷0.92V, 1.0V÷2.0V, 1.5V÷3.63V and 0.8÷3.63V
  • High accuracy temperature and voltage measurements
  • Process detector with process units for transistors with different threshold voltage
  • Up to 16 remote voltage and temperature/voltage sensors
  • Glitch detector mode
  • Embedded trimmable 1MHz RC-oscillator
  • Wide range of input operating clock: 50kHz to 12MHz
  • IO supply voltage 1.62V÷1.98V
  • Core supply voltage 0.81V÷0.99V

Block Diagram

Applications

  • Die temperature monitoring
  • Core and IO voltage low battery indication
  • Process deviation detection
  • Pseudo static analog digitization
  • System performance detection

What’s Included?

  • Schematic or NetList
  • Abstract view (.lef and .lib files)
  • Layout (optional)
  • Behavioral model (for functional verification)
  • Extracted view (optional)
  • GDSII
  • DRC, LVS, antenna report
  • Test bench with saved configurations (optional)
  • Documentation

Files

Note: some files may require an NDA depending on provider policy.

Silicon Options

Foundry Node Process Maturity
UMC 28nm HPC+ Pre-Silicon

Specifications

Identity

Part Number
028UMC_PVT_01
Vendor
NTLab

Provider

NTLab
HQ: Lithuania
NTLab is a vertically integrated microelectronics design center. It has 70+ experienced and qualified engineers. NTLab specializes in the designing of mixed-signal and RF ICs and Systems-on-Chip. It has a wide range of own silicon-verified IP blocks: processor cores, interfaces, analog and high-frequency PHYs, etc., thus allowing customized design to be fast and predictable. In-company unique combination of competences in digital, analog and RF circuits and embedded software enables NTLab to participate in the projects that require deep research and utilize most sophisticated and advanced techniques: multi-system GPS/GLONASS/Galileo/BeiDou/NavIC(IRNSS)/QZSS/SBAS navigation, RF ID, wireless communications, etc. All designed ICs are provided with test and development tools, as well as with reference software. NTLab offers a wide range of silicon proven analog/mixed-signal IPs in 0.35µm, 0.25 µm, 0.18 µm, 0.13 µm, 0.09 µm, 65nm, 55nm, 40nm, 28nm, 22 nm CMOS and SiGe BiCMOS processes. These IPs are suitable for devices targeted both consumer and industrial markets. Most of these IPs have been proven in silicon on the foundries: Samsung, UMC, GlobalFoundries, SMIC, VIS, Tower, X-FAB, iHP, AMS, SilTerra, STMicroelectronics, Winfoundry.

Learn more about PVT Monitor IP core

Frequently asked questions about PVT Monitor IP cores

What is Process/Voltage/Temperature Sensor (Supply voltage 1.8V/0.9V)?

Process/Voltage/Temperature Sensor (Supply voltage 1.8V/0.9V) is a PVT Monitor IP core from NTLab listed on Semi IP Hub. It is listed with support for umc Pre-Silicon.

How should engineers evaluate this PVT Monitor?

Engineers should review the overview, key features, supported foundries and nodes, maturity, deliverables, and provider information before shortlisting this PVT Monitor IP.

Can this semiconductor IP be compared with similar products?

Yes. Buyers can compare this product with similar semiconductor IP cores or IP families based on category, provider, process options, and structured technical specifications.

×
Semiconductor IP