Vendor: EnSilica Category: RF Transceiver

Ka-Band beamforming and transceiver ASIC platform

The ENS92030 is a versatile multi-channel, Ka-Band frequency, beamforming transceiver IC for phased-array electronically steerabl…

Overview

The ENS92030 is a versatile multi-channel, Ka-Band frequency, beamforming transceiver IC for phased-array electronically steerable antenna systems.

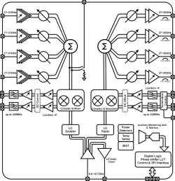
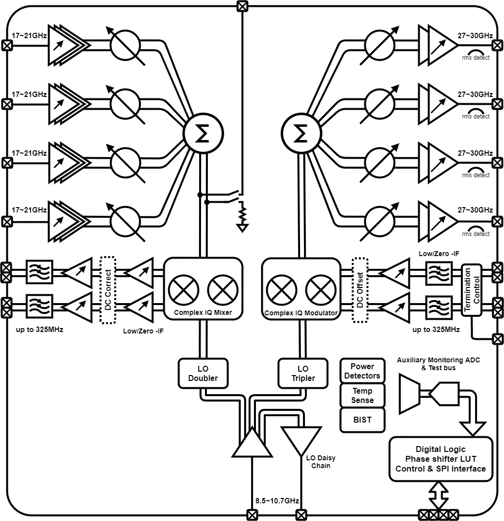
The ENS92030 integrates 4 receive and 4 transmit paths operating at 17.7-21.2GHz and 27.5-30 GHz respectively, with each RF path containing independent 5-bit phase control and fine gain control to achieve accurate beam steering and gain compensation/weighting between antenna elements

Key features

  • Ka-Band operation
    • Rx 17.7 to 21.2 GHz
    • Tx 27.5 to 30 GHz
  • 4 receive and 4 transmit elements
  • 5-bit Ka-Band phase control in each Rx/Tx element
  • Ka-Band fine gain control in each Rx/Tx element
  • Ka-Band Rx element signal combining
  • Ka-Band Tx element signal splitting
  • IQ down-conversion/IQ up-conversion for Rx/Tx
  • LO generation for Rx/Tx and daisy chaining
  • Flexible baseband/IF interface to external IQ ADC/DAC
  • SPI control interface; addressable to support parallel devices on a single SPI bus
  • Integrated temperature sensor, bias, regulators and comprehensive monitoring and test circuitry
  • Supply voltage 1.1V core and 1.8V IO control
  • -40°C to 85°C ambient operation
  • 3.3 x 3.3mm die for flip-chip bumping

Block Diagram

Benefits

  • High level of integration
  • Low-cost bulk CMOS technology
  • Low power per channel
  • Silicon proven

Applications

  • Electronic steerable Ka-Band antenna arrays and
  • beam forming applications
  • LEO, MEO, GEO satellite communications
  • Aerospace, maritime, defence comms/radar
  • Test and measurement
  • TDD (Time Division Duplex) applications
  • FDD (Frequency Division Duplex) applications
  • Support for RHCP, LHCP and linear polarization

Files

Note: some files may require an NDA depending on provider policy.

Specifications

Identity

Part Number
Ka-Band Transceiver ENS92030
Vendor
EnSilica

Provider

EnSilica
HQ: UK
EnSilica is a leading fabless design house focused on custom ASIC design and supply for OEMs and system houses, and IC design services for companies with their own design teams. The company has world-class expertise in supplying custom analog, mixed signal and digital IC’s to its international customers in the automotive, industrial, healthcare and consumer markets. The company also offers a broad portfolio of core IP covering cryptography, Radar and communications systems. EnSilica has a track record in delivering high quality solutions to demanding industry standards.

Learn more about RF Transceiver IP core

eTBc: A Semi-Automatic Testbench Generation Tool

This paper presents a semi-automatic testbench generation tool called eTBc and a methodology called VeriSC (which allows for testbench simulation before RTL without additional code writing).

Frequently asked questions about RF Transceiver IP cores

What is Ka-Band beamforming and transceiver ASIC platform?

Ka-Band beamforming and transceiver ASIC platform is a RF Transceiver IP core from EnSilica listed on Semi IP Hub.

How should engineers evaluate this RF Transceiver?

Engineers should review the overview, key features, supported foundries and nodes, maturity, deliverables, and provider information before shortlisting this RF Transceiver IP.

Can this semiconductor IP be compared with similar products?

Yes. Buyers can compare this product with similar semiconductor IP cores or IP families based on category, provider, process options, and structured technical specifications.

×
Semiconductor IP