Vendor: Weasic Microelectronics Category: RF Transceiver

9.125 GHz to 10.375 GHz Fractional–N Synthesizer, FMCW Radar Linear Chirp Generator

The WEA910S22G is a PLL-based high performance frequency synthesizer implemented in 22FDX FD-SOI process with integrated multifun…

GlobalFoundries 22nm FDX Silicon Proven View all specifications

Overview

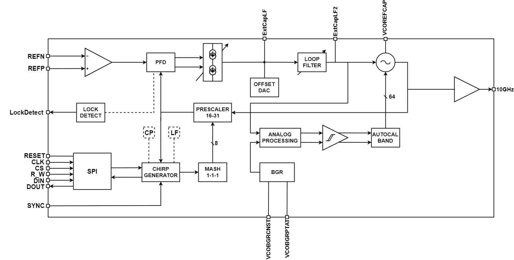
The WEA910S22G is a PLL-based high performance frequency synthesizer implemented in 22FDX FD-SOI process with integrated multifunction chirp frequency generator. It generates a 10 GHz fundamental frequency and various frequency ramps with integrated VCO utilizing a 64band autocalibration system. The synthesizer is powered by a 1.5 V and 0.8 V supplies. The WEA910S22G occupies a silicon area of 3150 um x 700 um (2.2 mm2). It exhibits high performance, high integration and flexibility for automotive RADAR applications.

Key features

  • Low phase Noise PLL
  • Differential reference input 300 MHz - 700 MHz
  • 0.8 V PLL Supply - 1.5 V VCO Supply
  • 24 bits Programmable order MASH (1st /2nd /3rd )
  • Banerjee Figure of Merit: -217 dB
  • Programmable Active and Passive Loop Filter with high/low loop bandwidth mode
  • LC-VCO with 64 bands
  • Automatic Band Selection System
  • Output Frequency 9.125 GHz - 10.375 GHz
  • 125 MHz tuning range per Band, Lock time <1 us, Chirp ramp < 10 us, FM Chirp Linearity error < 1%
  • Typical In-band noise -100 dBc/Hz
  • Area: 3150 um x 700 um (2.2 mm2 )

Block Diagram

Applications

  • Chirp Generator for Radar Applications

Files

Note: some files may require an NDA depending on provider policy.

Silicon Options

Foundry Node Process Maturity
GlobalFoundries 22nm FDX Silicon Proven

Specifications

Identity

Part Number
WEA910S22G
Vendor
Weasic Microelectronics

Provider

Weasic Microelectronics
HQ: Greece
Weasic develops and markets mmWave Analog and Mixed-Signal IP for 5G backhaul, Automotive RADARs and Satellite Radios. Weasic’s world class design team has a strong record of successfully delivering first-pass silicon for the most challenging design specifications in performance, power consumption and silicon area. Weasic’s IP is in production with multiple customers world-wide, including some of the largest names in the industry sectors we serve. Weasic was founded in 2014 and is based in Athens, Greece.

Learn more about RF Transceiver IP core

eTBc: A Semi-Automatic Testbench Generation Tool

This paper presents a semi-automatic testbench generation tool called eTBc and a methodology called VeriSC (which allows for testbench simulation before RTL without additional code writing).

Frequently asked questions about RF Transceiver IP cores

What is 9.125 GHz to 10.375 GHz Fractional–N Synthesizer, FMCW Radar Linear Chirp Generator?

9.125 GHz to 10.375 GHz Fractional–N Synthesizer, FMCW Radar Linear Chirp Generator is a RF Transceiver IP core from Weasic Microelectronics listed on Semi IP Hub. It is listed with support for globalfoundries Silicon Proven.

How should engineers evaluate this RF Transceiver?

Engineers should review the overview, key features, supported foundries and nodes, maturity, deliverables, and provider information before shortlisting this RF Transceiver IP.

Can this semiconductor IP be compared with similar products?

Yes. Buyers can compare this product with similar semiconductor IP cores or IP families based on category, provider, process options, and structured technical specifications.

×
Semiconductor IP