Vendor: Small World Communications Category: Channel Coding

CCSDS TM AR4JA LDPC Encoder

The LCE02C is a high speed encoder for the CCSDS telemetry (TM) accumulate, repeat by four, jagged accumulate (AR4JA) low density…

Overview

The LCE02C is a high speed encoder for the CCSDS telemetry (TM) accumulate, repeat by four, jagged accumulate (AR4JA) low density parity check (LDPC) standard. The encoder implements code rates of 1/2, 2/3 and 4/5 and data lengths of 1024 or 4096.

Key features

  • CCSDS TM AR4JA compatible
  • Rate 1/2, 2/3 and 4/5
  • Data lengths of 1024 or 4096 bits
  • Up to 605 MHz internal clock
  • Up to 60 Mbit/s encoding speed
  • 1090 LUTs and 15 18KB BlockRAMs for Xilinx Virtex-5, Spartan-6, Virtex-6, 7-Series, UltraScale and UltraScale+ FPGAs
  • Available as VHDL core for AMD-Xilinx FPGAs under SignOnce IP License. Custom ASIC, Intel/Altera, Lattice and Microchip/Microsemi/Actel FPGA cores available on request.

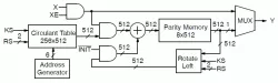
Block Diagram

What’s Included?

  • Xilinx VHDL and EDIF Core
  • VHDL testbench generation software

Files

Note: some files may require an NDA depending on provider policy.

Specifications

Identity

Part Number
LCE02C
Vendor
Small World Communications

Provider

Small World Communications
HQ: Australia
Small World Communications was started in January 1997 and is located in Adelaide, Australia. We specialise in error control decoder products for programmable gate arrays.

Learn more about Channel Coding IP core

Practical Considerations of LDPC Decoder Design in Communications Systems

This paper covers some practical aspects of designing the LDPC decoder starting from comparison between different techniques, different decoders parameters or standards, the effect of those parameters on the LDPC performance, also it discusses the algorithm selection process, and floating point implementation process.

Audio Transport in DisplayPort VIP

DisplayPort uses Secondary Data Packets (SDPs), which are transported over the Main-Link that are not main video stream data. This allows it to carry audio and video simultaneously. The VIP supports audio transmission both in the original mode as defined in the specification as well as just as any other SDP being transmitted.

Frequently asked questions about Channel Coding IP cores

What is CCSDS TM AR4JA LDPC Encoder?

CCSDS TM AR4JA LDPC Encoder is a Channel Coding IP core from Small World Communications listed on Semi IP Hub.

How should engineers evaluate this Channel Coding?

Engineers should review the overview, key features, supported foundries and nodes, maturity, deliverables, and provider information before shortlisting this Channel Coding IP.

Can this semiconductor IP be compared with similar products?

Yes. Buyers can compare this product with similar semiconductor IP cores or IP families based on category, provider, process options, and structured technical specifications.

×
Semiconductor IP