Vendor: NTLab Category: Amplifier

2 to 27 MHz Intermediate frequency amplifier

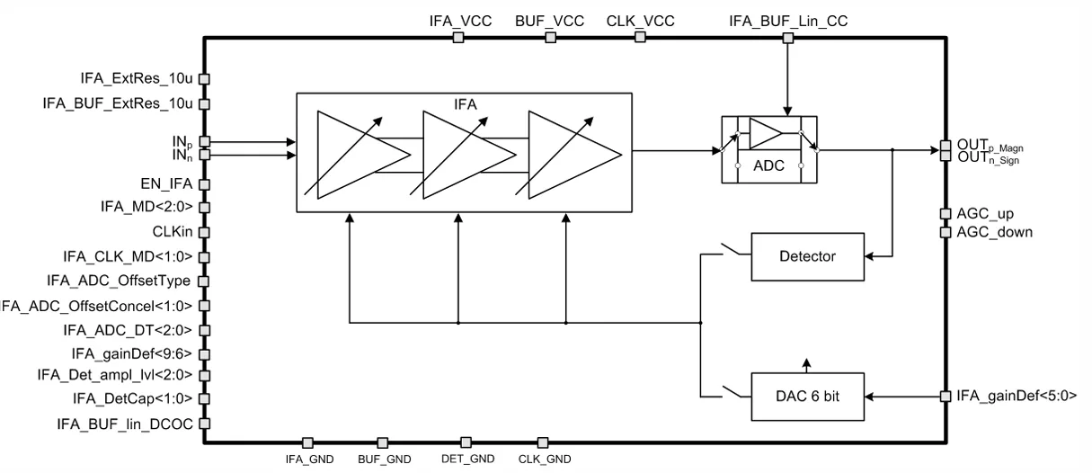
IFA consist of 3-stages amplifier with tunable gain, AGC system, linear output buffer for differential analog output, analog-digi…

TSMC 180nm BCDG2 Silicon Proven View all specifications

Overview

IFA consist of 3-stages amplifier with tunable gain, AGC system, linear output buffer for differential analog output, analog-digital converter for digital output and output level detector.
Each stage of the amplifier has differential input and output. Gain is sequentially reduced from the last stage to the first stage for better noise performance in wide gain range.
Output voltage supported by AGC system:
- For sine waveform 200 mV (peak-to-peak)
- For noise signal 480 mV (peak-to-peak)
The block is fabricated on TSMC SiGe BiCMOS 180 nm technology.

Key features

  • TSMC SiGe BiCMOS 180nm
  • Wide gain range (0…66 dB)
  • Low group delay time ripple vs. frequency and gain
  • Analog and digital output modes
  • Automatic gain control (AGC) system
  • DC offset compensation in each amplifier stage and output buffer
  • AGC detector threshold adjustment in the digital mode
  • Analog-digital converter to produce digital output signal
  • Portable to other technologies (upon request)

Block Diagram

Applications

  • IF signal amplification
  • GNSS receiver

What’s Included?

  • Schematic or NetList
  • Abstract view (.lef and .lib files)
  • Layout (optional)
  • Verilog behavior model
  • Extracted view (optional)
  • GDSII
  • DRC, LVS, antenna report
  • Test bench with saved configurations (optional)
  • Documentation

Files

Note: some files may require an NDA depending on provider policy.

Silicon Options

Foundry Node Process Maturity
TSMC 180nm BCDG2 Silicon Proven

Specifications

Identity

Part Number
180TSMC_IFA_05
Vendor
NTLab

Provider

NTLab
HQ: Lithuania
NTLab is a vertically integrated microelectronics design center. It has 70+ experienced and qualified engineers. NTLab specializes in the designing of mixed-signal and RF ICs and Systems-on-Chip. It has a wide range of own silicon-verified IP blocks: processor cores, interfaces, analog and high-frequency PHYs, etc., thus allowing customized design to be fast and predictable. In-company unique combination of competences in digital, analog and RF circuits and embedded software enables NTLab to participate in the projects that require deep research and utilize most sophisticated and advanced techniques: multi-system GPS/GLONASS/Galileo/BeiDou/NavIC(IRNSS)/QZSS/SBAS navigation, RF ID, wireless communications, etc. All designed ICs are provided with test and development tools, as well as with reference software. NTLab offers a wide range of silicon proven analog/mixed-signal IPs in 0.35µm, 0.25 µm, 0.18 µm, 0.13 µm, 0.09 µm, 65nm, 55nm, 40nm, 28nm, 22 nm CMOS and SiGe BiCMOS processes. These IPs are suitable for devices targeted both consumer and industrial markets. Most of these IPs have been proven in silicon on the foundries: Samsung, UMC, GlobalFoundries, SMIC, VIS, Tower, X-FAB, iHP, AMS, SilTerra, STMicroelectronics, Winfoundry.

Learn more about Amplifier IP core

Powering the Future of RF: Falcomm and GlobalFoundries at IMS 2025

GF’s comprehensive RF portfolio, including our industry-leading RFSOI, SiGe, 22FDX+ and RF GaN platforms, is purpose-built to push the boundaries of what’s possible in connectivity, but we’re not doing it alone. Together with innovative partners like Falcomm, we’re moving the industry forward, providing our customers with cutting-edge solutions to enhance performance, power and integration and create connected technologies with higher signal quality, better efficiency and longer battery life.

How to Elevate RRAM and MRAM Design Experience to the Next Level

This article will explore the potential advantages of RRAM and MRAM in various applications and elucidate why such new technologies are imperative to address future memory demands, as well as some challenges designers may encounter in the implementation.

Frequently asked questions about Amplifier IP cores

What is 2 to 27 MHz Intermediate frequency amplifier?

2 to 27 MHz Intermediate frequency amplifier is a Amplifier IP core from NTLab listed on Semi IP Hub. It is listed with support for tsmc Silicon Proven.

How should engineers evaluate this Amplifier?

Engineers should review the overview, key features, supported foundries and nodes, maturity, deliverables, and provider information before shortlisting this Amplifier IP.

Can this semiconductor IP be compared with similar products?

Yes. Buyers can compare this product with similar semiconductor IP cores or IP families based on category, provider, process options, and structured technical specifications.

×
Semiconductor IP