Vendor: Weasic Microelectronics Category: RF Front End

10GHz to 15GHz broadband wireless microwave transceiver front-end

The WEA1015T130G is a broadband wireless microwave transceiver front-end operating in the frequency band spanning from 10 GHz to …

GlobalFoundries 130nm Silicon Proven View all specifications

Overview

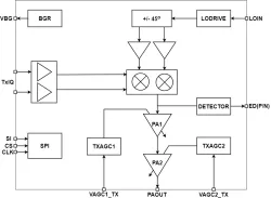
The WEA1015T130G is a complete broadband wireless microwave transceiver front-end operating in the frequency band spanning from 10 GHz to 15 GHz. Implemented in a GF Silicon Germanium 8XP process it integrates an upconverter mixer, a two stage PA driver with Gain Control, an IQ LO driver an envelope detector and a bandgap reference.

Key features

  • Signal Envelope Detector
  • Linear-in-dB Continuous Gain Control
  • Broadband Baseband Bandwidth
  • Transmit Power Control Function
  • Programmable Bias
  • Supply Voltage 2.5 V & 3.3 V
  • Consumption (@3.3 V) 150 mA
  • Consumption (@2.5 V) 110 mA

Block Diagram

Applications

  • Microwave Backhaul
  • Satellite Communications

What’s Included?

  • GDSII, Database, SystemVerilog Models

Files

Note: some files may require an NDA depending on provider policy.

Silicon Options

Foundry Node Process Maturity
GlobalFoundries 130nm 130 1300 nm Silicon Proven

Specifications

Identity

Part Number
WEA1015T130G
Vendor
Weasic Microelectronics
Type
Silicon IP

Provider

Weasic Microelectronics
HQ: Greece
Weasic develops and markets mmWave Analog and Mixed-Signal IP for 5G backhaul, Automotive RADARs and Satellite Radios. Weasic’s world class design team has a strong record of successfully delivering first-pass silicon for the most challenging design specifications in performance, power consumption and silicon area. Weasic’s IP is in production with multiple customers world-wide, including some of the largest names in the industry sectors we serve. Weasic was founded in 2014 and is based in Athens, Greece.

Learn more about RF Front End IP core

Is there a "one-size fits all" SOC PLL?

Like most types of circuits, there is no such thing as a "one size fits all" PLL. This article will explore the trade-offs in PLL performance and design and look for a solution to most SOC PLL needs.

Frequently asked questions about RF Front End IP cores

What is 10GHz to 15GHz broadband wireless microwave transceiver front-end?

10GHz to 15GHz broadband wireless microwave transceiver front-end is a RF Front End IP core from Weasic Microelectronics listed on Semi IP Hub. It is listed with support for globalfoundries Silicon Proven.

How should engineers evaluate this RF Front End?

Engineers should review the overview, key features, supported foundries and nodes, maturity, deliverables, and provider information before shortlisting this RF Front End IP.

Can this semiconductor IP be compared with similar products?

Yes. Buyers can compare this product with similar semiconductor IP cores or IP families based on category, provider, process options, and structured technical specifications.

×
Semiconductor IP