Vendor: NTLab Category: RF Front End

Wideband LNA with a gain adjustment range from -22 to 20dB

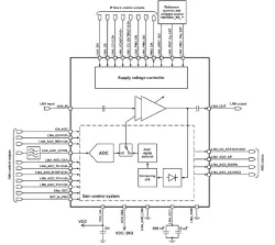
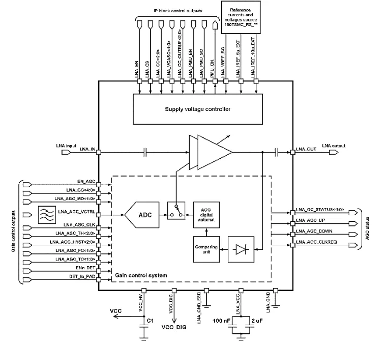
180TSMC_LNA_14 is a IP block which includes a low-noise amplifier (LNA), gain control system and supply voltage controller.

TSMC 180nm BCDG2 Silicon Proven View all specifications

Overview

180TSMC_LNA_14 is a IP block which includes a low-noise amplifier (LNA), gain control system and supply voltage controller. The low-noise amplifier is intended to amplify wideband high-frequency signal at the receiver input, provides a wide range of gain control and low noise figure as well as has high linearity characteristics. The supply voltage controller is designed to generate internal reference currents and indicate increased current consumption.

Key features

  • TSMC SiGe BiCMOS 180 nm
  • Operating frequency range 500…1500 MHz
  • Low noise figure (2 dB)
  • Gain control range 42 dB
  • Build-in AGC system
  • Build-in supply voltage controller

Block Diagram

Applications

  • Front-end RF signal amplification in receivers

What’s Included?

  • Schematic or NetList
  • Abstract model (.lef and .lib files)
  • Layout view (optional)
  • Behavioral model (Verilog)
  • Extracted view (optional)
  • GDSII
  • DRC, LVS, antenna report
  • Test bench with saved configurations (optional)
  • Documentation

Files

Note: some files may require an NDA depending on provider policy.

Silicon Options

Foundry Node Process Maturity
TSMC 180nm BCDG2 Silicon Proven

Specifications

Identity

Part Number
180TSMC_LNA_14
Vendor
NTLab
Type
Silicon IP

Provider

NTLab
HQ: Lithuania
NTLab is a vertically integrated microelectronics design center. It has 70+ experienced and qualified engineers. NTLab specializes in the designing of mixed-signal and RF ICs and Systems-on-Chip. It has a wide range of own silicon-verified IP blocks: processor cores, interfaces, analog and high-frequency PHYs, etc., thus allowing customized design to be fast and predictable. In-company unique combination of competences in digital, analog and RF circuits and embedded software enables NTLab to participate in the projects that require deep research and utilize most sophisticated and advanced techniques: multi-system GPS/GLONASS/Galileo/BeiDou/NavIC(IRNSS)/QZSS/SBAS navigation, RF ID, wireless communications, etc. All designed ICs are provided with test and development tools, as well as with reference software. NTLab offers a wide range of silicon proven analog/mixed-signal IPs in 0.35µm, 0.25 µm, 0.18 µm, 0.13 µm, 0.09 µm, 65nm, 55nm, 40nm, 28nm, 22 nm CMOS and SiGe BiCMOS processes. These IPs are suitable for devices targeted both consumer and industrial markets. Most of these IPs have been proven in silicon on the foundries: Samsung, UMC, GlobalFoundries, SMIC, VIS, Tower, X-FAB, iHP, AMS, SilTerra, STMicroelectronics, Winfoundry.

Learn more about RF Front End IP core

Is there a "one-size fits all" SOC PLL?

Like most types of circuits, there is no such thing as a "one size fits all" PLL. This article will explore the trade-offs in PLL performance and design and look for a solution to most SOC PLL needs.

Frequently asked questions about RF Front End IP cores

What is Wideband LNA with a gain adjustment range from -22 to 20dB?

Wideband LNA with a gain adjustment range from -22 to 20dB is a RF Front End IP core from NTLab listed on Semi IP Hub. It is listed with support for tsmc Silicon Proven.

How should engineers evaluate this RF Front End?

Engineers should review the overview, key features, supported foundries and nodes, maturity, deliverables, and provider information before shortlisting this RF Front End IP.

Can this semiconductor IP be compared with similar products?

Yes. Buyers can compare this product with similar semiconductor IP cores or IP families based on category, provider, process options, and structured technical specifications.

×
Semiconductor IP