Vendor: Certus Semiconductor Category: GPIO

1.8V/3.3V GPIO With I2C Compliant ODIO in GF 55nm

GPIO, ODIO and Analog I/Os with Robust ESD Protection in GF 55nm This I/O Library, developed on GlobalFoundries 55nm CMOS, delive…

GlobalFoundries 55nm View all specifications

Overview

GPIO, ODIO and Analog I/Os with Robust ESD Protection in GF 55nm

This I/O Library, developed on GlobalFoundries 55nm CMOS, delivers a complete suite of digital and analog I/O solutions with robust 2 kV HBM / 500 V CDM ESD protection and latch-up immunity. The library includes 1.8/3.3 V GPIOs supporting GMII and LVCMOS standards, I2C-compliant ODIOs, and flexible analog I/Os (ANA/DANA) with integrated ESD. Complemented by a full set of power, filler, corner, and transition cells, the VZ55 library enables reliable padring construction across mixed-signal designs. With wide voltage support, industrial temperature range (-40°C to 125°C), and cross-domain ESD protection, VZ55 provides a scalable, production-ready I/O platform for advanced SoC integration.

Library Summary

Item Description
Core VDD 1.2V
VDDIO 1.8V-3.3V
Temp-40C to 125C Max Load SeeGPIO/ODIOSpec
ESD 2kV HBM/ 500V CDM
BEOL 1P6M
Pad Size 45um x 39um
Cell Heights 80um
Cell Pitch 60um

Key features

Analog I/O Features

  •  ANA: 1.8V/3.3V analog I/O for analog pad banks
  • DANA: 3.3V analog I/O for digital pad banks
  • Direct bondpad or core-side analog pin access
  • PrimaryandsecondaryESDprotectiondiodesintegrated
  • DGANAtransition cells provide safe cross-domain ESD  protection

  GPIO Features

  •  1.8V-3.3V GPIO
  • Supports up to 200MHz operation across all voltages
  • Multiple drive strengths (configurable via DS0/DS1)
  • Built-in 50k pull-up/pull-down termination option
  • Standards compliant: GMII and LVCMOS

 ODIO Features

  • 1.8V-3.3V ODIO with I2C and GMII compatiblity
  • Optimized for I2C Standard, Fast, and Fast-Mode Plus  (1 MHz)
  • Glitch filter (50 ns) ensures robust bus noise rejection
  • Strong low-side drive capability for capacitive bus loading
  • GMII thresholds supported for networking/bus application ( 125MHz class)

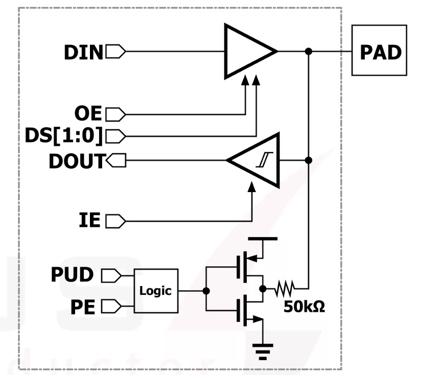
Block Diagram

Files

Note: some files may require an NDA depending on provider policy.

Silicon Options

Foundry Node Process Maturity
GlobalFoundries 55nm 55 550 nm

Specifications

Identity

Part Number
VZ55
Vendor
Certus Semiconductor

Provider

Certus Semiconductor
HQ: United States
Certus Semiconductor has assembled several of the world’s foremost experts in IO and ESD design to offer our clients the ability to affordably tailor their IO libraries into the optimal fit for their products. Certus is offering the semiconductor industry a unique approach to custom IO libraries, including tailored IO designs, and ESD solutions based on simulations leveraging specialized silicon ESD models. In addition to offering fast turnaround custom IO designs, Certus offers independent ESD design, review and debug services. Through partnerships, Certus is also able to provide ESD testing & TLP support.

Learn more about GPIO IP core

GPIO Solutions for CERN’s Radiation-Hardened Applications

For over a decade, Sofics has collaborated with CERN, the European Organization for Nuclear Research. Sofics has delivered advanced GPIO cells tailored for radiation-hardened applications, supporting CERN’s groundbreaking particle physics experiments.

A Generic Solution to GPIO verification

This paper provides a complete solution to the GPIO Verification for any SoC. GPIO interface is available in every ASIC. To avoid duplicate efforts and (save) time to verify the GPIO interface, we have produced this Generic GPIO verification suite. It is a UVM-based verification environment, with all the necessary subcomponents that are required to verify any GPIO design.

Integrating Post-Quantum Cryptography (PQC) on Arty-Z7

Post-quantum cryptography (PQC) is moving from theory to engineering reality. With NIST-standardized algorithms ML-KEM (FIPS 203) and ML-DSA (FIPS 204) now finalized, FPGA developers face a practical challenge: How to integrate these algorithms efficiently on resource-constrained hardware?

From I2C to I3C: Evolution of Two-Wire Communication in Embedded Systems

The I2C (Inter-Integrated Circuit) Bus invented in 1980 by Philips Semiconductors (NXP Semiconductors today) was a massive step forward in simplifying communications in embedded systems. It is a simple two-wire interface for synchronous, multi-master/multi-slave, single ended serial communication. Fast forward 45 years to today and it is still widely used for attaching low speed peripheral Integrated Circuits (ICs), processors and microcontrollers. But silicon today has changed...

One Platform, Five Libraries: Certus Semiconductor’s I/O IP Portfolio for Every Application on TSMC 22nm ULL/ULP Technologies

Certus Semiconductor’s I/O libraries for TSMC’s 22nm ultra-low leakage (22ULL) and 22nm ultra-low power (22ULP) technologies offer robust, high-performance solutions tailored to a wide range of SoC designs — from ultra-low power IoT nodes to demanding consumer and automotive systems. Whether you need low leakage, high drive strength, or analog compatibility, our production-proven IP covers it all.

Frequently asked questions about GPIO Pad Library IP cores

What is 1.8V/3.3V GPIO With I2C Compliant ODIO in GF 55nm?

1.8V/3.3V GPIO With I2C Compliant ODIO in GF 55nm is a GPIO IP core from Certus Semiconductor listed on Semi IP Hub. It is listed with support for globalfoundries.

How should engineers evaluate this GPIO?

Engineers should review the overview, key features, supported foundries and nodes, maturity, deliverables, and provider information before shortlisting this GPIO IP.

Can this semiconductor IP be compared with similar products?

Yes. Buyers can compare this product with similar semiconductor IP cores or IP families based on category, provider, process options, and structured technical specifications.

×
Semiconductor IP