Vendor: Canova Tech Srl Category: USB

USB-C Interface

CT20601 is a USB Type-C Interface which includes optional VCONN and VBUS management features.

Overview

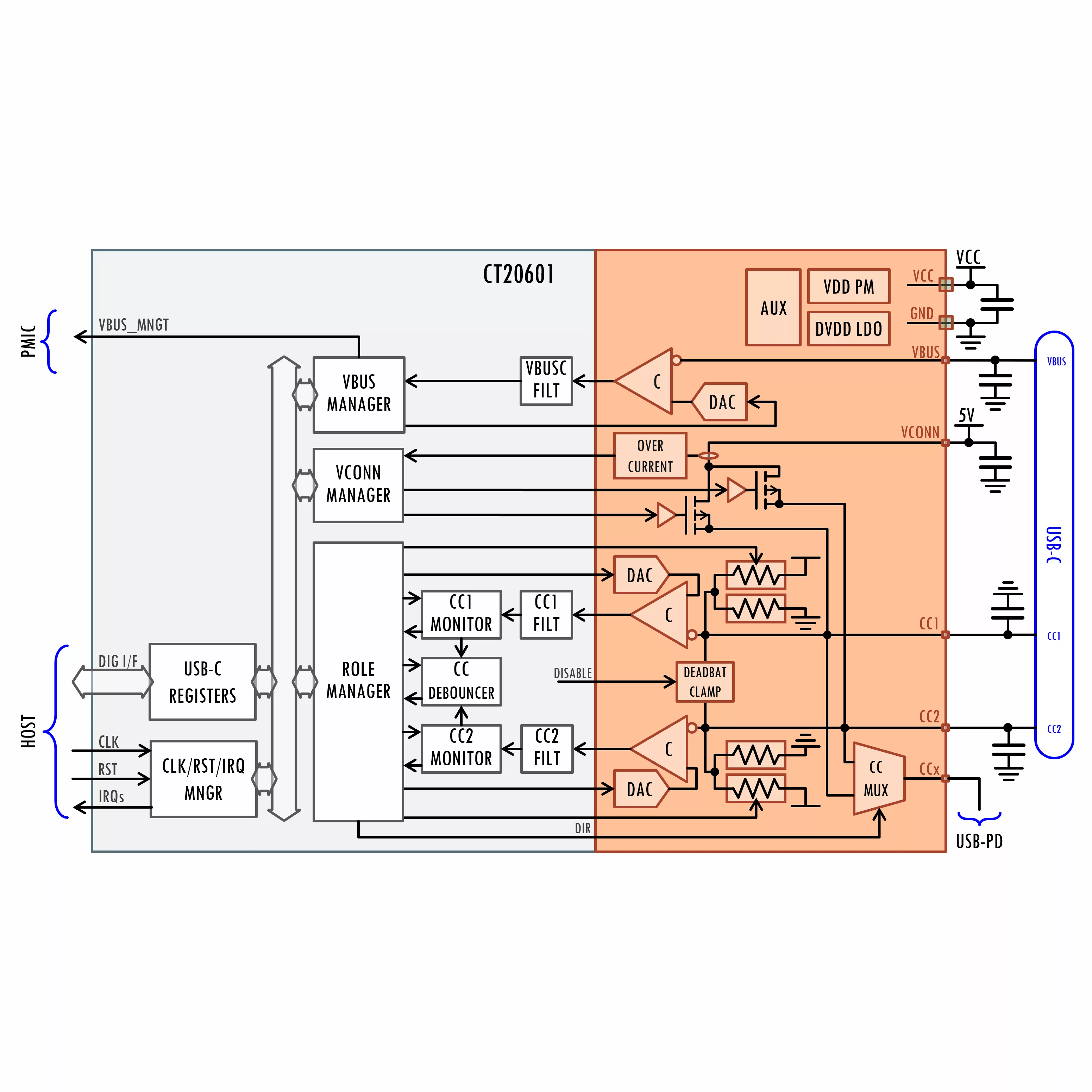
CT20601 is a complete USB Type-C Interface which includes optional VCONN and VBUS management features. It implements the dual-role port CC1/CC2 interface including the disabled Voltage Clamp for dead-battery operations and the VCONN power-configurable switches, with over-current protections
The VBUS management (with optional 10bit AD Conversion) includes Force/Bleed discharge and power paths commands.

The digital section of the USB-C Interface:

  • Controls the CC lines of the USB Type-C connector
  • Controls the port role
  • Debounces VBUS and CC lines
  • Controls the port power role
  • Monitors levels on CC lines, selecting the comparators thresholds, for detecting connection/disconnection and termination changes.

CT20601 interfaces with the Host by means of a set of standardized registers which provides commands to control operations.

Key features

  • USB Power Delivery 3.1-certified
  • VCONN Management, including over-current protections
  • VBUS Management, including force/bleed discharge commands and power-path commands
  • No external components
  • Voltage and current references, test infrastructures, included

Block Diagram

Applications

  • USB-PD Interface
  • Active Cables

Files

Note: some files may require an NDA depending on provider policy.

Specifications

Identity

Part Number
CT20601
Vendor
Canova Tech Srl

Provider

Canova Tech Srl
HQ: Italy
Based in Padova, Italy, Canova Tech has been providing Standards and Custom IP plus Design Services for full IC Integration, to a global client base of tier-one companies since 2005. Our Engineers attend and contribute to several Standards, including IEEE 802.3 initiatives, OPEN Alliance and USB IF. We understand and implement Customer requirements from concept definition down to transfer to production. Our Customers benefit directly from our insight into the market direction through our fundamental values, Technology Innovation, State of the Art mixed-signal Design Methodology and the Quality of Deliverables.

Learn more about USB IP core

What Designers Need to Know About USB Low-Power States

In addition to performance and interoperability, achieving low power has been one of the requirements for industry standards specifications. Some of the key specifications like Universal Serial Bus (USB), PCI Express (PCIe), and MIPI have defined power saving features for burst traffic. This whitepaper explains how Synopsys USB IP offers low power using various low power states that go beyond the basic features.

Frequently asked questions about USB IP cores

What is USB-C Interface?

USB-C Interface is a USB IP core from Canova Tech Srl listed on Semi IP Hub.

How should engineers evaluate this USB?

Engineers should review the overview, key features, supported foundries and nodes, maturity, deliverables, and provider information before shortlisting this USB IP.

Can this semiconductor IP be compared with similar products?

Yes. Buyers can compare this product with similar semiconductor IP cores or IP families based on category, provider, process options, and structured technical specifications.

×
Semiconductor IP