Vendor: Fraunhofer Institute Integrated Circuits and Systems (IIS) Category: Analog Front End

Ultra-Low-Power 6-13 Bit 0.5-10 KS/s 10μW Analog-Frontend on XFAB XT018

The Analog-Frontend (AFE) IP consists of programmable current and voltage preamplifier followed by a Successive Approximation Reg…

X-FAB 180nm XT018 Available on request View all specifications

Overview

The Analog-Frontend (AFE) IP consists of programmable current and voltage preamplifier followed by a Successive Approximation Register (SAR) architecture ADC using charge-redistribution technique. The ADC IP is configurable regarding resolution (6-13 bit) and sample rate (up to 10kS/s). The preamplifier offers programmable gain from 0.5 to 4. The input voltage range is quasi-rail-to-rail guaranteeing more than +- 1.7 V @ 1.8 V power supply. An optional calibration technique can be applied to compensate degraded mismatch behavior of t echnology capacitors. The overall power consumption of the AFE IP sums up with 10.5 uW at 1 kHz input signal.

The AFE ASIC with current and voltage input channels was applied to commercial environmental sensors for ambient light, temperature and CO gas. An internal temperature monitor is included.

The AFE ASIC as well as the stand-alone SAR ADC are silicon evaluated using the XFAB XT018 process. Measurement results and samples are available.

The AFE IP was migrated to GF 22FDX. Fraunhofer IIS/EAS provides a detailed documentation and support for the IP integration. Modifications, extensions and technology ports of the IP are available on request.

Key features

  • Resolution: 6 - 13 bit
  • Input bandwidth: 31 kHz
  • ENOB: 12.6 bit
  • Power consumption: 10.5 uW @ 1kHz
  • Supply voltage: 1.8 V
  • Operation clock: 140 kHz
  • Differential input: +- 1.7 V
  • Programable Gain: - 6 up to 12 dB
  • Silicon area: 0.16 mm2

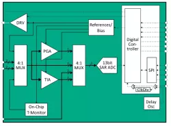
Block Diagram

Benefits

  • Low design risk due to silicon evaluated design
  • Easy to use input due to integrated input buffer
  • Selectable power consumption due to integrated automatic power-down function
  • Task dependent selectable resolution
  • Flexible use due to single-conversion and continous-conversion mode

What’s Included?

  • GDSII data
  • Simulation model
  • Documentation
  • Silicon validation report
  • Integration support

Files

Note: some files may require an NDA depending on provider policy.

Silicon Options

Foundry Node Process Maturity
X-FAB 180nm XT018 Available on request

Specifications

Identity

Part Number
AFE13b010kS180nm
Vendor
Fraunhofer Institute Integrated Circuits and Systems (IIS)
Type
Silicon IP

Provider

Fraunhofer Institute Integrated Circuits and Systems (IIS)
HQ: Germany
The Fraunhofer Institute for Integrated Circuits (IIS) offers core components for ASIC and FPGA solutions. The cores are developed by Fraunhofer IIS in Erlangen, Germany and selected partners. Over 25 years of system and design know-how, analog and digital design experience, and the needs of our customers have influenced the methodology to develop these cores. Each core has been verified with sophisticated test procedures at Fraunhofer IIS before it is offered to the customers. As a result, the cores are of high quality and proven technology. Many components are parameterizable and allow the designer to tailor each component to the needs of the application. Therefore, using our components saves lots of design and verification effort.

Learn more about Analog Front End IP core

How to specify and integrate successfully a measurement analog front-end including its power computation engine in an energy metering IC

Based on the system specification of a typical smart meter, this article demonstrates the importance of carefully selecting the power metering IP solution so that its specification matches the standard requirements and copes with the application challenges. This article then pinpoints thoroughly the various issues that must be taken into account for the selection of the Silicon IP and helps identify the possible trade-offs between the performance of the Mixed-signal Front-end (MFE) and that of the Power and energy Computation Engine (PCE).

Modeling and Verification of Mixed Signal IP using SystemVerilog in Virtuoso and NCsim

In this paper we present a methodology to model and verify a mixed-signal IP using SystemVerilog in Virtuoso and NCsim. We take our 12.5Gbps transmitter (TX) design as an example to explain the method we propose. This TX is designed to operate at programmable data rates from 1.25Gbps – 12.5Gbps and to support requirements of multiple serial protocols like USB, PCIe, and SATA. Interaction between AFE and Digital is key towards proper implementation of features like Feed Forward Equalization (FFE), programmable output swing and power management states.

Is there a "one-size fits all" SOC PLL?

Like most types of circuits, there is no such thing as a "one size fits all" PLL. This article will explore the trade-offs in PLL performance and design and look for a solution to most SOC PLL needs.

Frequently asked questions about Analog Front End IP cores

What is Ultra-Low-Power 6-13 Bit 0.5-10 KS/s 10μW Analog-Frontend on XFAB XT018?

Ultra-Low-Power 6-13 Bit 0.5-10 KS/s 10μW Analog-Frontend on XFAB XT018 is a Analog Front End IP core from Fraunhofer Institute Integrated Circuits and Systems (IIS) listed on Semi IP Hub. It is listed with support for x-fab Available on request.

How should engineers evaluate this Analog Front End?

Engineers should review the overview, key features, supported foundries and nodes, maturity, deliverables, and provider information before shortlisting this Analog Front End IP.

Can this semiconductor IP be compared with similar products?

Yes. Buyers can compare this product with similar semiconductor IP cores or IP families based on category, provider, process options, and structured technical specifications.

×
Semiconductor IP