Vendor: NTLab Category: PVT Monitor

Process/Voltage/Temperature Sensor with Self-calibration (Supply voltage 1.2V) - TSMC 3nm N3P

003TSMC_PVT_01 IP library is a unique solution intended to continuously monitor IC status at several on-die locations.

TSMC 3nm N3P Pre-Silicon View all specifications

Overview

003TSMC_PVT_01 IP library is a unique solution intended to continuously monitor IC status at several on-die locations. It is able to detect manufacturing process deviation, perform voltage, current and die temperature measurement.  

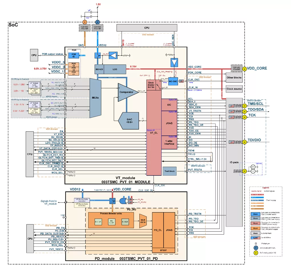
PVT Sensor IP library consists of three main parts: 

  • VT module as a calculation center for voltage and temperature measurements. It is able to maintain up to 16 on die voltage/temperature units to be put on over the die. Grape-like connection is intended for easy routing and sensors placement 
  • Voltage/Temperature sensor of two type: from 0.5V to 1.1V and from 1.0V to 1.65V; 
  • Process detector module includes process units, dedicated for process variation elicitation of transistors with different threshold voltage types: Ultra Low VT, Low VT, Standard VT and 1.2V IO transistor, and voltage/temperature sensor units. Also Process detector module embeds one VT sensor unit. 

Glitch detector mode allows to monitor and detect rapid fluctuations of voltage and temperature.  

Stand-alone calibration system together with dedicated interface is embedded to the VT module for ability to calibrate temperature measurements independently from VT module operation.  

Power-On-Reset circuit in implemented to monitor core voltage VDD 0.5V to 0.8V to generate resetting signals in SOC during power supply ramp up and ramp-down as well as POR for IO voltage reset signal

Silicon area: 0.024mm2 for VT module, 0.0017mm2 for Process detector unit; 0.0004mm2 for sensor units

ELECTRICAL CHARACTERISTICS

Parameter Symbol Conditions Min Typ Max Units
IO supply voltage VDD12 - 1.08 1.2 1.32 V
Operating temperature range Tj - -40 27 +125 °C
  VT module current consumption during measurements ICCVT @VDD_CORE - 223 401   uA
@VDD12 - 605 877
Process detector current consumption during measurements ICCPD @VDD_CORE - 325 -   uA
@VDD12 - 1 -
SU08 VT sensor unit current consumption ICCSU08   -   -   3.7   7.2   uA
SU12 VT sensor unit current consumption ICCSU12 SU12 VT sensor unit does not switchable.   -   4.7   9.2   uA
Shutdown current ISHD VT module EN=0, SHTD= “1” @VDD_CORE - 2.4 96     nA
@VDD12 - 210 370
Process detector, PD_EN=0 @VDD_CORE - 20 115
@VDD12 - 5000 25
Input-logic level high VIH - 0.9V*0.75 - 1.1*0.75 V
Input-logic level low VIL - 0 - 0.1*0.75 V
Output-logic level high   VOH - 0.9*VDD CORE   - 1.1*VDDCORE   V
Output-logic level low VOL - 0 - 0.1*VDDCORE   V
Output DATA resolution K - - 10 - bit
Input clock frequency fCLK_IN - 50 - 12750 kHz
Input clock frequency for PD module fCLK_IN_PD   ± 1%   -   50   -   kHz
Voltage measurement range VMR08 - 0.5 - 1.1 V
VMR12 - 1 - 1.65 V
Voltage measurement accuracy for SU08 VT sensor unit for voltage range 0.5V to 1.32V AV08 W/o trimming - - 2   %
Voltage measurement accuracy for SU12 VT sensor unit for voltage range 1.0V to 1.65V AV12 W/o trimming - - 2 %
Main temperature measurement range TMR - -40 - +125 “C
Temperature measurement accuracy AT W/o trimming from 0˚C to 125˚C - - 7.3 ˚C
W/o trimming from -40˚C to 0˚C - - 2.8 ˚C
With trimming method T1 - - 3 ˚C
With trimming method T2.A - - 5 ˚C
With trimming method T2.B - - 1 ˚C
With trimming method T3 -40 - 125 ˚C

Block Diagram

Files

Note: some files may require an NDA depending on provider policy.

Silicon Options

Foundry Node Process Maturity
TSMC 3nm N3P Pre-Silicon

Specifications

Identity

Part Number
003TSMC_PVT_01
Vendor
NTLab

Provider

NTLab
HQ: Lithuania
NTLab is a vertically integrated microelectronics design center. It has 70+ experienced and qualified engineers. NTLab specializes in the designing of mixed-signal and RF ICs and Systems-on-Chip. It has a wide range of own silicon-verified IP blocks: processor cores, interfaces, analog and high-frequency PHYs, etc., thus allowing customized design to be fast and predictable. In-company unique combination of competences in digital, analog and RF circuits and embedded software enables NTLab to participate in the projects that require deep research and utilize most sophisticated and advanced techniques: multi-system GPS/GLONASS/Galileo/BeiDou/NavIC(IRNSS)/QZSS/SBAS navigation, RF ID, wireless communications, etc. All designed ICs are provided with test and development tools, as well as with reference software. NTLab offers a wide range of silicon proven analog/mixed-signal IPs in 0.35µm, 0.25 µm, 0.18 µm, 0.13 µm, 0.09 µm, 65nm, 55nm, 40nm, 28nm, 22 nm CMOS and SiGe BiCMOS processes. These IPs are suitable for devices targeted both consumer and industrial markets. Most of these IPs have been proven in silicon on the foundries: Samsung, UMC, GlobalFoundries, SMIC, VIS, Tower, X-FAB, iHP, AMS, SilTerra, STMicroelectronics, Winfoundry.

Learn more about PVT Monitor IP core

Frequently asked questions about PVT Monitor IP cores

What is Process/Voltage/Temperature Sensor with Self-calibration (Supply voltage 1.2V) - TSMC 3nm N3P?

Process/Voltage/Temperature Sensor with Self-calibration (Supply voltage 1.2V) - TSMC 3nm N3P is a PVT Monitor IP core from NTLab listed on Semi IP Hub. It is listed with support for tsmc Pre-Silicon.

How should engineers evaluate this PVT Monitor?

Engineers should review the overview, key features, supported foundries and nodes, maturity, deliverables, and provider information before shortlisting this PVT Monitor IP.

Can this semiconductor IP be compared with similar products?

Yes. Buyers can compare this product with similar semiconductor IP cores or IP families based on category, provider, process options, and structured technical specifications.

×
Semiconductor IP