Vendor: NTLab Category: Comparator

8-channel 8-bit voltage comparator

028TSMC_COMP_01 is a comparator that compares a reference voltage to an analog input voltage and contains 8 input channels with a…

TSMC 28nm Pre-Silicon View all specifications

Overview

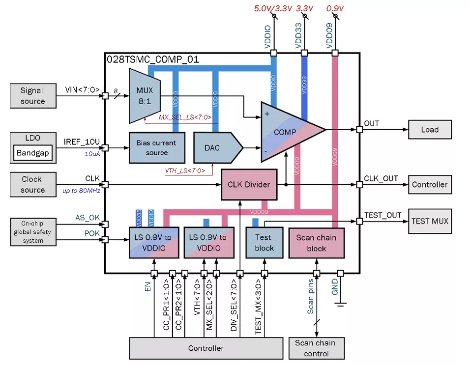
028TSMC_COMP_01 is a comparator that compares a reference voltage to an analog input voltage and contains 8 input channels with a programmable threshold, implemented using 8-bit digital-to-analog converter (DAC).
Conversion time is 25ns in worst case.
The block consists of input multiplexer 8:1, 8-bit DAC and 1-channel comparator.
The Comparator operates from analog VDDIO 3.3V/5.0V, VDD33 3.3V and digital voltage VDD09 0.9V. Bias currents should be delivered from an external source.

Key features

  • TSMC 28nm eFlash technology
  • 8 channel synchronous comparator
  • 25ns conversion time
  • Up to 80MHz external clock
  • Current consumption in operation mode: 0.4mA@ VDDIO option 5.0V
  • Analog IO supply voltage 5.0V (3.3V option)
  • 3.3V supply voltage
  • Core supply voltage 0.9V
  • Automotive compliant: junction temperature: -40?C to +150?C
  • Silicon area ~0.06mm2

Block Diagram

Applications

  • Analog signal comparison
  • Measurement environment

What’s Included?

  • Schematic or NetList
  • Abstract view (.lef and .lib files)
  • Layout (optional)
  • Verilog behavior model
  • Extracted view (optional)
  • GDSII
  • DRC, LVS, antenna report
  • Test bench with saved configurations (optional)
  • Documentation

Files

Note: some files may require an NDA depending on provider policy.

Silicon Options

Foundry Node Process Maturity
TSMC 28nm 28nm 280 nm Pre-Silicon

Specifications

Identity

Part Number
028TSMC_COMP_01
Vendor
NTLab
Type
Silicon IP

Provider

NTLab
HQ: Lithuania
NTLab is a vertically integrated microelectronics design center. It has 70+ experienced and qualified engineers. NTLab specializes in the designing of mixed-signal and RF ICs and Systems-on-Chip. It has a wide range of own silicon-verified IP blocks: processor cores, interfaces, analog and high-frequency PHYs, etc., thus allowing customized design to be fast and predictable. In-company unique combination of competences in digital, analog and RF circuits and embedded software enables NTLab to participate in the projects that require deep research and utilize most sophisticated and advanced techniques: multi-system GPS/GLONASS/Galileo/BeiDou/NavIC(IRNSS)/QZSS/SBAS navigation, RF ID, wireless communications, etc. All designed ICs are provided with test and development tools, as well as with reference software. NTLab offers a wide range of silicon proven analog/mixed-signal IPs in 0.35µm, 0.25 µm, 0.18 µm, 0.13 µm, 0.09 µm, 65nm, 55nm, 40nm, 28nm, 22 nm CMOS and SiGe BiCMOS processes. These IPs are suitable for devices targeted both consumer and industrial markets. Most of these IPs have been proven in silicon on the foundries: Samsung, UMC, GlobalFoundries, SMIC, VIS, Tower, X-FAB, iHP, AMS, SilTerra, STMicroelectronics, Winfoundry.

Learn more about Comparator IP core

Achieving Groundbreaking Performance with a Digital PLL

This article compares analog, first-generation digital, and second-generation digital PLLs. It evaluates which type of PLL may be best in which situation. It further discloses a roadmap into other application areas, including general purpose / logic clocking, and regular low-jitter PLLs.

Improving Battery-Powered Device Operation Time Thanks To Power Efficient Sleep Mode

Allowing battery-powered devices to run, without battery recharge, for years rather than months, partakes in enhancing significantly end-user satisfaction and is a key point to enabling the emergence of IoT applications. Numerous applications, such as M2M, BLE, Zigbee…, have an activity rate (duty cycle) such that the power consumption in sleep mode dominates the overall current drawn by the SoC (System on Chip). For such applications, the design of the “Always-On power domain" (a.k.a AON power domain) is pivotal.

Generating High Speed CSI2 Video by an FPGA

In this article, we show how fast video streams conforming to MIPI CSI2 rev2.0 over MIPI DPHY rev1.2 can be generated, using VLSI Plus’ SVTPlus-CSI2-F IP core, with simple off-FPGA analog front-end. The high bit rates can be achieved with a relatively slow FPGA clock frequency, trading off FPGA resources for simple timing closure.

Design & Verify Virtual Platform with reusable TLM 2.0

As the system, software & IP complexity is increasing so is the demand of SystemC models & Virtual Platform for verification. To achieve it, the key requirements are that the models/platform should be developed fast, reusable & highly accurate. We are sharing the experience of our company 3D-IP Semiconductors Ltd. for the development of a generic Virtual Platform using TLM 2.0; reusable for any system model.

Metric Driven Verification of Reconfigurable Memory Controller IPs Using UVM Methodology for Improved Verification Effectiveness and Reusability

The paper presents a method for verifying a standard SDRAM controller IP, based on UVM framework using the Object Oriented verification language System Verilog. The verification technique focuses on a Metric Driven approach for reconfiguring the predictor model to suit the various functional realizations of the memory controller and also to improve the performance by effectively reducing the verification cycles for maximum functional coverage.

Frequently asked questions about Comparator IP cores

What is 8-channel 8-bit voltage comparator?

8-channel 8-bit voltage comparator is a Comparator IP core from NTLab listed on Semi IP Hub. It is listed with support for tsmc Pre-Silicon.

How should engineers evaluate this Comparator?

Engineers should review the overview, key features, supported foundries and nodes, maturity, deliverables, and provider information before shortlisting this Comparator IP.

Can this semiconductor IP be compared with similar products?

Yes. Buyers can compare this product with similar semiconductor IP cores or IP families based on category, provider, process options, and structured technical specifications.

×
Semiconductor IP