Vendor: NTLab Category: LDO Voltage Regulator

30mA 2-channel LDO voltage regulator (output voltage each channel 1.0V)

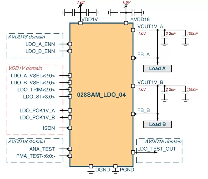
028SAM_LDO_04 is external-capacitor-based Linear Regulator in Samsung 28 FD-SOI to generate SoC voltage supply voltage.

Samsung 28nm FDS Silicon Proven View all specifications

Overview

028SAM_LDO_04 is external-capacitor-based Linear Regulator in Samsung 28 FD-SOI to generate SoC voltage supply voltage. It contains two independently programmable drivers to generate stable voltage in the range of 0.9V to 1.1V.
LDO is intended to maintain load current 30mA – 50mA.
The 028SAM_LDO_04 embeds a voltage reference 0.6V, voltage-to-current converter for biasing and logic control.
A Power-OK signals notify the system has completed its booting sequence and if its output is maintaining regulation for the current drawn by the load.

Key features

  • 1.8V analog input voltage
  • 1.0V digital input voltage
  • Double programmable output: 0.9V to 1.1V
  • Output current: 30 mA for each output
  • Load transient response ±4%
  • Quiescent current: 120µA for both channels
  • PSRR: - 69dB @ 1MHz
  • Embedded bandgap voltage reference and V2I converter
  • POK indicator
  • Silicon area: ~0.12mm2

Block Diagram

Applications

  • Low-Voltage, High-Density Systems
  • Broadband, Networking, and Optical Communications Infrastructure

What’s Included?

  • Schematic or NetList
  • Abstract view (.lef and .lib files)
  • Layout (optional)
  • Behavioral model (for functional verification)
  • Extracted view (optional)
  • GDSII
  • DRC, LVS, antenna report
  • Test bench with saved configurations (optional)
  • Documentation

Files

Note: some files may require an NDA depending on provider policy.

Silicon Options

Foundry Node Process Maturity
Samsung 28nm FDS Silicon Proven

Specifications

Identity

Part Number
028SAM_LDO_04
Vendor
NTLab

Provider

NTLab
HQ: Lithuania
NTLab is a vertically integrated microelectronics design center. It has 70+ experienced and qualified engineers. NTLab specializes in the designing of mixed-signal and RF ICs and Systems-on-Chip. It has a wide range of own silicon-verified IP blocks: processor cores, interfaces, analog and high-frequency PHYs, etc., thus allowing customized design to be fast and predictable. In-company unique combination of competences in digital, analog and RF circuits and embedded software enables NTLab to participate in the projects that require deep research and utilize most sophisticated and advanced techniques: multi-system GPS/GLONASS/Galileo/BeiDou/NavIC(IRNSS)/QZSS/SBAS navigation, RF ID, wireless communications, etc. All designed ICs are provided with test and development tools, as well as with reference software. NTLab offers a wide range of silicon proven analog/mixed-signal IPs in 0.35µm, 0.25 µm, 0.18 µm, 0.13 µm, 0.09 µm, 65nm, 55nm, 40nm, 28nm, 22 nm CMOS and SiGe BiCMOS processes. These IPs are suitable for devices targeted both consumer and industrial markets. Most of these IPs have been proven in silicon on the foundries: Samsung, UMC, GlobalFoundries, SMIC, VIS, Tower, X-FAB, iHP, AMS, SilTerra, STMicroelectronics, Winfoundry.

Learn more about LDO Voltage Regulator IP core

The Tradeoffs of Low Dropout (LDO) Voltage Regulator Architectures and the Advantages of "Capless" LDOs

Power management of battery-powered electronic devices is becoming increasingly more important for the microelectronics industry. This white paper details the difference between low dropout (LDO) voltage regulators that use external output capacitors and those that do not, and how your system designs can benefit from not using an output capacitor. Well-designed capless LDO voltage regulators can have multiple benefits, and they are presented here.

Power Management for Internet of Things (IoT) System on a Chip (SoC) Development

There are many factors that must be considered when developing a custom System on a Chip (SoC) for Internet of Things (IoT) applications. Chief among these are the power management circuits on the die. Vidatronic offers this white paper to discuss these considerations and all of the various circuit blocks that can be found in this application. Vidatronic IP solutions are discussed and the benefits they bring to IoT SoC designers.

Tradeoffs of LDO Architectures and the Advantages of Advanced Architecture "Capless" LDOs

Power management of battery-powered electronic devices is becoming increasingly more important for the present and future microelectronics industry. This application note details the difference between low dropout (LDO) voltage regulators that use output capacitance and those that do not and how your system designs can benefit from or be improved by not using an output capacitor.

Introduction to Low Dropout (LDO) Linear Voltage Regulators

Linear voltage regulators are key components in any power-management system that requires a stable and ripple-free power supply. A subset of linear voltage regulators is a class of circuits known as low dropout (LDO) regulators. This paper explains the fundamentals of LDOs and introduces Vidatronic’s LDO technology which solves many of the known shortcomings of LDO circuits.

Frequently asked questions about LDO Voltage Regulator IP cores

What is 30mA 2-channel LDO voltage regulator (output voltage each channel 1.0V)?

30mA 2-channel LDO voltage regulator (output voltage each channel 1.0V) is a LDO Voltage Regulator IP core from NTLab listed on Semi IP Hub. It is listed with support for samsung Silicon Proven.

How should engineers evaluate this LDO Voltage Regulator?

Engineers should review the overview, key features, supported foundries and nodes, maturity, deliverables, and provider information before shortlisting this LDO Voltage Regulator IP.

Can this semiconductor IP be compared with similar products?

Yes. Buyers can compare this product with similar semiconductor IP cores or IP families based on category, provider, process options, and structured technical specifications.

×
Semiconductor IP