Vendor: NTLab Category: RF Front End

3-6 GHz to 0.075-3 GHz Quadrature former

055TSMC_QF_02 is a quadrature former generating a differential quadrature signal in frequency range from 0.075 GHz to 3GHz.

TSMC 55nm GP Pre-Silicon View all specifications

Overview

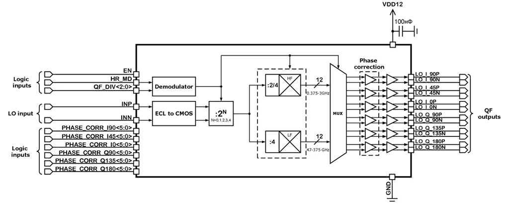
055TSMC_QF_02 is a quadrature former generating a differential quadrature signal in frequency range from 0.075 GHz to 3GHz. Input frequency range from 3 GHz to 6 GHz. Output frequency is formed using the built-in divider by 2, 4, 8, 16, 32, 64.
The QF has two modes output signals:
- Mode 1: differential quadrature signal (LO_I_45* and LO_Q_135*)
- Mode 2: differential quadrature signal with signals offset by ±45 degrees (LO_I_0*, LO_I_45*, LO_I_90*, LO_Q_90*, LO_Q_135* and LO_Q_180*)
The quadrature outputs have phase accuracy adjustment for each differential signal.

Key features

  • TSMC CMOS 55 nm
  • Output frequency range from 75 MHz to 3000 MHz
  • Input frequency range from 3 GHz to 6 GHz
  • IQ phase error less than ±4 degree

Block Diagram

Applications

  • Quadrature signal processing

What’s Included?

  • Schematic or NetList
  • Abstract model (.lef and .lib files)
  • Layout view (optional)
  • Behavioral model (Verilog)
  • Extracted view (optional)
  • GDSII
  • DRC, LVS, antenna report
  • Test bench with saved configurations (optional)
  • Documentation

Files

Note: some files may require an NDA depending on provider policy.

Silicon Options

Foundry Node Process Maturity
TSMC 55nm GP Pre-Silicon

Specifications

Identity

Part Number
055TSMC_QF_02
Vendor
NTLab
Type
Silicon IP

Provider

NTLab
HQ: Lithuania
NTLab is a vertically integrated microelectronics design center. It has 70+ experienced and qualified engineers. NTLab specializes in the designing of mixed-signal and RF ICs and Systems-on-Chip. It has a wide range of own silicon-verified IP blocks: processor cores, interfaces, analog and high-frequency PHYs, etc., thus allowing customized design to be fast and predictable. In-company unique combination of competences in digital, analog and RF circuits and embedded software enables NTLab to participate in the projects that require deep research and utilize most sophisticated and advanced techniques: multi-system GPS/GLONASS/Galileo/BeiDou/NavIC(IRNSS)/QZSS/SBAS navigation, RF ID, wireless communications, etc. All designed ICs are provided with test and development tools, as well as with reference software. NTLab offers a wide range of silicon proven analog/mixed-signal IPs in 0.35µm, 0.25 µm, 0.18 µm, 0.13 µm, 0.09 µm, 65nm, 55nm, 40nm, 28nm, 22 nm CMOS and SiGe BiCMOS processes. These IPs are suitable for devices targeted both consumer and industrial markets. Most of these IPs have been proven in silicon on the foundries: Samsung, UMC, GlobalFoundries, SMIC, VIS, Tower, X-FAB, iHP, AMS, SilTerra, STMicroelectronics, Winfoundry.

Learn more about RF Front End IP core

Is there a "one-size fits all" SOC PLL?

Like most types of circuits, there is no such thing as a "one size fits all" PLL. This article will explore the trade-offs in PLL performance and design and look for a solution to most SOC PLL needs.

Frequently asked questions about RF Front End IP cores

What is 3-6 GHz to 0.075-3 GHz Quadrature former?

3-6 GHz to 0.075-3 GHz Quadrature former is a RF Front End IP core from NTLab listed on Semi IP Hub. It is listed with support for tsmc Pre-Silicon.

How should engineers evaluate this RF Front End?

Engineers should review the overview, key features, supported foundries and nodes, maturity, deliverables, and provider information before shortlisting this RF Front End IP.

Can this semiconductor IP be compared with similar products?

Yes. Buyers can compare this product with similar semiconductor IP cores or IP families based on category, provider, process options, and structured technical specifications.

×
Semiconductor IP