Vendor: Dolphin Semiconductor Category: DC/DC Converter

TSMC 40nm ULP combo voltage regulator combining a high efficiency DC-DC for operation in normal mode and an ultra-low quiescent uLDO to supply AON domain during sleep mode

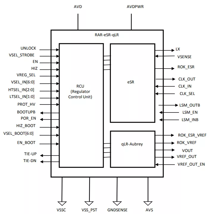
The RAR-eSR-qLR Retention Alternating Regulator combines two regulation sub-components: a high-efficiency switching regulator (eS…

TSMC 40nm ULP eFlash In Production View all specifications

Overview

The RAR-eSR-qLR Retention Alternating Regulator combines two regulation sub-components: a high-efficiency switching regulator (eSR) and an ultra low quiescent linear regulator (qLR). A Regulation Control Unit (RCU) manages booting and transitions between each regulation functions.

Key features

  • Perfect fit for battery-powered IoT applications that require both high-efficiency during active mode and ultra-low power consumption in AON domain during sleep and deep sleep mode
  • Embedded RCU (Regulator Control Unit) to manage booting and mode transitions and to ensure data integrity
  • Configurable output current to fit the application
  • Support of input voltage from 2.7V to 5.5V (Li-Ion, USB supplies)

Block Diagram

Files

Note: some files may require an NDA depending on provider policy.

Silicon Options

Foundry Node Process Maturity
TSMC 40nm ULP eFlash In Production

Specifications

Identity

Part Number
RAR-eSR-qLR-OV-LB-ref-2.7-5.5-0.55-3.3.05_TSMC_40_uLP
Vendor
Dolphin Semiconductor

Provider

Dolphin Semiconductor
HQ: France
Dolphin Semiconductor is a leading provider of semiconductor IP solutions, specializing in mixed signal IP design targeting markets such as Industrial, High-Performance Computing, Consumer Electronics, IoT and Automotive. Dolphin Semiconductor cutting-edge technology IPs in power management, high-quality audio, power metering, and design safety/robustness, allow their customers to accelerate design cycles, foster faster time-to-market and build products that address the challenges of any industry and support a more sustainable world. With a customer-centric approach, Dolphin Semiconductor provides exceptional support for successful project outcomes.

Learn more about DC/DC Converter IP core

Guide to Choosing the Best DCDC Converter for Your Application

This white paper introduces a procedure for choosing the proper DCDC switching converter for a given application. It explains basic, performance, and optional metrics in detail. It also demonstrates other practical aspects that are sometimes overlooked by system designers. Multiple application examples are provided.

How to simplify switch-mode DC-DC converter design

This article focuses on the design issues that are simplified by including an integrated inductor optimized for a range of electrical and layout applications as part of the power management solution

Breaking new energy efficiency records with advanced power management platform

The free lunch offered for decades by Moore’s law is now over and scaling down to the next technology node no longer offers the required energy efficiency gains. Design teams must now pursue their gains by deploying increasingly complex power management techniques to meet the demands of the new IoT markets.

Guide to Choosing the Best LDO for Your Application

To know which LDO you need, you must first define the application of your LDO and then examine which parameters are most important when dealing with that application. With the multiple parameters that characterize a particular LDO, it is not easy to determine which LDO is best suited. To help you figure this out, we have put together this reference. This guide presents a list of all the key LDO parameters along with their definitions, the most common applications of LDOs, and which parameters are critical for each.

Frequently asked questions about DC-DC Converter IP cores

What is TSMC 40nm ULP combo voltage regulator combining a high efficiency DC-DC for operation in normal mode and an ultra-low quiescent uLDO to supply AON domain during sleep mode?

TSMC 40nm ULP combo voltage regulator combining a high efficiency DC-DC for operation in normal mode and an ultra-low quiescent uLDO to supply AON domain during sleep mode is a DC/DC Converter IP core from Dolphin Semiconductor listed on Semi IP Hub. It is listed with support for tsmc In Production.

How should engineers evaluate this DC/DC Converter?

Engineers should review the overview, key features, supported foundries and nodes, maturity, deliverables, and provider information before shortlisting this DC/DC Converter IP.

Can this semiconductor IP be compared with similar products?

Yes. Buyers can compare this product with similar semiconductor IP cores or IP families based on category, provider, process options, and structured technical specifications.

×
Semiconductor IP