Vendor: Lattice Semiconductor Corp. Category: RapidIO

Serial RapidIO - Physical Layer Interface

The Serial RapidIO core supports the physical layer specification as defined in the RapidIO Specification Rev 1.2.

Overview

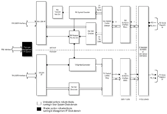
The Serial RapidIO core supports the physical layer specification as defined in the RapidIO Specification Rev 1.2. The Serial RapidIO Physical Layer defines a protocol for packet delivery between Serial RapidIO devices and other devices, including packet transmission, flow control, error management and link maintenance protocols. The core supports one-lane high speed (1x mode) running at 1.0, 2.0 Gbps or a maximum of 2.5 Gbps. This Serial RapidIO core is optimized to support ORT82G5/ORT42G5 FPSCs.

Key features

  • Supports High Speed 1x Mode (up to 2.5 Gbps)
  • 8B/10B Encoding and Decoding
  • Clock and Data Recovery (CDR)
  • Lane Synchronization
  • CRC Generation and Checking
  • Error Detection
  • Packet/Control Symbol Assembly and De-assembly
  • Simple User Interface for Easy Integration into User Logic
  • Targets ORT82G5/ORT42G5 FPSC

Block Diagram

Files

Note: some files may require an NDA depending on provider policy.

Specifications

Identity

Part Number
RLDRAMControllerMACOCore
Vendor
Lattice Semiconductor Corp.
Type
Silicon IP

Provider

Lattice Semiconductor Corp.
HQ: USA
Lattice Semiconductor Corporation provides the industry’s broadest range of Programmable Logic Devices ( PLD), including Field Programmable Gate Arrays ( FPGA), Complex Programmable Logic Devices ( CPLD), Mixed-Signal Power Management and Clock Generation Devices, and industry-leading SERDES products.

Learn more about RapidIO IP core

How to pick a RapidIO switch

Designers have many different options for implementing a RapidIO interconnect. This article outlines the decision factors that designers should consider, organized by project development phases: system design, implementation, system verification, and system evolution. A last section discusses support services, which impact all stages of project development.

Tips for maximizing RapidIO

RapidIO is an open, standards-based interconnection technology for midsize and large embedded systems. It enables packet-switched, peer-to-peer connections among ASICs, DSPs, FPGAs, microprocessors, network processors and backplanes, with speeds of up to

Frequently asked questions about RapidIO IP cores

What is Serial RapidIO - Physical Layer Interface?

Serial RapidIO - Physical Layer Interface is a RapidIO IP core from Lattice Semiconductor Corp. listed on Semi IP Hub.

How should engineers evaluate this RapidIO?

Engineers should review the overview, key features, supported foundries and nodes, maturity, deliverables, and provider information before shortlisting this RapidIO IP.

Can this semiconductor IP be compared with similar products?

Yes. Buyers can compare this product with similar semiconductor IP cores or IP families based on category, provider, process options, and structured technical specifications.

×
Semiconductor IP