Vendor: Certus Semiconductor Category: GPIO

Open-drain I2C and SMBUS, DDC, CEC & HPD IO offerings

Certus is pleased to offer I2C open-drain IOs across multiple process technologies.

Overview

Certus is pleased to offer I2C open-drain IOs across multiple process technologies. The Certus I2C IO can support external supplies of 1.8V, 3.3V and 5V at Fast Mode (400Kbps) and Fast Mode+ (1Mbps) data rates. The Certus solution features power sequence independence, a hysteresis input, and true fail-safe operation. Fully compatible with the Certus GPIO library, this cell can be configured across a broad range of open-drain interfaces, resistive and capacitive loads. Our Open Drain IO solutions are also SMBUS, DDC, CEC and HPD compliant.

Built into our IO libraries, and also offered as a separate service, is our strong ESD expertise. Certus was founded by ESD engineers and our results speak for themselves. Not only do we consistently exceed the standard ESD targets of 2KV HBM and 500V CDM, but we also provide on-chip solutions for standards such as IEC-61000-4-2, system-level ESD and Cable Discharge Events (CDE).

Certus also offers RGMII, Secure Digital, LVDS, Analog/RF, HV and numerous other IO variants across most major foundries and technology nodes. We are particularly suited at providing customized options in a cost-efficient framework. Please contact us for supplementary physical or electrical features that can suit your needs.

Key features

  • I2C Open-drain
    • Fast mode (400kbps) and Fast mode+ (1Mbps) data rates
    • 1.8V - 5V external supply tolerant
    • Output Enable
    • Hysteresis receiver
    • External resistor support of 1K-Ohm to 50K-Ohm
    • Full interoperability with Certus GPIO library
    • Power sequence independence
    • ESD protection of 2KV HBM, 500V CDM
  • Physical Features
    • Flexible cell and pad arrangements
    • Wirebond and Flip-chip support
    • Metal stack variants

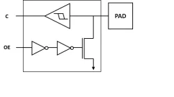
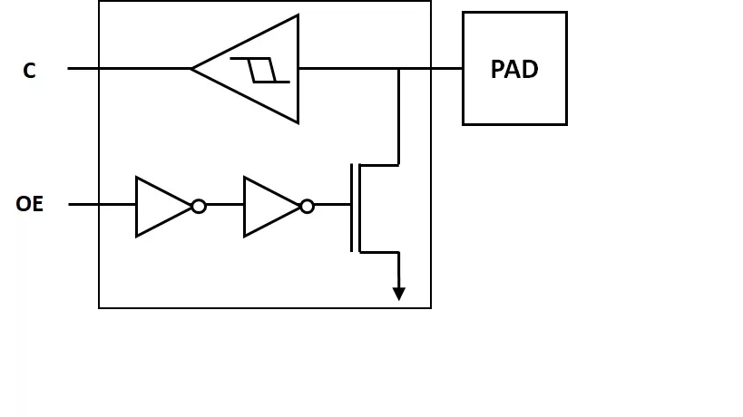
Block Diagram

Benefits

  • Fast Mode and Fast Mode+ data rates
  • 1.8V - 5V external supply
  • External resistor support of 1K-Ohm to 50K-Ohm
  • Hysteresis receiver
  • Interoperability with Certus GPIO libraries
  • Flexible cell and pad arrangements
  • Wirebond & Flip-chip support
  • Metal stack variants
  • Power sequence independence
  • Proven >2KV HBM / 500V CDM ESD protection

Applications

  • I2C, SMBUS, DDC, CEC, HPD

What’s Included?

  • GDS
  • CDL netlist
  • Verilog stub
  • Verilog behavioral model
  • LEF
  • Liberty Timing Files
  • IBIS (option)
  • Electrical datasheet
  • User guide and application notes
  • Consulting and Support

Specifications

Identity

Part Number
Certus I2C
Vendor
Certus Semiconductor

Provider

Certus Semiconductor
HQ: United States
Certus Semiconductor has assembled several of the world’s foremost experts in IO and ESD design to offer our clients the ability to affordably tailor their IO libraries into the optimal fit for their products. Certus is offering the semiconductor industry a unique approach to custom IO libraries, including tailored IO designs, and ESD solutions based on simulations leveraging specialized silicon ESD models. In addition to offering fast turnaround custom IO designs, Certus offers independent ESD design, review and debug services. Through partnerships, Certus is also able to provide ESD testing & TLP support.

Learn more about GPIO IP core

GPIO Solutions for CERN’s Radiation-Hardened Applications

For over a decade, Sofics has collaborated with CERN, the European Organization for Nuclear Research. Sofics has delivered advanced GPIO cells tailored for radiation-hardened applications, supporting CERN’s groundbreaking particle physics experiments.

A Generic Solution to GPIO verification

This paper provides a complete solution to the GPIO Verification for any SoC. GPIO interface is available in every ASIC. To avoid duplicate efforts and (save) time to verify the GPIO interface, we have produced this Generic GPIO verification suite. It is a UVM-based verification environment, with all the necessary subcomponents that are required to verify any GPIO design.

Integrating Post-Quantum Cryptography (PQC) on Arty-Z7

Post-quantum cryptography (PQC) is moving from theory to engineering reality. With NIST-standardized algorithms ML-KEM (FIPS 203) and ML-DSA (FIPS 204) now finalized, FPGA developers face a practical challenge: How to integrate these algorithms efficiently on resource-constrained hardware?

From I2C to I3C: Evolution of Two-Wire Communication in Embedded Systems

The I2C (Inter-Integrated Circuit) Bus invented in 1980 by Philips Semiconductors (NXP Semiconductors today) was a massive step forward in simplifying communications in embedded systems. It is a simple two-wire interface for synchronous, multi-master/multi-slave, single ended serial communication. Fast forward 45 years to today and it is still widely used for attaching low speed peripheral Integrated Circuits (ICs), processors and microcontrollers. But silicon today has changed...

One Platform, Five Libraries: Certus Semiconductor’s I/O IP Portfolio for Every Application on TSMC 22nm ULL/ULP Technologies

Certus Semiconductor’s I/O libraries for TSMC’s 22nm ultra-low leakage (22ULL) and 22nm ultra-low power (22ULP) technologies offer robust, high-performance solutions tailored to a wide range of SoC designs — from ultra-low power IoT nodes to demanding consumer and automotive systems. Whether you need low leakage, high drive strength, or analog compatibility, our production-proven IP covers it all.

Frequently asked questions about GPIO Pad Library IP cores

What is Open-drain I2C and SMBUS, DDC, CEC & HPD IO offerings?

Open-drain I2C and SMBUS, DDC, CEC & HPD IO offerings is a GPIO IP core from Certus Semiconductor listed on Semi IP Hub.

How should engineers evaluate this GPIO?

Engineers should review the overview, key features, supported foundries and nodes, maturity, deliverables, and provider information before shortlisting this GPIO IP.

Can this semiconductor IP be compared with similar products?

Yes. Buyers can compare this product with similar semiconductor IP cores or IP families based on category, provider, process options, and structured technical specifications.

×
Semiconductor IP