Vendor: Weasic Microelectronics Category: LDO Voltage Regulator

Low Noise, High PSRR, Replica LDO

The WEALDOLR18NI2SFN42M22G is a voltage regulator operating from 1.8 V.

GlobalFoundries 22nm FDX View all specifications

Overview

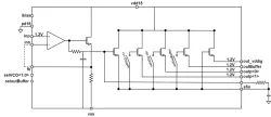
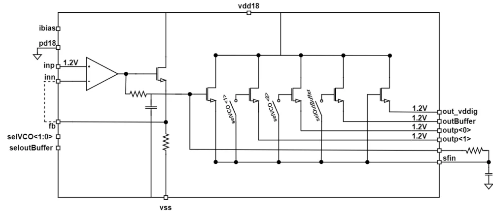
The WEALDOLR18NI2SFN42M22G is a voltage regulator operating from 1.8 V. It provides four output voltages 1.2 V driving output load that sinks specific current. The first two output voltages apply to the VCO, the second drives the OutBuffer and the last one drives the digital circuitry.

Key features

  • Power Supply : 1.8 V
  • Output voltage : 1.2 V
  • Quiescent current: 7.9 mA
  • Maximum current : 101 mA
  • Reference Voltage : 1.2 V
  • PSRR : 56 dB @1 KHz
  • 33 dB @1 MHz
  • Noise @1KHz: -144 dBV/sqrt (Hz)
  • (57 nV/sqrt (Hz))
  • Noise @1MHz: -184 dBV/sqrt (Hz)
  • (0.63 nV/sqrt (Hz))
  • Bandwidth: 8.2 KHz
  • Offest : 48 mV
  • Load regulation:
  • -3.73 mV/mA Iload from 0-60mA
  • (-3.65 mV/mA Iload close to 20mA)
  • WakeUp Time (1) : 34 ns
  • Area : 210 um x 400 um
  • Process : 22FDX
  • Metal Option : 19
  •  
  • (1) Cload=10 pF
  •  

Block Diagram

Files

Note: some files may require an NDA depending on provider policy.

Silicon Options

Foundry Node Process Maturity
GlobalFoundries 22nm FDX

Specifications

Identity

Part Number
WEALDOLR18NI2SFN42M22G
Vendor
Weasic Microelectronics

Provider

Weasic Microelectronics
HQ: Greece
Weasic develops and markets mmWave Analog and Mixed-Signal IP for 5G backhaul, Automotive RADARs and Satellite Radios. Weasic’s world class design team has a strong record of successfully delivering first-pass silicon for the most challenging design specifications in performance, power consumption and silicon area. Weasic’s IP is in production with multiple customers world-wide, including some of the largest names in the industry sectors we serve. Weasic was founded in 2014 and is based in Athens, Greece.

Learn more about LDO Voltage Regulator IP core

The Tradeoffs of Low Dropout (LDO) Voltage Regulator Architectures and the Advantages of "Capless" LDOs

Power management of battery-powered electronic devices is becoming increasingly more important for the microelectronics industry. This white paper details the difference between low dropout (LDO) voltage regulators that use external output capacitors and those that do not, and how your system designs can benefit from not using an output capacitor. Well-designed capless LDO voltage regulators can have multiple benefits, and they are presented here.

Power Management for Internet of Things (IoT) System on a Chip (SoC) Development

There are many factors that must be considered when developing a custom System on a Chip (SoC) for Internet of Things (IoT) applications. Chief among these are the power management circuits on the die. Vidatronic offers this white paper to discuss these considerations and all of the various circuit blocks that can be found in this application. Vidatronic IP solutions are discussed and the benefits they bring to IoT SoC designers.

Tradeoffs of LDO Architectures and the Advantages of Advanced Architecture "Capless" LDOs

Power management of battery-powered electronic devices is becoming increasingly more important for the present and future microelectronics industry. This application note details the difference between low dropout (LDO) voltage regulators that use output capacitance and those that do not and how your system designs can benefit from or be improved by not using an output capacitor.

Introduction to Low Dropout (LDO) Linear Voltage Regulators

Linear voltage regulators are key components in any power-management system that requires a stable and ripple-free power supply. A subset of linear voltage regulators is a class of circuits known as low dropout (LDO) regulators. This paper explains the fundamentals of LDOs and introduces Vidatronic’s LDO technology which solves many of the known shortcomings of LDO circuits.

Frequently asked questions about LDO Voltage Regulator IP cores

What is Low Noise, High PSRR, Replica LDO?

Low Noise, High PSRR, Replica LDO is a LDO Voltage Regulator IP core from Weasic Microelectronics listed on Semi IP Hub. It is listed with support for globalfoundries.

How should engineers evaluate this LDO Voltage Regulator?

Engineers should review the overview, key features, supported foundries and nodes, maturity, deliverables, and provider information before shortlisting this LDO Voltage Regulator IP.

Can this semiconductor IP be compared with similar products?

Yes. Buyers can compare this product with similar semiconductor IP cores or IP families based on category, provider, process options, and structured technical specifications.

×
Semiconductor IP