Vendor: Agile Analog Category: Voltage Monitor

IR Drop Sensor

The agileIRDROP I-R Drop Sensor is a circuit to detect supply I-R drops within the system.

Overview

The agileIRDROP I-R Drop Sensor is a circuit to detect supply I-R drops within the system. It is useful to detect loss of power or attacks to the power supply.

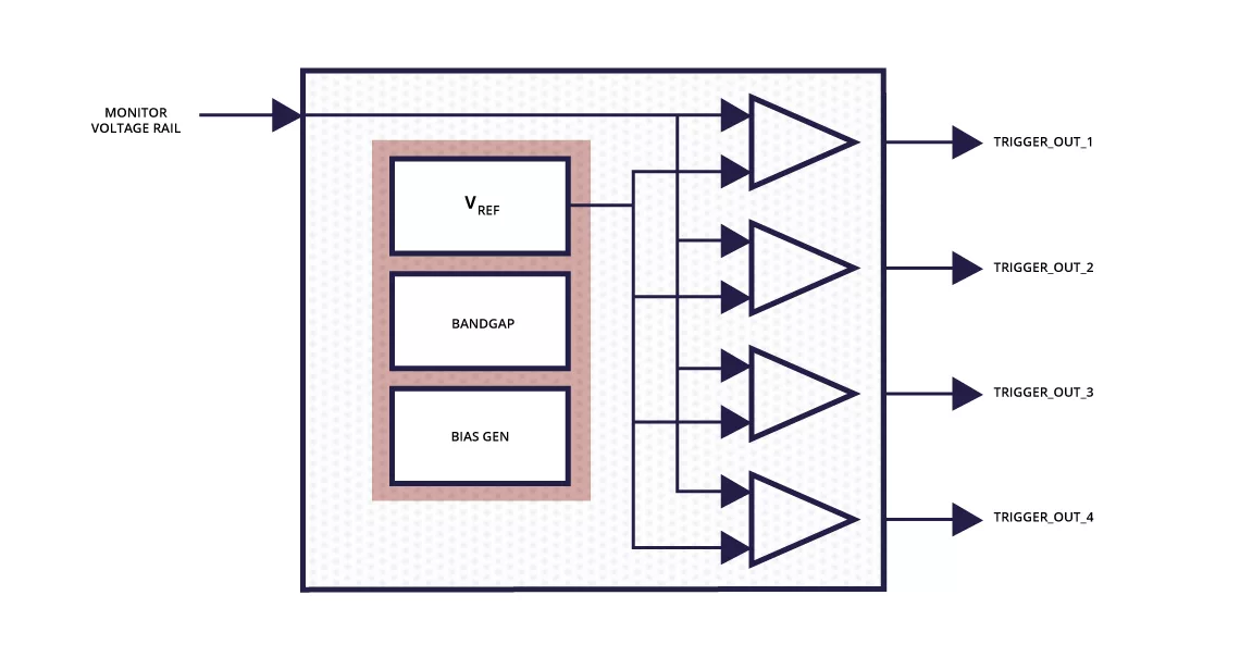
The agileIRDROP consists of a voltage reference and comparator(s) set at different threshold levels for multi-level detection. The number of trigger outputs can be customized, and each threshold can be adjusted during operation to support DVFS operation. A four-output configuration is shown in the block diagram as reference.

Agile Analog designs are based on tried and tested architectures to ensure reliability and functionality. Our design methodology is programmatic, systematic and repeatable leading to analog IP that is more verifiable, more robust and more reliable. Our methodology also allows us to quickly re-target our IP to different process options. We support all the major foundries including TSMC, GlobalFoundries, Intel Foundry, Samsung Foundry, UMC and Other Foundries.

Key features

  • Active current current: 120uA
  • Powered-down current: <1uA
  • Detection time: 25nS typ.
  • Hysteresis: 20mV typ.
  • Threshold step size: 20mV typ.
  • Threshold accuracy: 5%/1% (trimmed)
  • Operation over wide temperature range: -40°C to 125°C

Block Diagram

Benefits

  • Low Iq
  • • Low current consumption for power sensitive applications
  • Multiple Outputs
  • • Use as a single reference for your SoC

Applications

  • IoT, Security, Automotive, AI, SoCs, ASICs

What’s Included?

  • Datasheet
  • Testing and Integration Guide
  • Verilog Models
  • Floorplan (LEF)
  • Timing models (LIB)
  • Netlist (CDL)
  • Layout (GDS)
  • Physical Verification Report
  • Design Report

Files

Note: some files may require an NDA depending on provider policy.

Specifications

Identity

Part Number
agileIRDROP
Vendor
Agile Analog

Provider

Agile Analog
HQ: United Kingdom
Agile Analog is transforming the world of analog IP with Composa™, its innovative, configurable, multi-process analog IP technology. Headquartered in Cambridge, UK, with a growing number of partners and customers across the globe, Agile Analog has developed a unique way to automatically generate analog IP that meet the customer’s exact specifications on almost any process from any foundry. The company provides a wide and ever expanding selection of analog IP and subsystems for power management, data conversion, IC health and monitoring, security and always-on domains. Agile Analog's novel approach utilises tried and tested analog circuits within its Composa library to create customised and verified analog IP solutions. This reduces the time to market and increases quality, helping to accelerate innovation in semiconductor design.

Learn more about Voltage Monitor IP core

How to Design Secure SoCs: Essential Security Features for Digital Designers

In this comprehensive guide, we will explore the essential components of secure SoC design and explain how a robust security subsystem can protect sensitive assets throughout the chip’s lifecycle. Additionally, we will dive into how KiviCore’s specialized consultancy services can help ASIC and SoC design companies navigate the complex security landscape, ensuring the creation of secure and reliable chips that meet the rigorous demands of industries like IoT, data processing, consumer, telecommunication and beyond.

Synopsys Expands Collaboration with Arm to Accelerate the Automotive Industry’s Transformation to Software-Defined Vehicles

Rising software complexity, tighter development timelines, and cost pressures require automotive companies to re-engineer how they design, deploy, and maintain their system architectures. Addressing these challenges requires an agile, collaborative approach to engineering — from silicon to systems — along with trusted partners capable of delivering powerful, integrated solutions.

Frequently asked questions about Voltage Monitor IP cores

What is IR Drop Sensor?

IR Drop Sensor is a Voltage Monitor IP core from Agile Analog listed on Semi IP Hub.

How should engineers evaluate this Voltage Monitor?

Engineers should review the overview, key features, supported foundries and nodes, maturity, deliverables, and provider information before shortlisting this Voltage Monitor IP.

Can this semiconductor IP be compared with similar products?

Yes. Buyers can compare this product with similar semiconductor IP cores or IP families based on category, provider, process options, and structured technical specifications.

×
Semiconductor IP