Vendor: Dolphin Semiconductor Category: DC/DC Converter

High efficiency and Low BoM DC-DC designed in GobalFoundries 22FDX

High efficiency DC-DC converter designed in GF 22FDX with full PWM operation mode.

GlobalFoundries 22nm FDX In Production View all specifications

Overview

High efficiency DC-DC converter designed in GF 22FDX with full PWM operation mode. Can be configured with output current from 100 mA to 2A

Key features

  • Works with a smaller inductance size compared to previous product generation
  • High efficiency buck regulator (up to 95% peak), over wide load current range
  • Pulse With Modulation (PWM) mode enabling to master the frequency response when supplying noise-sensitive analog loads
  • Automatic mode change of the Power Stage Unit, maintaining high-efficiency at low load current

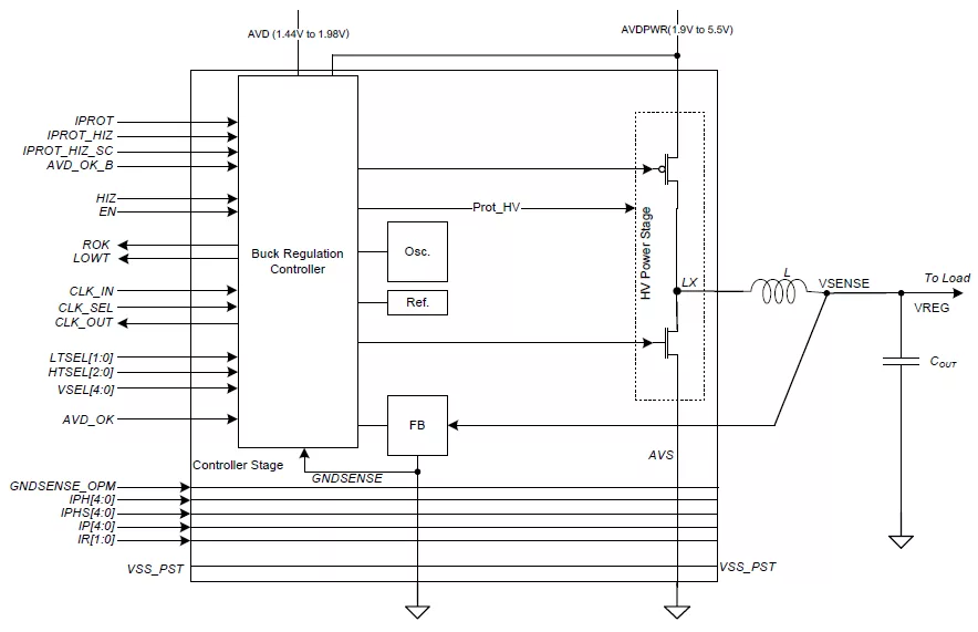
Block Diagram

Files

Note: some files may require an NDA depending on provider policy.

Silicon Options

Foundry Node Process Maturity
GlobalFoundries 22nm FDX In Production

Specifications

Identity

Part Number
eSR-Tugela-OV-LB-Bu-ref-1.9-5.5-0.5-3.3.03_GF_22_FDX
Vendor
Dolphin Semiconductor

Provider

Dolphin Semiconductor
HQ: France
Dolphin Semiconductor is a leading provider of semiconductor IP solutions, specializing in mixed signal IP design targeting markets such as Industrial, High-Performance Computing, Consumer Electronics, IoT and Automotive. Dolphin Semiconductor cutting-edge technology IPs in power management, high-quality audio, power metering, and design safety/robustness, allow their customers to accelerate design cycles, foster faster time-to-market and build products that address the challenges of any industry and support a more sustainable world. With a customer-centric approach, Dolphin Semiconductor provides exceptional support for successful project outcomes.

Learn more about DC/DC Converter IP core

Guide to Choosing the Best DCDC Converter for Your Application

This white paper introduces a procedure for choosing the proper DCDC switching converter for a given application. It explains basic, performance, and optional metrics in detail. It also demonstrates other practical aspects that are sometimes overlooked by system designers. Multiple application examples are provided.

How to simplify switch-mode DC-DC converter design

This article focuses on the design issues that are simplified by including an integrated inductor optimized for a range of electrical and layout applications as part of the power management solution

Breaking new energy efficiency records with advanced power management platform

The free lunch offered for decades by Moore’s law is now over and scaling down to the next technology node no longer offers the required energy efficiency gains. Design teams must now pursue their gains by deploying increasingly complex power management techniques to meet the demands of the new IoT markets.

Guide to Choosing the Best LDO for Your Application

To know which LDO you need, you must first define the application of your LDO and then examine which parameters are most important when dealing with that application. With the multiple parameters that characterize a particular LDO, it is not easy to determine which LDO is best suited. To help you figure this out, we have put together this reference. This guide presents a list of all the key LDO parameters along with their definitions, the most common applications of LDOs, and which parameters are critical for each.

Frequently asked questions about DC-DC Converter IP cores

What is High efficiency and Low BoM DC-DC designed in GobalFoundries 22FDX?

High efficiency and Low BoM DC-DC designed in GobalFoundries 22FDX is a DC/DC Converter IP core from Dolphin Semiconductor listed on Semi IP Hub. It is listed with support for globalfoundries In Production.

How should engineers evaluate this DC/DC Converter?

Engineers should review the overview, key features, supported foundries and nodes, maturity, deliverables, and provider information before shortlisting this DC/DC Converter IP.

Can this semiconductor IP be compared with similar products?

Yes. Buyers can compare this product with similar semiconductor IP cores or IP families based on category, provider, process options, and structured technical specifications.

×
Semiconductor IP