Vendor: T2M GmbH Category: Single-Protocol PHY

Display Port v1.4 Rx PHY & Controller IP, Silicon Proven in UMC 40SP

The Display Port 1.4 Rx IP Channel's maximum capacity is supported.

UMC 40nm LP In Production View all specifications

Overview

The Display Port 1.4 Rx IP Channel's maximum capacity is supported. Programmable analogue parameters including CDR Bandwidth, Equalizer Strength, Terminator Resistor, and BGR Voltage are available up to 5.4bps per channel (HBR2). Additionally, they offer alternatives for testability such the PLL alone test and the analogue signal monitor.

Key features

  • DisplayPort version 1.4 compliant receiver
  • PHY supports 1.62Gbps (RBR) to 5.4Gbps (HBR2) bit rate
  • Integrated 100-ohm termination resistors with common-mode biasing
  • Integrated equalizer with tunable strength
  • eDP version 1.4a / DP version 1.3 compliant
  • receiver Supports HDCP1.4 and HDCP2.2(Optional)
  • Consists of configurable (4/2/1) link channels and one AUX channel
  • Supports 1.62Gbps (RBR), 5.4Gbps (HBR2) and 8.1 Gbps (HBR3) bit rate
  • Supports main link operation with 1 or 2 or 4 lanes Supports both Default and Enhanced Framing Mode Supports SST mode
  • Supports video packet and audio packet
  • Supports 18 / 24 bit RGB digital video output format Master I2C interface for DDC connection
  • Interface to external HDCP key storage
  • Configuration registers programmable via AMBA interface
  • Configurable analog characteristics
  • CDR bandwidth
  • Equalizer strength
  • Terminator resistance
  • BGR voltage
  • Regulator voltage
  • Support PLL test and internal analog signal monitor
  • 1.8V/0.9V power supply
  • Silicon Proven in UMC 40nm SP.

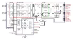
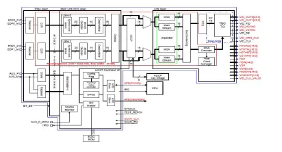
Block Diagram

What’s Included?

  • Verilog RTL or netlist source code of LINK controller.
  • Abstracted timing models for synthesis and STA
  • Timing constrains for synthesis and physical layout
  • Behavioural Verilog Model, simulation test bench, run control scripts, and test stimuli
  • Physical design database
  • Integration guidelines
  • Reference software sample code

Files

Note: some files may require an NDA depending on provider policy.

Silicon Options

Foundry Node Process Maturity
UMC 40nm LP In Production

Specifications

Identity

Part Number
DisplayPort 1.4 Rx PHY IP in 40SP
Vendor
T2M GmbH

Provider

T2M GmbH
T2M GmbH is the leading Global Technology Company supplying state of the art complex semiconductor connectivity IPs and KGDs, enabling the creation of complex connected devices for Mobile, IoT and Wearable markets. T2M's unique SoC White Box IPs are the design database of mass production RF connectivity chips supporting standards including Wifi, BT, BLE, Zigbee, NFC, LTE, GSM, GNS. They are available in source code as well as KGD for SIP / modules. With offices in USA, Europe, China, Taiwan, South Korea, Japan, Singapore and India, T2M’s highly experienced team provides local support, accelerating product development and Time 2 Market.

Learn more about Single-Protocol PHY IP core

UFS Goes Mainstream

UniversalFlash Storage (UFS) was created for mobile applications and computer systems requiring high performance and low power consumption. These systems typically use embedded Flash based on the JEDEC standard eMMC. UFS was defined by JEDEC as the evolutionary replacement for eMMC offering significantly higher memory bandwidth. The standard builds on existing standards such as the SCSI command set, the MIPI Alliance M-PHY and UniPro as well as eMMC form factors to simplify adoption and development.

Design IP Faster: Introducing the C~ High-Level Language

In this paper, we introduce a new high-level, dataflow programming language called C~ (“C flow”) that further increases productivity by raising the level of abstraction from behavioral descriptions, while overcoming the limitations of C for hardware design. We present the syntax and semantics of this language, and the framework that provides hardware and software code generation. This paper illustrates the benefits of using C~ for hardware design of a IEEE 802.3 MAC, synthesized for FPGA and for 90nm CMOS technology.

Universal Flash Storage: Mobilize Your Data

Universal Flash Storage (UFS) was created for mobile applications and computer systems requiring high performance and low power consumption. These systems typically use embedded Flash based on the JEDEC standard eMMC. UFS was defined by JEDEC as the evolutionary replacement for eMMC offering significantly higher memory bandwidth. The standard builds on existing standards such as the SCSI command set, the MIPI Alliance M-PHY and UniProSM as well as eMMC form factors to simplify adoption and development.

Can MIPI and MDDI Co-Exist?

Since MIPI and MDDI standards both target interfaces to cameras and displays on mobile devices, are two separate standards really needed?

Frequently asked questions about Single-Protocol PHY IP

What is Display Port v1.4 Rx PHY & Controller IP, Silicon Proven in UMC 40SP?

Display Port v1.4 Rx PHY & Controller IP, Silicon Proven in UMC 40SP is a Single-Protocol PHY IP core from T2M GmbH listed on Semi IP Hub. It is listed with support for umc In Production.

How should engineers evaluate this Single-Protocol PHY?

Engineers should review the overview, key features, supported foundries and nodes, maturity, deliverables, and provider information before shortlisting this Single-Protocol PHY IP.

Can this semiconductor IP be compared with similar products?

Yes. Buyers can compare this product with similar semiconductor IP cores or IP families based on category, provider, process options, and structured technical specifications.

×
Semiconductor IP