Vendor: Certus Semiconductor Category: Oscillator

A 28nm 1.8V-3.3V Fail-Safe General-Purpose IO & OSC

This 28nm GPIO is designed for high-speed (>150MHz output, >250MHz input) applications.

Overview

This 28nm GPIO is designed for high-speed (>150MHz output, >250MHz input) applications. The IO operates at either 1.8V or 3.3V and can dynamically switch between these voltages during operation. The cell is power sequence-independent and is fully self-protecting during the power ramp. A unique feature of the 28nm GPIO is its fail-safe capability. Though a full push-pull IO, the part can be powered down and leak low current from externally driven active signals, much like an open-drain IO.

Built into our IO libraries and also offered as a separate service is our strong ESD expertise. Certus was founded by ESD engineers, and our results speak for themselves. We consistently exceed 2KV HBM and 500V CDM ESD targets and provide on-chip solutions for standards such as IEC-61000-4-2, system-level ESD, and Cable Discharge Events (CDE).

Certus supports IO libraries across multiple TSMC nodes, including 180nm, 130nm, 40nm, 28nm, 22nm, and 16/12nm. Certus is particularly suited at providing custom variants in a cost-efficient framework. Please contact us for supplementary physical or electrical features that can suit your needs.

Key features

  • Fail-Safe GPIO in TSMC 28nm process technology
    • JEDEC LVCMOS compliant
    • RGMII, SD capable
    • 1.8V-3.3V dynamic multi-voltage operation
    • Selectable drive strengths
    • Selectable input hysteresis
    • 20um pitch, 180um tall cell
    • Triple-row staggered wirebond pad arrangement
    • >2kV HBM, 500V CDM ESD
  • Physical features
    • 20um x 186um cell size
    • 9 metals - 6X2Z
    • 20um pitch, triple row staggered wirebond
  • This library also features a 33MHz OSC (3.3V).

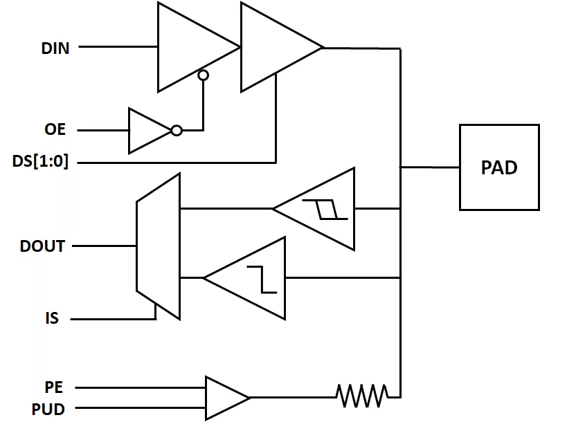
Block Diagram

Benefits

  • Tight cell pitch
  • Small footprint triple staggered wirebond
  • Fast GPIO
  • Fail-Safe IO
  • Power sequence independence
  • Selectable input hysteresis
  • Proven HBM & CDM ESD protection

Applications

  • General Purpose Applications
  • Memory interfaces
  • Open-Drain IO applications
  • RGMII
  • FLASH and SD Card interfaces
  • UARTS

What’s Included?

  • GDS
  • CDL netlist
  • Verilog stub
  • Verilog behavioral model
  • LEF
  • Liberty Timing Files
  • IBIS (option)
  • Electrical datasheet
  • User guide and application notes
  • Consulting and Support

Specifications

Identity

Part Number
28nm Fail-Safe IO Library
Vendor
Certus Semiconductor

Provider

Certus Semiconductor
HQ: United States
Certus Semiconductor has assembled several of the world’s foremost experts in IO and ESD design to offer our clients the ability to affordably tailor their IO libraries into the optimal fit for their products. Certus is offering the semiconductor industry a unique approach to custom IO libraries, including tailored IO designs, and ESD solutions based on simulations leveraging specialized silicon ESD models. In addition to offering fast turnaround custom IO designs, Certus offers independent ESD design, review and debug services. Through partnerships, Certus is also able to provide ESD testing & TLP support.

Learn more about Oscillator IP core

A Flexible 200kHz-20MHz Ring Oscillator in a 40nm CMOS Technology

In this paper, we present a flexible ring oscillator IP designed for a 40nm CMOS technology, whose oscillation frequency can be chosen from 200kHz to 20MHz. It was developed using a new design approach, in which analog IPs are designed from scratch to be flexible, employing modular blocks that can be easily customized. The IP is silicon proven. It works with a supply voltage of 1.2V and features 5% frequency accuracy, occupying an area of 0.0022mm2.

Creating a Frequency Plan for a System using a PLL

How do you ensure that every part of a system receives the clock it needs—without wasting power or sacrificing performance? The answer lies in creating a well-structured frequency plan built around a PLL.

Frequently asked questions about Oscillator IP cores

What is A 28nm 1.8V-3.3V Fail-Safe General-Purpose IO & OSC?

A 28nm 1.8V-3.3V Fail-Safe General-Purpose IO & OSC is a Oscillator IP core from Certus Semiconductor listed on Semi IP Hub.

How should engineers evaluate this Oscillator?

Engineers should review the overview, key features, supported foundries and nodes, maturity, deliverables, and provider information before shortlisting this Oscillator IP.

Can this semiconductor IP be compared with similar products?

Yes. Buyers can compare this product with similar semiconductor IP cores or IP families based on category, provider, process options, and structured technical specifications.

×
Semiconductor IP