Vendor: Canova Tech Srl Category: PVT Monitor

TSMC 28HPC+ Process Monitor

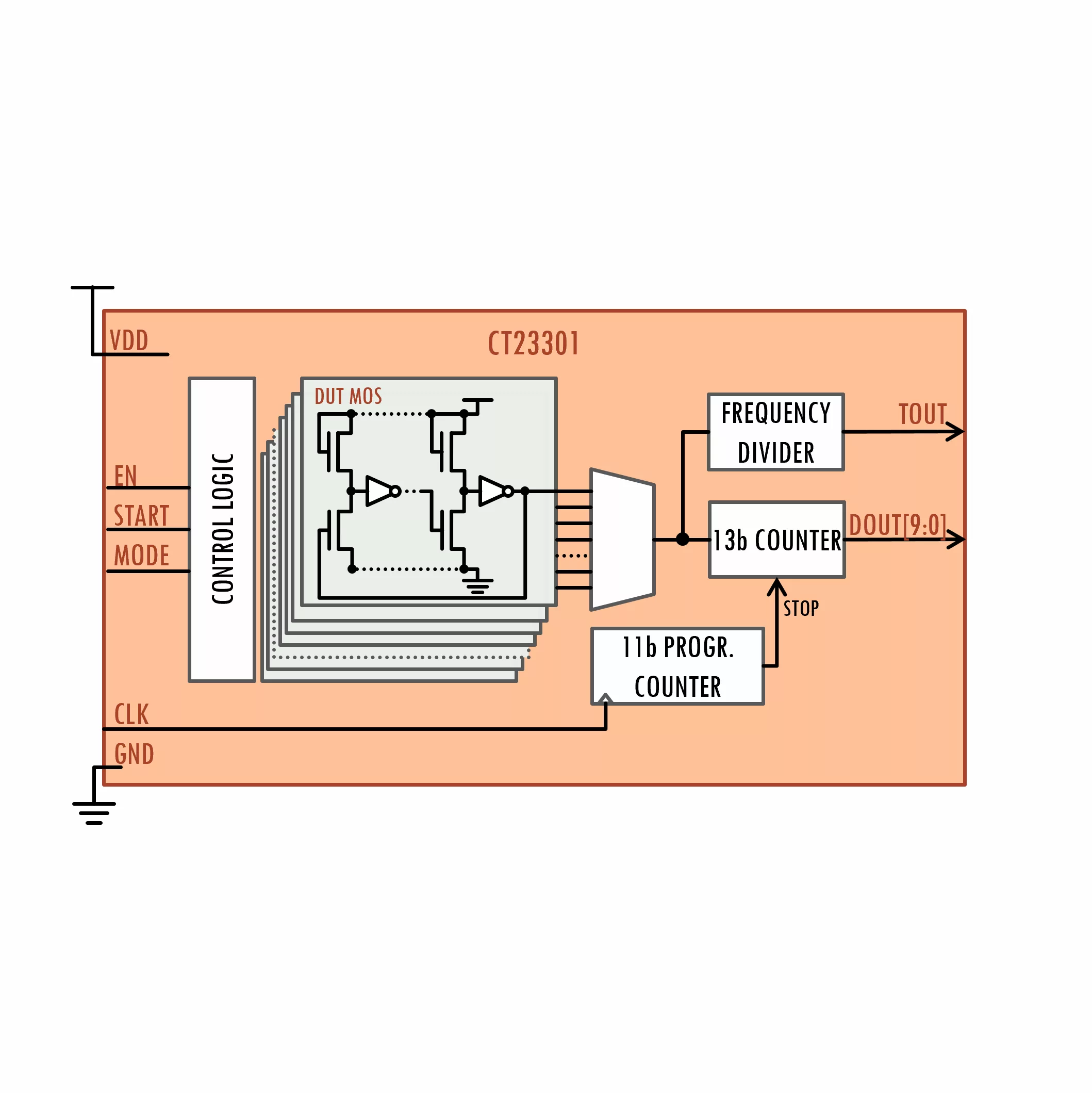
CT23301 provides means to determine the process corner speed of some pre-defined MOS devices in the TSMC 28n technology node.

TSMC 28nm HPC+ View all specifications

Overview

CT23301 provides means to determine the process corner speed of some pre-defined MOS devices in the TSMC 28n technology node.

The process corner (fast or slow) can be evaluated using the measured output value of CT23301 to calculate the frequency result, which has to be compared with a defined table.

The IP has been designed to have the capability of monitoring both core NMOS or PMOS process corner for the ultra-low Vt, standard Vt and high Vt devices.

The ring oscillators (one for each of the selected DUTs) are connected to digital part which is composed of 2 counters and a finite-state machine (FSM), which enables the oscillator of the device under test (DUT) and properly controls the counters to perform the frequency measure of the selected oscillator.

The output result is a value proportional to the frequency of the DUT oscillator.

Key features

  • Supply 0.9V
  • SVT, HVT and ULVT P and N devices

Block Diagram

Applications

  • General Purposes IP

What’s Included?

  • Datasheet
  • Integration guidelines
  • GDS2 and LVS Netlist
  • Footprint (.LEF)
  • Test Specifications

Files

Note: some files may require an NDA depending on provider policy.

Silicon Options

Foundry Node Process Maturity
TSMC 28nm HPC+

Specifications

Identity

Part Number
CT23301
Vendor
Canova Tech Srl

Provider

Canova Tech Srl
HQ: Italy
Based in Padova, Italy, Canova Tech has been providing Standards and Custom IP plus Design Services for full IC Integration, to a global client base of tier-one companies since 2005. Our Engineers attend and contribute to several Standards, including IEEE 802.3 initiatives, OPEN Alliance and USB IF. We understand and implement Customer requirements from concept definition down to transfer to production. Our Customers benefit directly from our insight into the market direction through our fundamental values, Technology Innovation, State of the Art mixed-signal Design Methodology and the Quality of Deliverables.

Learn more about PVT Monitor IP core

Frequently asked questions about PVT Monitor IP cores

What is TSMC 28HPC+ Process Monitor?

TSMC 28HPC+ Process Monitor is a PVT Monitor IP core from Canova Tech Srl listed on Semi IP Hub. It is listed with support for tsmc.

How should engineers evaluate this PVT Monitor?

Engineers should review the overview, key features, supported foundries and nodes, maturity, deliverables, and provider information before shortlisting this PVT Monitor IP.

Can this semiconductor IP be compared with similar products?

Yes. Buyers can compare this product with similar semiconductor IP cores or IP families based on category, provider, process options, and structured technical specifications.

×
Semiconductor IP