Vendor: VEGA Semiconductor Category: Single-Protocol PHY

USB 2.0 PHY

The IP is a USB PHY based on TSMC 180nm process.

TSMC 180nm BCDG2 Available on request View all specifications

Overview

The IP is a USB PHY based on TSMC 180nm process.

Key features

  • Process: TSMC 180nm 1.8v/3.3v 1P6M process
  • SNR: 96dB@1.8V for 48kHz
  • DR: 95dB@1.8V for 48kHz
  • Digital HPF for DC-Offset cancel
  • Power Supply: Analog power supply 2.6V ~ 3V ~3.6V
  • Digital power supply 1.08V~ 1.2V ~ 1.32V
  • Operated Ambient Temperature: Ta = -40 ~ 85°C
  • Operated Junction Temperature: Tj = -40~125°C

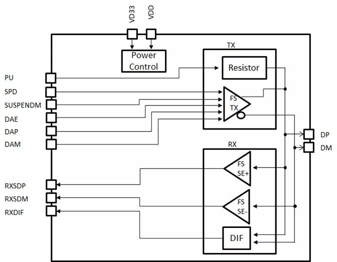
Block Diagram

Silicon Options

Foundry Node Process Maturity
TSMC 180nm BCDG2 Available on request

Specifications

Identity

Part Number
USB PHY_V0.0.1
Vendor
VEGA Semiconductor

Provider

VEGA Semiconductor
HQ: Taiwan
VEGA SEMICONDUCTOR Corp. is a leading fabless ASIC design company providing Analog and Mixed-Signal IP Cores.

Learn more about Single-Protocol PHY IP core

UFS Goes Mainstream

UniversalFlash Storage (UFS) was created for mobile applications and computer systems requiring high performance and low power consumption. These systems typically use embedded Flash based on the JEDEC standard eMMC. UFS was defined by JEDEC as the evolutionary replacement for eMMC offering significantly higher memory bandwidth. The standard builds on existing standards such as the SCSI command set, the MIPI Alliance M-PHY and UniPro as well as eMMC form factors to simplify adoption and development.

Design IP Faster: Introducing the C~ High-Level Language

In this paper, we introduce a new high-level, dataflow programming language called C~ (“C flow”) that further increases productivity by raising the level of abstraction from behavioral descriptions, while overcoming the limitations of C for hardware design. We present the syntax and semantics of this language, and the framework that provides hardware and software code generation. This paper illustrates the benefits of using C~ for hardware design of a IEEE 802.3 MAC, synthesized for FPGA and for 90nm CMOS technology.

Universal Flash Storage: Mobilize Your Data

Universal Flash Storage (UFS) was created for mobile applications and computer systems requiring high performance and low power consumption. These systems typically use embedded Flash based on the JEDEC standard eMMC. UFS was defined by JEDEC as the evolutionary replacement for eMMC offering significantly higher memory bandwidth. The standard builds on existing standards such as the SCSI command set, the MIPI Alliance M-PHY and UniProSM as well as eMMC form factors to simplify adoption and development.

Can MIPI and MDDI Co-Exist?

Since MIPI and MDDI standards both target interfaces to cameras and displays on mobile devices, are two separate standards really needed?

Frequently asked questions about Single-Protocol PHY IP

What is USB 2.0 PHY?

USB 2.0 PHY is a Single-Protocol PHY IP core from VEGA Semiconductor listed on Semi IP Hub. It is listed with support for tsmc Available on request.

How should engineers evaluate this Single-Protocol PHY?

Engineers should review the overview, key features, supported foundries and nodes, maturity, deliverables, and provider information before shortlisting this Single-Protocol PHY IP.

Can this semiconductor IP be compared with similar products?

Yes. Buyers can compare this product with similar semiconductor IP cores or IP families based on category, provider, process options, and structured technical specifications.

×
Semiconductor IP