Vendor: Weasic Microelectronics Category: Amplifier

Special Purpose Low offset Operational Amplifier

The WEAOPSLO18NI18RO12M22G is a special purpose low offset and low noise opamp.

GlobalFoundries 22nm FDX View all specifications

Overview

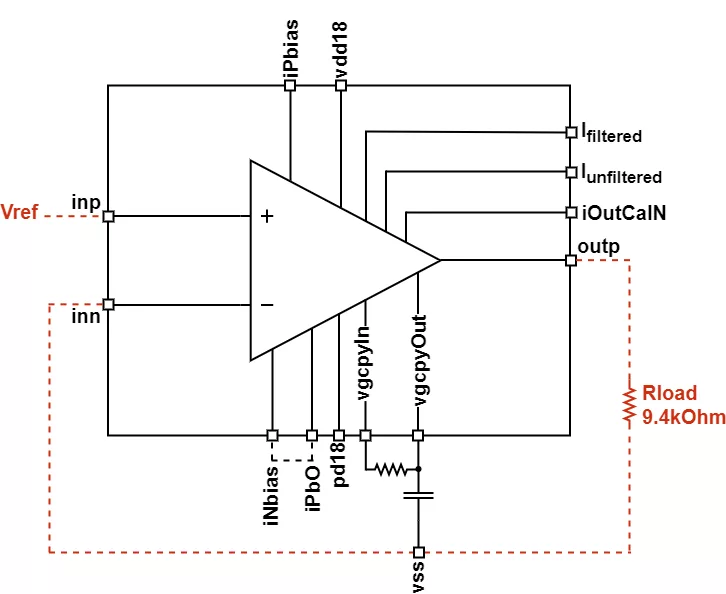
The WEAOPSLO18NI18RO12M22G is a special purpose low offset and low noise opamp. The opamp architecture is two-stage Miller with RC compensation. The opamp provides current outputs that copy the current flowing out of the main opamp output. This feature allows easy poly current generation since the current copied at the current outputs will have a relation of Vref/Rload when the opamp is connected as a unity gain buffer with vref at its positive input. (figure 2). There are two sets of current outputs: general purpose unfiltered outputs and filtered outputs required by low noise circuits.

Key features

  • Power Supply : 1.8 V
  • Open loop gain : 112 dB
  • PSRR : 81 dB@ 1 KHz
  • 21 dB@ 1 MHz
  • Noise @100 KHz : -166 dBV/sqrt (Hz)
  • 5.1 nV/sqrt (Hz)
  • Noise @1 MHz : -167 dBV/sqrt (Hz)
  • 4.46 nV/sqrt (Hz)
  • Offset :14 uV
  • Bandwidth : 26 Hz
  • Output impedance : 135 Kohm
  • Power Consumption :
  • Slew rate : 6.8 V/us
  • Distortion SFDR @1 MHz
  • (Vin 500m Vp-p ): 67 dB
  • Area : 95 um x 63 um
  • Process : 22FDX
  • Metal Option : 19
  •  

Block Diagram

Silicon Options

Foundry Node Process Maturity
GlobalFoundries 22nm FDX

Specifications

Identity

Part Number
WEAOPSLO18NI18RO12M22G
Vendor
Weasic Microelectronics
Type
Silicon IP

Files

Note: some files may require an NDA depending on provider policy.

Provider

Weasic Microelectronics
HQ: Greece
Weasic develops and markets mmWave Analog and Mixed-Signal IP for 5G backhaul, Automotive RADARs and Satellite Radios. Weasic’s world class design team has a strong record of successfully delivering first-pass silicon for the most challenging design specifications in performance, power consumption and silicon area. Weasic’s IP is in production with multiple customers world-wide, including some of the largest names in the industry sectors we serve. Weasic was founded in 2014 and is based in Athens, Greece.

Learn more about Amplifier IP core

Powering the Future of RF: Falcomm and GlobalFoundries at IMS 2025

GF’s comprehensive RF portfolio, including our industry-leading RFSOI, SiGe, 22FDX+ and RF GaN platforms, is purpose-built to push the boundaries of what’s possible in connectivity, but we’re not doing it alone. Together with innovative partners like Falcomm, we’re moving the industry forward, providing our customers with cutting-edge solutions to enhance performance, power and integration and create connected technologies with higher signal quality, better efficiency and longer battery life.

How to Elevate RRAM and MRAM Design Experience to the Next Level

This article will explore the potential advantages of RRAM and MRAM in various applications and elucidate why such new technologies are imperative to address future memory demands, as well as some challenges designers may encounter in the implementation.

Frequently asked questions about Amplifier IP cores

What is Special Purpose Low offset Operational Amplifier?

Special Purpose Low offset Operational Amplifier is a Amplifier IP core from Weasic Microelectronics listed on Semi IP Hub. It is listed with support for globalfoundries.

How should engineers evaluate this Amplifier?

Engineers should review the overview, key features, supported foundries and nodes, maturity, deliverables, and provider information before shortlisting this Amplifier IP.

Can this semiconductor IP be compared with similar products?

Yes. Buyers can compare this product with similar semiconductor IP cores or IP families based on category, provider, process options, and structured technical specifications.

×
Semiconductor IP