Vendor: Key ASIC Category: High-Speed

LVDS IO handling data rate up to 50Mbps with maximum loading 60pF

KA16UGLVDS01ST001 is a LVDS IO handling data rate up to 50Mbps with a maximum loading of 60pF.

Overview

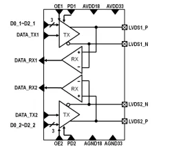
KA16UGLVDS01ST001 is a LVDS IO handling data rate up to 50Mbps with a maximum loading of 60pF. The differential voltage swing can be programmable from 0.35V to 1V. The output enable control function can be activated to decide the IO as input/output function. This IP also includes the IO PAD.

Key features

  • Process: Silterra 0.16um CMOS 1P5M Process
  • Supply Voltage Range: AVDD33 = 3.3v +/-10%, AVDD18 = 1.8v +/-10%
  • Ambient Temperature: 0°C~80°C
  • Compatible with BLVDS_25 of Spartan-3A FPGA
  • Bi-direction (half-duplex)
  • External Termination Resistor: RT = 120Ω
  • Maximum Running Data Rate 50 Mbps with Maximum Loading 60pF
  • <3-bit> Programmable Output Differential Voltage from 0.35V to 1V
  • ESD: 2kV HBM and 200V MM

Block Diagram

Benefits

  • The differential voltage swing can be programmable from 0.35V to 1V.

Applications

  • Consumer
  • Industrial Electronic

What’s Included?

  • Compatible with BLVDS_25 of Spartan-3A FPGA

Specifications

Identity

Part Number
KA16UGLVDS01ST001
Vendor
Key ASIC
Type
Silicon IP

Provider

Key ASIC
HQ: Malaysia
Key ASIC was incorporated in the year 2005. In 2006, we were awarded Multimedia Super Corridor (MSC) Status by the Malaysia Digital Economy Corporation (MDEC). We started with the design of IP, ASIC, and SoC. In 2009, we were listed on the main board of KLSE. Khazanah and CIMB are our main investors. Key ASIC is not only a leading ASIC / SoC design service company, we are also a turnkey service company from spec-in to system module that focuses on AI chips, IoT, and medical applications. We are committed to providing customers with competitive SoC professional one-stop design services in terms of PPA (Performance, Power, and Area). Based in Kuala Lumpur, Malaysia with R&D Centers in Malaysia and Tai Yuen Hi-Tech Industrial Park Taiwan, Key ASIC provides ODM and OEM of ASIC design services from Specification, RTL, Netlist to silicon, as well as process migration from GDSII. Our experienced SoC designer and engineers combined with extensive manufacturing, logistics resources, and a flexible engagement model can provide Key ASIC customers with a comprehensive support system for modular ASIC innovation from IP development through prototype to production.

Learn more about High-Speed IP core

PCIe 5.0: The universal high-speed interconnect for High Bandwidth and Low Latency Applications Design Challenges & Solutions

Innosilicon, a leading IP provider, offers a complete PCIe 5.0 solution stack that includes both PHY and controller IPs. Although both layers are crucial to achieving a fully compliant and high-performance PCIe interface, this paper deep dives into the technical challenges of PHY design, highlighting insights drawn from real-world design margins, receiver robustness, and advanced jitter analysis in the context of Gen5 systems.

Frequently asked questions about High-Speed I/O Pad IP

What is LVDS IO handling data rate up to 50Mbps with maximum loading 60pF?

LVDS IO handling data rate up to 50Mbps with maximum loading 60pF is a High-Speed IP core from Key ASIC listed on Semi IP Hub.

How should engineers evaluate this High-Speed?

Engineers should review the overview, key features, supported foundries and nodes, maturity, deliverables, and provider information before shortlisting this High-Speed IP.

Can this semiconductor IP be compared with similar products?

Yes. Buyers can compare this product with similar semiconductor IP cores or IP families based on category, provider, process options, and structured technical specifications.

×
Semiconductor IP