Vendor: NTLab Category: Bluetooth

BLE Advertising Transmitter RF Frontend

130GF_BLE_01 is a small area transmitter with output frequency range 2.4…2.48GHz.

GlobalFoundries 130nm BCD Pre-Silicon View all specifications

Overview

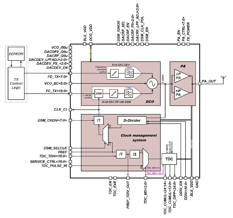
130GF_BLE_01 is a small area transmitter with output frequency range 2.4…2.48GHz. Nominal value of output power can be either -20dBm or 0dBm. The IP does not use any reference frequency, so necessary frequency tolerance is provided by high resolution digital control via frequency control words FC_TX and FD_TX. These control words response, correspondingly, for slow control of carrier frequency and fast control of frequency deviation. Correct generation of these words are performed externally. This external processing may include GFSK signal modulation, storing temperature-dependent constants for frequency adjustment etc. The internal digitally-controlled oscillator (DCO) core is based on LC tank oscillator with two control inputs. Bus TX_CTRL provides main user control of the IP. Service control bus is dedicated for debugging and testing goals and is not used during normal operation.

Key features

  • Global Foundries Embedded EEPROM 130nm
  • Operating temperature range –40…+85 °C
  • Output power adjustment ability
  • High precision output frequency without reference frequency
  • No external components
  • ISM band 2.402 GHz to 2.480 GHz operation
  • Small area
  • Low power consumption

Block Diagram

Applications

  • Internet of Things (IoT)
  • Secure Payment
  • Wearable Devices
  • Home and Security
  • Industrial and Data Logger
  • Health and Fitness
  • Beacons

What’s Included?

  • Schematic or NetList
  • Abstract view (.lef and .lib files)
  • Layout (optional)
  • Verilog behavior model
  • Extracted view (optional)
  • GDSII
  • DRC, LVS, antenna report
  • Test bench with saved configurations (optional)
  • Documentation

Silicon Options

Foundry Node Process Maturity
GlobalFoundries 130nm BCD Pre-Silicon

Specifications

Identity

Part Number
130GF_BLE_01
Vendor
NTLab
Type
Silicon IP

Files

Note: some files may require an NDA depending on provider policy.

Provider

NTLab
HQ: Lithuania
NTLab is a vertically integrated microelectronics design center. It has 70+ experienced and qualified engineers. NTLab specializes in the designing of mixed-signal and RF ICs and Systems-on-Chip. It has a wide range of own silicon-verified IP blocks: processor cores, interfaces, analog and high-frequency PHYs, etc., thus allowing customized design to be fast and predictable. In-company unique combination of competences in digital, analog and RF circuits and embedded software enables NTLab to participate in the projects that require deep research and utilize most sophisticated and advanced techniques: multi-system GPS/GLONASS/Galileo/BeiDou/NavIC(IRNSS)/QZSS/SBAS navigation, RF ID, wireless communications, etc. All designed ICs are provided with test and development tools, as well as with reference software. NTLab offers a wide range of silicon proven analog/mixed-signal IPs in 0.35µm, 0.25 µm, 0.18 µm, 0.13 µm, 0.09 µm, 65nm, 55nm, 40nm, 28nm, 22 nm CMOS and SiGe BiCMOS processes. These IPs are suitable for devices targeted both consumer and industrial markets. Most of these IPs have been proven in silicon on the foundries: Samsung, UMC, GlobalFoundries, SMIC, VIS, Tower, X-FAB, iHP, AMS, SilTerra, STMicroelectronics, Winfoundry.

Learn more about Bluetooth IP core

HDT Bluetooth: the Next Step in High Quality Audio Streaming

Wireless audio (wireless earbuds, headphones and speakers) introduced us to a completely new level of listening convenience and freedom, prompting the rapid growth we are already seeing in this consumer segment (30% CAGR for wireless earbuds and 14% for wireless headphones). Now the race is on to further improve audio quality and capability in these devices.

Three Major Inflection Points for Sourcing Bluetooth Intellectual Property

Synopsys is now shipping support for Bluetooth® 5.4, the latest specification from the Bluetooth SIG (Special Interest Group). The enhancements in Bluetooth 5.4 will open additional markets and use cases. This is one of the many inflection points in the Bluetooth Low Energy market that will be discussed in this paper.

Frequently asked questions about Bluetooth IP cores

What is BLE Advertising Transmitter RF Frontend?

BLE Advertising Transmitter RF Frontend is a Bluetooth IP core from NTLab listed on Semi IP Hub. It is listed with support for globalfoundries Pre-Silicon.

How should engineers evaluate this Bluetooth?

Engineers should review the overview, key features, supported foundries and nodes, maturity, deliverables, and provider information before shortlisting this Bluetooth IP.

Can this semiconductor IP be compared with similar products?

Yes. Buyers can compare this product with similar semiconductor IP cores or IP families based on category, provider, process options, and structured technical specifications.

×
Semiconductor IP