Vendor: NTLab Category: Clock Generator

9-bit programmable ECL HF divider

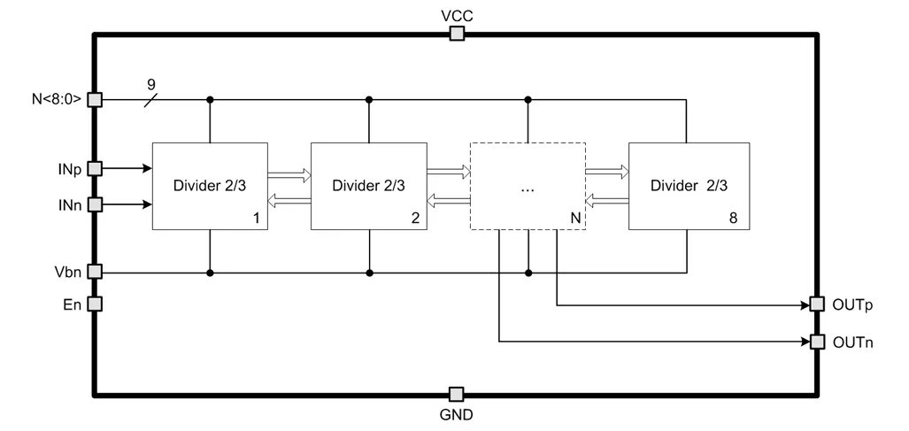
The 9-bit programmable ECL high-frequency divider is a set of serially connected dividers with the varied dividing ratio 2/3 whic…

Overview

The 9-bit programmable ECL high-frequency divider is a set of serially connected dividers with the varied dividing ratio 2/3 which is able to scale the structure either into minimum dividing ratio decreasing or maximum dividing ratio increasing. The differential circuit has higher noise immunity.
The block is fabricated on AMS BiCMOS 0.35 µm technology.

Key features

  • AMS BiCMOS 0.35 µm
  • Differential structure
  • Dividing ratio is regulated in the range of 8...511 with step 1
  • Input differential signal frequency up to 1.7 GHz
  • Scalable structure
  • Portable to other technologies (upon request)

Block Diagram

Applications

  • PLL frequency synthesizer

What’s Included?

  • Schematic or NetList
  • Abstract model (.lef and .lib files)
  • Layout view (optional)
  • Behavioral model (Verilog)
  • Extracted view (optional)
  • GDSII
  • DRC, LVS, antenna report
  • Test bench with saved configurations (optional)
  • Documentation

Specifications

Identity

Part Number
350AMS_NDIV_03
Vendor
NTLab
Type
Silicon IP

Files

Note: some files may require an NDA depending on provider policy.

Provider

NTLab
HQ: Lithuania
NTLab is a vertically integrated microelectronics design center. It has 70+ experienced and qualified engineers. NTLab specializes in the designing of mixed-signal and RF ICs and Systems-on-Chip. It has a wide range of own silicon-verified IP blocks: processor cores, interfaces, analog and high-frequency PHYs, etc., thus allowing customized design to be fast and predictable. In-company unique combination of competences in digital, analog and RF circuits and embedded software enables NTLab to participate in the projects that require deep research and utilize most sophisticated and advanced techniques: multi-system GPS/GLONASS/Galileo/BeiDou/NavIC(IRNSS)/QZSS/SBAS navigation, RF ID, wireless communications, etc. All designed ICs are provided with test and development tools, as well as with reference software. NTLab offers a wide range of silicon proven analog/mixed-signal IPs in 0.35µm, 0.25 µm, 0.18 µm, 0.13 µm, 0.09 µm, 65nm, 55nm, 40nm, 28nm, 22 nm CMOS and SiGe BiCMOS processes. These IPs are suitable for devices targeted both consumer and industrial markets. Most of these IPs have been proven in silicon on the foundries: Samsung, UMC, GlobalFoundries, SMIC, VIS, Tower, X-FAB, iHP, AMS, SilTerra, STMicroelectronics, Winfoundry.

Learn more about Clock Generator IP core

Generating multiple clock frequencies using Specman "real" feature in mixed (Analog/Digital) design environments

Using our “Specman agent approach for the Mixed Verification” along with exploiting “real” feature of Specman version 8.2, we can introduce directed/constrained randomization to the frequencies needed for the analog modules which are interacting with the DUT (Design Under Test). This approach gives complete controllability over the clock frequencies, which can be directly randomized and modified on-the-fly from the testcase, as the scenario may demand.

M31 on the Specification and Development of MIPI Physical Layer

MIPI is the abbreviation of "Mobile Industry Processor Interface". This article will introduce the physical layer specifications of MIPI architecture, and explain the features and benefits of D-PHY and C-PHY respectively. Then, the MIPI perspective on the development and challenges of automotive electronics and the professional MIPI technical services that M31 can provide will be shared.

Silicon-Accurate Fractional-N PLL Design

Fractional-N PLLs are a useful class of PLLs and not well understood. This paper explains in simple terms how these differ from a regular integer PLL. Common applications are listed along with a brief description of the key performance parameter – jitter.

FPGA Implementation of DLX Microprocessor With WISHBONE SoC Bus

DLX is an open source microprocessor, it’s free and it has never been implemented in a commercial ASIC (Application Specific Integrated Circuit) design. The objective of this project is to use the DLX microprocessor implemented with Wishbone bus interface for a SoC (System-on-Chip) design.

Mixed Signal Drivers for Ultra Low Power and Very High Power Applications

Evolving niche markets, such as ICs for biomedical applications, are very challenging in respect to power consumption and on chip power dissipation, namely, wide range from ultra low power (ULP) functionality (<uW) where IC is battery powered, e.g. mobile micro transducers, to very high power (VHP, >5W), e.g. coded energy transfer from RFID¡¯s for remote sensing and animal tracking.

Frequently asked questions about Clock Generator IP cores

What is 9-bit programmable ECL HF divider?

9-bit programmable ECL HF divider is a Clock Generator IP core from NTLab listed on Semi IP Hub.

How should engineers evaluate this Clock Generator?

Engineers should review the overview, key features, supported foundries and nodes, maturity, deliverables, and provider information before shortlisting this Clock Generator IP.

Can this semiconductor IP be compared with similar products?

Yes. Buyers can compare this product with similar semiconductor IP cores or IP families based on category, provider, process options, and structured technical specifications.

×
Semiconductor IP