Vendor: NTLab Category: Amplifier

25 to 1750 MHz power amplifier

055TSMC_PA_03 is power amplifier block in range from 25 to 1750 MHz.

TSMC 55nm GP Silicon Proven View all specifications

Overview

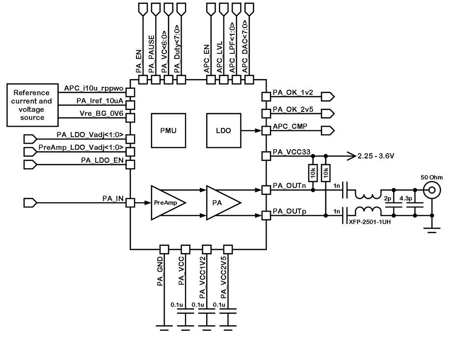
055TSMC_PA_03 is power amplifier block in range from 25 to 1750 MHz. The block consists of C-class power amplifier, pre-amplifier, power management unit and LDO regulator. The pre-amplifier is intended to pre-amplify the input signal and match the block's input impedance with the power amplifier impedance. The power management unit is intended to power the components of the block. The adjustable LDO regulator is intended to control the output power of the power amplifier.

Key features

  • TSMC CMOS 55 nm
  • C-class PA
  • Frequency range from 25 to 1750 MHz
  • Output power adjustment range from -37 dBm to +8 dBm
  • Built-in voltage regulator

Block Diagram

Applications

  • Portable transmitters
  • Portable transceivers
  • Mobile communication devices

What’s Included?

  • Schematic or NetList
  • Abstract model (.lef and .lib files)
  • Layout view (optional)
  • Behavioral model (Verilog)
  • Extracted view (optional)
  • GDSII
  • DRC, LVS, antenna report
  • Test bench with saved configurations (optional)
  • Documentation

Silicon Options

Foundry Node Process Maturity
TSMC 55nm GP Silicon Proven

Specifications

Identity

Part Number
055TSMC_PA_03
Vendor
NTLab
Type
Silicon IP

Files

Note: some files may require an NDA depending on provider policy.

Provider

NTLab
HQ: Lithuania
NTLab is a vertically integrated microelectronics design center. It has 70+ experienced and qualified engineers. NTLab specializes in the designing of mixed-signal and RF ICs and Systems-on-Chip. It has a wide range of own silicon-verified IP blocks: processor cores, interfaces, analog and high-frequency PHYs, etc., thus allowing customized design to be fast and predictable. In-company unique combination of competences in digital, analog and RF circuits and embedded software enables NTLab to participate in the projects that require deep research and utilize most sophisticated and advanced techniques: multi-system GPS/GLONASS/Galileo/BeiDou/NavIC(IRNSS)/QZSS/SBAS navigation, RF ID, wireless communications, etc. All designed ICs are provided with test and development tools, as well as with reference software. NTLab offers a wide range of silicon proven analog/mixed-signal IPs in 0.35µm, 0.25 µm, 0.18 µm, 0.13 µm, 0.09 µm, 65nm, 55nm, 40nm, 28nm, 22 nm CMOS and SiGe BiCMOS processes. These IPs are suitable for devices targeted both consumer and industrial markets. Most of these IPs have been proven in silicon on the foundries: Samsung, UMC, GlobalFoundries, SMIC, VIS, Tower, X-FAB, iHP, AMS, SilTerra, STMicroelectronics, Winfoundry.

Learn more about Amplifier IP core

Powering the Future of RF: Falcomm and GlobalFoundries at IMS 2025

GF’s comprehensive RF portfolio, including our industry-leading RFSOI, SiGe, 22FDX+ and RF GaN platforms, is purpose-built to push the boundaries of what’s possible in connectivity, but we’re not doing it alone. Together with innovative partners like Falcomm, we’re moving the industry forward, providing our customers with cutting-edge solutions to enhance performance, power and integration and create connected technologies with higher signal quality, better efficiency and longer battery life.

How to Elevate RRAM and MRAM Design Experience to the Next Level

This article will explore the potential advantages of RRAM and MRAM in various applications and elucidate why such new technologies are imperative to address future memory demands, as well as some challenges designers may encounter in the implementation.

Frequently asked questions about Amplifier IP cores

What is 25 to 1750 MHz power amplifier?

25 to 1750 MHz power amplifier is a Amplifier IP core from NTLab listed on Semi IP Hub. It is listed with support for tsmc Silicon Proven.

How should engineers evaluate this Amplifier?

Engineers should review the overview, key features, supported foundries and nodes, maturity, deliverables, and provider information before shortlisting this Amplifier IP.

Can this semiconductor IP be compared with similar products?

Yes. Buyers can compare this product with similar semiconductor IP cores or IP families based on category, provider, process options, and structured technical specifications.

×
Semiconductor IP