Vendor: NTLab Category: Oscillator

10 MHz RC oscillator

IP is a low power high resolution RC oscillator nominally operates at 10 MHz output clock from a 1.2 V supply.

GlobalFoundries 55nm Silicon Proven View all specifications

Overview

IP is a low power high resolution RC oscillator nominally operates at 10 MHz output clock from a 1.2 V supply. No external components are required. The oscillator operates in a voltage range of 1.2 V +/-5% and is qualified over a broad temperature range of -40°C to 85°C. The oscillator has excellent nominal duty cycle specifications (50%+/-10%).
The block is designed on Global Foundries CMOS 55nm technology.

Key features

  • Global Foundries CMOS 55nm
  • Low current consumption
  • Low temperature dependence
  • High accuracy (after trimming)
  • Small area

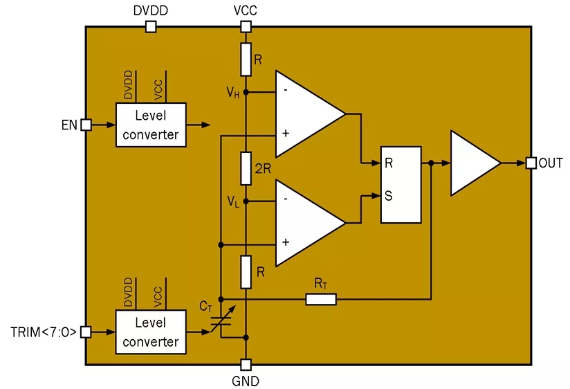
Block Diagram

Applications

  • RF ID
  • Timekeeping devices
  • GPS equipment to reduce time to first fix
  • Applications that require an accurate process timing
  • Products with long automated unattended operation time

What’s Included?

  • Schematic or NetList
  • Abstract model (.lef and .lib files)
  • Layout view (optional)
  • Behavioral model (Verilog)
  • Extracted view (optional)
  • GDSII
  • DRC, LVS, antenna report
  • Test bench with saved configurations (optional)
  • Documentation

Files

Note: some files may require an NDA depending on provider policy.

Silicon Options

Foundry Node Process Maturity
GlobalFoundries 55nm 55 550 nm Silicon Proven

Specifications

Identity

Part Number
055GF_OSC_02
Vendor
NTLab

Provider

NTLab
HQ: Lithuania
NTLab is a vertically integrated microelectronics design center. It has 70+ experienced and qualified engineers. NTLab specializes in the designing of mixed-signal and RF ICs and Systems-on-Chip. It has a wide range of own silicon-verified IP blocks: processor cores, interfaces, analog and high-frequency PHYs, etc., thus allowing customized design to be fast and predictable. In-company unique combination of competences in digital, analog and RF circuits and embedded software enables NTLab to participate in the projects that require deep research and utilize most sophisticated and advanced techniques: multi-system GPS/GLONASS/Galileo/BeiDou/NavIC(IRNSS)/QZSS/SBAS navigation, RF ID, wireless communications, etc. All designed ICs are provided with test and development tools, as well as with reference software. NTLab offers a wide range of silicon proven analog/mixed-signal IPs in 0.35µm, 0.25 µm, 0.18 µm, 0.13 µm, 0.09 µm, 65nm, 55nm, 40nm, 28nm, 22 nm CMOS and SiGe BiCMOS processes. These IPs are suitable for devices targeted both consumer and industrial markets. Most of these IPs have been proven in silicon on the foundries: Samsung, UMC, GlobalFoundries, SMIC, VIS, Tower, X-FAB, iHP, AMS, SilTerra, STMicroelectronics, Winfoundry.

Learn more about Oscillator IP core

A Flexible 200kHz-20MHz Ring Oscillator in a 40nm CMOS Technology

In this paper, we present a flexible ring oscillator IP designed for a 40nm CMOS technology, whose oscillation frequency can be chosen from 200kHz to 20MHz. It was developed using a new design approach, in which analog IPs are designed from scratch to be flexible, employing modular blocks that can be easily customized. The IP is silicon proven. It works with a supply voltage of 1.2V and features 5% frequency accuracy, occupying an area of 0.0022mm2.

Creating a Frequency Plan for a System using a PLL

How do you ensure that every part of a system receives the clock it needs—without wasting power or sacrificing performance? The answer lies in creating a well-structured frequency plan built around a PLL.

Frequently asked questions about Oscillator IP cores

What is 10 MHz RC oscillator?

10 MHz RC oscillator is a Oscillator IP core from NTLab listed on Semi IP Hub. It is listed with support for globalfoundries Silicon Proven.

How should engineers evaluate this Oscillator?

Engineers should review the overview, key features, supported foundries and nodes, maturity, deliverables, and provider information before shortlisting this Oscillator IP.

Can this semiconductor IP be compared with similar products?

Yes. Buyers can compare this product with similar semiconductor IP cores or IP families based on category, provider, process options, and structured technical specifications.

×
Semiconductor IP