Vendor: T2M GmbH Category: Bluetooth

BLE 5 / Sub-1GHz / 15.4/ SoC Companion Chip

A RF Modem companion chip for adding Bluetooth Low Energy v5.x (2.4GHz), Sub-1GHz (150-960MHz), 802.15.4(Zigbee),capability to an…

Overview

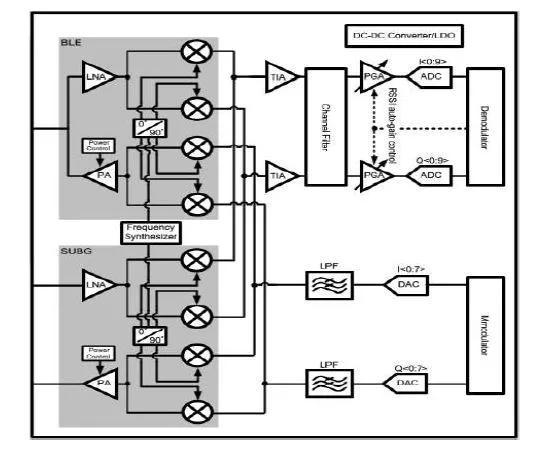
A complete RF Modem companion chip for adding Bluetooth Low Energy v5.x (2.4GHz), Sub-1GHz (150-960MHz), 802.15.4(Zigbee),capability to any embedded CPU SoC via a standard SPI interface.

Integrated BLE Link Layer and FSK, GFSK, OOK Modem enables data rates of 2Mbps for Bluetooth and 50Kbps for Sub-1GHz. Connection range from ~100 meters with Bluetooth to ~50Km over Sub-1GHz ISM band.

Standard SPI interface plus chip select & packet sync pins for interfacing a MCU or SOC and accessing an integrated AES engine for data encryption/decryption. No external RAM, ROM or Flash is not required.

Low cost & simple upgrade to any embedded MCU system.

Key features

  • RF Front end SoC with integrated modem:
  • 2.4GHz - Bluetooth Low Energy v5.x with Link Layer Integrated
  • 15.4 / ZigBee & 15.4G
  • 150-960MHz - Sub-1GHz ISM
  • FSK, GFSK, OOK Modulation
  • GFSK and O-QPSK Modulation
  • Proprietary Software Defined Radio links
  • RF Tx power: +5dBm Bluetooth; +16dBm Sub-1GHz
  • Data Rate Supported: 2Mbps & 1Mbps (Bluetooth); 50Kbps (Sub-1GHz)
  • Bluetooth® 5 Low Energy Certified
  • BQB Certification as a PHY component
  • 16MHz or 32MHz crystal
  • 16MHz clock output for MCU or SOC
  • Integrated DC/DC and LDO regulator
  • SPI interface (Tx/Rx) to MCU or SOC
  • Protocol Stack & Profiles running on companion CPU
  • Compatible with 3rd party Stacks
  • Very Low Power Consumption
  • Standby & Deep Sleep functions
  • PMU for power-saving states

Block Diagram

Specifications

Identity

Part Number
BLE 5 / Sub-1GHz / 15.4 / SoC Companion Chip
Vendor
T2M GmbH
Type
Silicon IP

Files

Note: some files may require an NDA depending on provider policy.

Provider

T2M GmbH
T2M GmbH is the leading Global Technology Company supplying state of the art complex semiconductor connectivity IPs and KGDs, enabling the creation of complex connected devices for Mobile, IoT and Wearable markets. T2M's unique SoC White Box IPs are the design database of mass production RF connectivity chips supporting standards including Wifi, BT, BLE, Zigbee, NFC, LTE, GSM, GNS. They are available in source code as well as KGD for SIP / modules. With offices in USA, Europe, China, Taiwan, South Korea, Japan, Singapore and India, T2M’s highly experienced team provides local support, accelerating product development and Time 2 Market.

Learn more about Bluetooth IP core

HDT Bluetooth: the Next Step in High Quality Audio Streaming

Wireless audio (wireless earbuds, headphones and speakers) introduced us to a completely new level of listening convenience and freedom, prompting the rapid growth we are already seeing in this consumer segment (30% CAGR for wireless earbuds and 14% for wireless headphones). Now the race is on to further improve audio quality and capability in these devices.

Three Major Inflection Points for Sourcing Bluetooth Intellectual Property

Synopsys is now shipping support for Bluetooth® 5.4, the latest specification from the Bluetooth SIG (Special Interest Group). The enhancements in Bluetooth 5.4 will open additional markets and use cases. This is one of the many inflection points in the Bluetooth Low Energy market that will be discussed in this paper.

Frequently asked questions about Bluetooth IP cores

What is BLE 5 / Sub-1GHz / 15.4/ SoC Companion Chip?

BLE 5 / Sub-1GHz / 15.4/ SoC Companion Chip is a Bluetooth IP core from T2M GmbH listed on Semi IP Hub.

How should engineers evaluate this Bluetooth?

Engineers should review the overview, key features, supported foundries and nodes, maturity, deliverables, and provider information before shortlisting this Bluetooth IP.

Can this semiconductor IP be compared with similar products?

Yes. Buyers can compare this product with similar semiconductor IP cores or IP families based on category, provider, process options, and structured technical specifications.

×
Semiconductor IP