Vendor: Brite Semiconductor Category: RF Transceiver

802.15.4G RF Transceiver

The RF Transceiver (B130RF15P4G) is a dual band (sub-1GHz and 2.4GHz band) integrated transceiver specially designed for smart me…

Overview

The RF Transceiver (B130RF15P4G) is a dual band (sub-1GHz and 2.4GHz band) integrated transceiver specially designed for smart metering and IEEE 802.15.4g related applications.

The RF Transceiver provides high performance, low-cost, generic RF front-end that allows several constant and non-constant envelope modulation schemes to be handled, such as the MR-FSK, MR-OFDM and MR-O-QPSK PHYs of the IEEE 802.15.4g standard for Smart UtilityNetworks (SUN) and Smart grid applications in the 850 - 928 MHz and 2.4GHz license-exempt frequency bands.

The supply voltage ranges from 3.0V to 3.6V. A 36MHz temperature-controlled oscillator (TCXO) or a crystal oscillator (XTAL) is used as a reference clock.

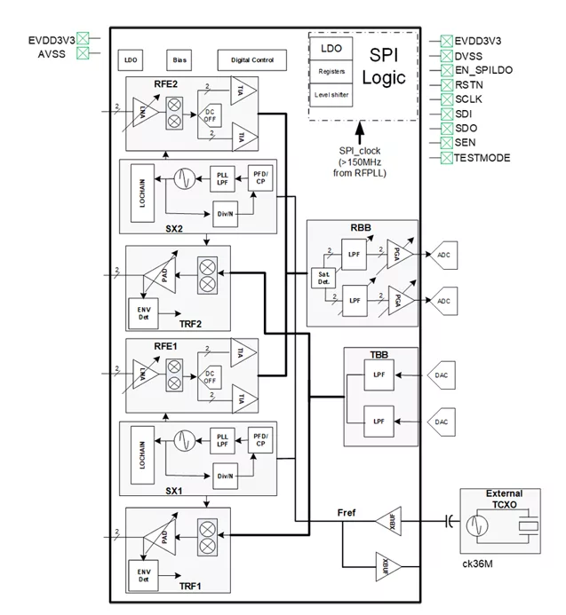
Block Diagram

Specifications

Identity

Part Number
YouRF-Transceiver802.15.4G
Vendor
Brite Semiconductor
Type
Silicon IP

Provider

Brite Semiconductor
HQ: China
Brite Semiconductor is a leading custom ASIC and IP provider, and committed to provide flexible one-stop services from architecture design to chip delivery with high value and differentiated solutions. Brite Semiconductor provides comprehensive silicon proven “YOU” IP portfolio and YouSiP (Silicon-Platform) solution. YouSiP solution provides a prototype design reference for system house and fabless to speed up the time-to-market. Founded in 2008, Brite Semiconductor is headquartered in Shanghai, China.

Learn more about RF Transceiver IP core

eTBc: A Semi-Automatic Testbench Generation Tool

This paper presents a semi-automatic testbench generation tool called eTBc and a methodology called VeriSC (which allows for testbench simulation before RTL without additional code writing).

Frequently asked questions about RF Transceiver IP cores

What is 802.15.4G RF Transceiver?

802.15.4G RF Transceiver is a RF Transceiver IP core from Brite Semiconductor listed on Semi IP Hub.

How should engineers evaluate this RF Transceiver?

Engineers should review the overview, key features, supported foundries and nodes, maturity, deliverables, and provider information before shortlisting this RF Transceiver IP.

Can this semiconductor IP be compared with similar products?

Yes. Buyers can compare this product with similar semiconductor IP cores or IP families based on category, provider, process options, and structured technical specifications.

×
Semiconductor IP