Vendor: Certus Semiconductor Category: Analog

1.8V/3.3V I/O Library with 5V ODIO & Analog in TSMC 16nm

A Flipchip I/O Library with dynamitcally switchable 1.8V/3.3V GPIO, 5V I2C/SM- Bus ODIO, 5V OTP Cell, 1.8V & 3.3V Analog Cells an…

Overview

A Flipchip I/O Library with dynamitcally switchable 1.8V/3.3V GPIO, 5V I2C/SM- Bus ODIO, 5V OTP Cell, 1.8V & 3.3V Analog Cells and associated ESD.

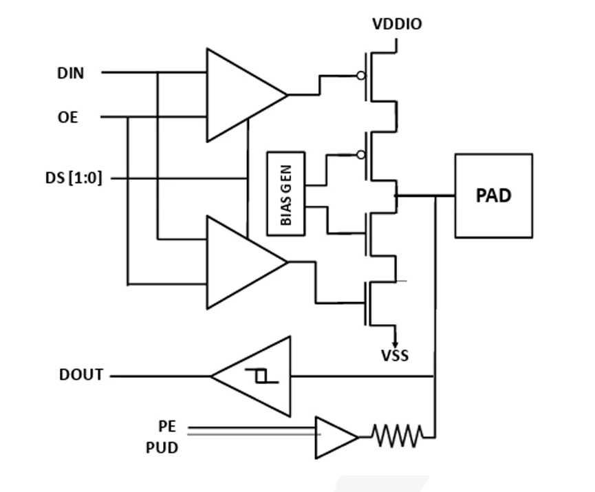
A key attribute of this library is its ability to detect and dynamically adjust to a VDDIO supply of 1.8V or 3.3V during system operation. The GPIO cell can be configured as input, output, open-source, or open-drain with an optional internal 50K ohm pull-up or pull-down resistor. Four selectable drive strengths are offered (25-235MHz @1.8V,10pF)to optimize across SSO currents & power. The output driver exhibits 50 (ś20%) termination across PVT to reduce reflections at higher operating frequencies. Supply cells for VDDIO, VREF, and core VDD include necessary built-in ESD circuitry. A 5V I2C / SMBUS open-drain (fail-safe) cell, 5V OTP programming gate cell and 1.8V & 3.3V analog cells with ESD protection are included. The library features protection break cells to allow for separate grounds while maintaining ESD robustness. ESD design targets are 2KV HBM, & 500VCDM,yet this libraryhas consistently demonstrated 4KV HBM. This library can also support 2KV IEC 61000-4-2 system ESD with appropriate integration.

 Operating Conditions

Parameter Value
VDDIO 1.8V/3.3V Selectable
VREF 1.8V
Core 0.8V
BEOL 1P8M or 1P10M
Cell Size 30x50um
Temperature -40C to 125C
Max Load 50pF (1opF at speed)

 Library Cell Summary

Cell Type Feature
GPIO 25-235MHz, selectable
I2C ODIO 5V, fail-safe
Analog 1.8V & 3.3V
Supply/ESD 1.8V/3.3V; 1.8V; 0.8V; GND
OTP 5V progamming gate cell
Break Cells VDDIO, VDD, VSS

 

Key features

  •  Multi-voltage 1.8V/3.V switchable operation
  •  4 selectable drive strengths
  • Full-speed output enable
  •  Independent power sequencing
  •  50(ś20%) source termination across PVT
  •  Schmitt Trigger Receiver
  •  50K selectable pull-up or pull-down resistor
  •  ESD: 2kV HBM, 500V CDM, 2KV IEC61000-4-2
  •  Silicon Proven

Block Diagram

Files

Note: some files may require an NDA depending on provider policy.

Silicon Options

Foundry Node Process Maturity
TSMC 16nm 16nm 160 nm

Specifications

Identity

Part Number
UF16
Vendor
Certus Semiconductor
Type
Silicon IP

Provider

Certus Semiconductor
HQ: United States
Certus Semiconductor has assembled several of the world’s foremost experts in IO and ESD design to offer our clients the ability to affordably tailor their IO libraries into the optimal fit for their products. Certus is offering the semiconductor industry a unique approach to custom IO libraries, including tailored IO designs, and ESD solutions based on simulations leveraging specialized silicon ESD models. In addition to offering fast turnaround custom IO designs, Certus offers independent ESD design, review and debug services. Through partnerships, Certus is also able to provide ESD testing & TLP support.

Learn more about Analog IP core

Real PPA improvements from analog IC migration

Analog migration projects live or die on numerous metrics – it is not easy, to say the least. Three very critical metrics are PPA, Performance, Power and Area. Here’s what most analog designers already know: when you’re porting IP to a new process, the real goal isn’t improvement—it’s preservation.

Analog Foundation Models

In this work, the authors introduce a general and scalable method to robustly adapt LLMs for execution on noisy, low-precision analog hardware.

AnaFlow: Agentic LLM-based Workflow for Reasoning-Driven Explainable and Sample-Efficient Analog Circuit Sizing

Analog/mixed-signal circuits are key for interfacing electronics with the physical world. Their design, however, remains a largely handcrafted process, resulting in long and error-prone design cycles. While the recent rise of AI-based reinforcement learning and generative AI has created new techniques to automate this task, the need for many time-consuming simulations is a critical bottleneck hindering the overall efficiency. Furthermore, the lack of explainability of the resulting design solutions hampers widespread adoption of the tools.

Why Anti-tamper Sensors Matter: Agile Analog and Rambus Deliver Comprehensive Security Solution

If your device processes valuable data, controls a critical function, or connects to a wider network, it’s a target. Attackers don’t just try to break software; they increasingly physically tamper with hardware; probing, fault injecting, or opening enclosures to bypass protections and extract secrets. The consequences range from IP theft and fraud to orchestrated downtime across fleets of connected devices.

Frequently asked questions about Analog I/O Pad Library IP cores

What is 1.8V/3.3V I/O Library with 5V ODIO & Analog in TSMC 16nm?

1.8V/3.3V I/O Library with 5V ODIO & Analog in TSMC 16nm is a Analog IP core from Certus Semiconductor listed on Semi IP Hub. It is listed with support for tsmc.

How should engineers evaluate this Analog?

Engineers should review the overview, key features, supported foundries and nodes, maturity, deliverables, and provider information before shortlisting this Analog IP.

Can this semiconductor IP be compared with similar products?

Yes. Buyers can compare this product with similar semiconductor IP cores or IP families based on category, provider, process options, and structured technical specifications.

×
Semiconductor IP