Vendor: Certus Semiconductor Category: High-Speed

1.2V SLVS Transceiver in UMC 110nm

A 200Mbps 1.2V SLVS transceiver solution.

Overview

A 200Mbps 1.2V SLVS transceiver solution.

This library delivers a compact and reliable 1.2V SLVS transceiver solution in UMC 110nm, optimized for high-speed, low-power applications. Featuring robust supply and ground noise rejection, 2kV HBM ESD protection, and integrated on die termination, this library provides both transmit and receive paths compliant with JESD8-13 SLVS standards at up to 200 Mbps. The library includes core SLVS cells alongside dedicated power, ground, and transition cells for seamless integration with foundry I/O. Post-layout simulations demonstrate excellent PSRR performance, clean eye diagrams across process corners, and stable operation from -40 C to 125 C. With flexible padring construction, bias sharing strategies, and detailed wire bond recommendations, UA11 ensures reliable integration into mixed foundry environments while minimizing area and power overhead.

Operating Conditions

Parameter Value
Devices 1.2V Thin Oxides
BEOL 1P7M2T
Core VDD 1.2V
Tj -40C to 150C
ESD 2kV HBM, 500V CDM
Latchup 200mA

Cell Size

Cell Cell Size
SLVS 112x80.8um
VDD 56x80.8um
VSS 56x80.8um
Transition 5x80.8um

Library Cell Summary

Cell Type Feature
SLVS 1.2V 200MHz Transceiver
VDD 1.2V Power
VSS I/O and substrate ground
Transition Transition cell

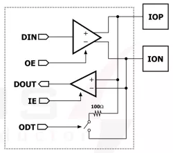
Key features

  • High supply/ground noise rejection in both TX and RX.
  • Small-area 2kV HBM protection.
  • Input and output enable pins.
  • Low-power bias strategy.

Block Diagram

Silicon Options

Foundry Node Process Maturity
UMC 110nm 110nm 1100 nm

Specifications

Identity

Part Number
UA11
Vendor
Certus Semiconductor
Type
Silicon IP

Files

Note: some files may require an NDA depending on provider policy.

Provider

Certus Semiconductor
HQ: United States
Certus Semiconductor has assembled several of the world’s foremost experts in IO and ESD design to offer our clients the ability to affordably tailor their IO libraries into the optimal fit for their products. Certus is offering the semiconductor industry a unique approach to custom IO libraries, including tailored IO designs, and ESD solutions based on simulations leveraging specialized silicon ESD models. In addition to offering fast turnaround custom IO designs, Certus offers independent ESD design, review and debug services. Through partnerships, Certus is also able to provide ESD testing & TLP support.

Learn more about High-Speed IP core

PCIe 5.0: The universal high-speed interconnect for High Bandwidth and Low Latency Applications Design Challenges & Solutions

Innosilicon, a leading IP provider, offers a complete PCIe 5.0 solution stack that includes both PHY and controller IPs. Although both layers are crucial to achieving a fully compliant and high-performance PCIe interface, this paper deep dives into the technical challenges of PHY design, highlighting insights drawn from real-world design margins, receiver robustness, and advanced jitter analysis in the context of Gen5 systems.

Frequently asked questions about High-Speed I/O Pad IP

What is 1.2V SLVS Transceiver in UMC 110nm?

1.2V SLVS Transceiver in UMC 110nm is a High-Speed IP core from Certus Semiconductor listed on Semi IP Hub. It is listed with support for umc.

How should engineers evaluate this High-Speed?

Engineers should review the overview, key features, supported foundries and nodes, maturity, deliverables, and provider information before shortlisting this High-Speed IP.

Can this semiconductor IP be compared with similar products?

Yes. Buyers can compare this product with similar semiconductor IP cores or IP families based on category, provider, process options, and structured technical specifications.

×
Semiconductor IP