Vendor:
VEGA Semiconductor
Category:
Temperature Sensor
Thermal Sensor
The IP is a thermal sensor based on SMIC 110nm process.
Overview
The IP is a thermal sensor based on SMIC 110nm process.
Key features
- Process: SMIC 110nm 1.8v/3.3v 1P6M process
- Digital HPF for DC-Offset cancel
- Power Supply: Analog power supply 2.6V ~ 3V ~3.6V
- Digital power supply 1.08V~ 1.2V ~ 1.32V
- Operated Ambient Temperature: Ta = -40 ~ 85°C
- Operated Junction Temperature: Tj = -40~125°C
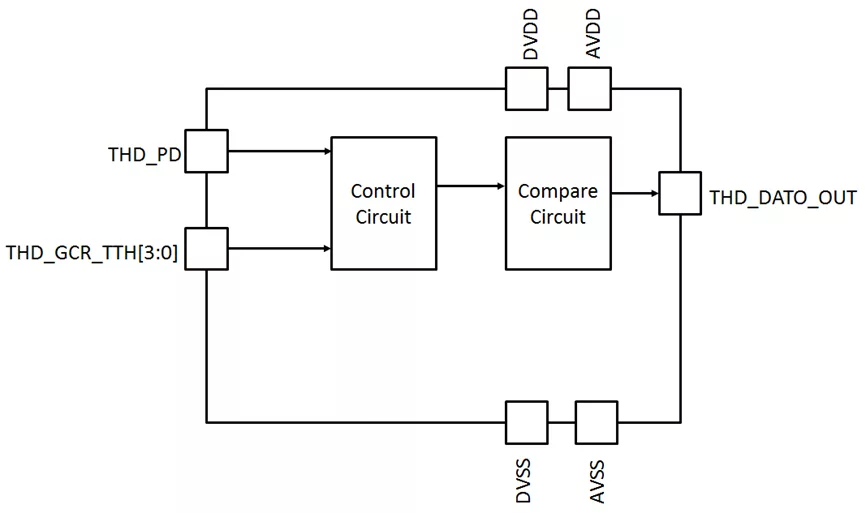
Block Diagram
Thermal Sensor_V0.0.1 block diagram
Silicon Options
| Foundry | Node | Process | Maturity |
|---|---|---|---|
| SMIC | 110nm | G | Available on request |
Specifications
Identity
Part Number
Thermal Sensor_V0.0.1
Vendor
VEGA Semiconductor
Type
Silicon IP
Provider
VEGA Semiconductor
HQ:
Taiwan
VEGA SEMICONDUCTOR Corp. is a leading fabless ASIC design company providing Analog and Mixed-Signal IP Cores.
Learn more about Temperature Sensor IP core
Power Management for Internet of Things (IoT) System on a Chip (SoC) Development
There are many factors that must be considered when developing a custom System on a Chip (SoC) for Internet of Things (IoT) applications. Chief among these are the power management circuits on the die. Vidatronic offers this white paper to discuss these considerations and all of the various circuit blocks that can be found in this application. Vidatronic IP solutions are discussed and the benefits they bring to IoT SoC designers.
Smart Transit Solution
Surveillance and security has become increasingly important during modern days for government/law enforcement, public or private transit authorities and for the fleet management. To monitor or investigate accidental damage, theft, harassment or left packages, producing/collecting evidences and analyze the occurrence of situation is challenge. This white paper describes how smart transit solution can generate evidences and help in analyze the situation of an incident. Smart transit solution improves profitability by enabling batter safety, security and service.
High-Performance DSPs -> Voice control enhances appliance apps
High-Performance DSPs -> Voice control enhances appliance apps
Context Based Clock Gating Technique For Low Power Designs of IoT Applications - A DesignWare IP Case Study
This paper discusses about the intelligent low power techniques such as context based clock gating and how they are useful for IoT applications. It also describes how it improves the overall power efficiency of the system. The power statistics shared shows how the overall idle power and functional power consumption is significantly reduced. Further we discuss about how it can be combined with few other low power techniques to reduce the overall power
Custom ASICs for Internet of Industrial Things (IoIT)
This white paper commences with an overview of the IoIT (Internet of Industrial Things) opportunity, the market drivers, and how the semiconductor industry is responding to this need. We then include an example of a customisable SoC intended for use in various industrial applications where low power consumption, remote deployment, reduced production costs and short time-to-market are vital.
Frequently asked questions about Temperature Sensor IP cores
What is Thermal Sensor?
Thermal Sensor is a Temperature Sensor IP core from VEGA Semiconductor listed on Semi IP Hub. It is listed with support for smic Available on request.
How should engineers evaluate this Temperature Sensor?
Engineers should review the overview, key features, supported foundries and nodes, maturity, deliverables, and provider information before shortlisting this Temperature Sensor IP.
Can this semiconductor IP be compared with similar products?
Yes. Buyers can compare this product with similar semiconductor IP cores or IP families based on category, provider, process options, and structured technical specifications.