Vendor: T2M GmbH Category: RF Transceiver

Narrow band - IoT Ultra-Low power UE RF Transceiver IP

This is an ultra-low-power Cat-M/NB1 UE RF Transceiver IP solution optimized for IoT and M2M applications.

TSMC 55nm GP In Production View all specifications

Overview

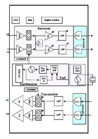
This is an ultra-low-power Cat-M/NB1 UE RF Transceiver IP solution optimized for IoT and M2M applications. The RF IP supports Release-15 frequency bands with Integrated Power Amp. The NB-IoT RF IP supports wideband for the Receiver and the Transmitter path where the band limitation can be set by external components.

The receive path (RX) has extremely high dynamic range and is implemented to support both direct-conversion and low-IF architectures. A direct conversion TX generates low EVM signals. The IP family has both options of integrated PA, and supporting external PA. An integrated Frac-N frequency synthesizers and LO-chains generate the required low phase-noise LO signals for TX and RX mixers. Optional fully integrated power management can be integrated to minimize the module eBOM cost.

The NB-IoT RF IP in combination with other wireless technologies like Bluetooth and GNSS enables various IoT based application from smart home to industrial automation, to battery powered applications like wearables etc. due to its lower power consumption

Key features

  • Frequency Range: 100MHz - 2.6GHz
  • Bandwidth Range: 180KHz ~ 20MHz
  • Silicon proven in TSMC 40ULP
  • Supports both HD-FDD/TDD modes.
  • Low phase-noise Frac-N synthesizer
  • Fast PLL for frequency hopping
  • Modulation Support: OFDM, QPSK, QAM, OQPSK
  • Integrated DPD to improve Tx power efficiency and linearity
  • Integrated LDOs and DC-DC
  • Integrated PA
  • Support for ADC/DAC: 10/12bit SAR 80/160 Msps
  • Supports Low RX power of 10mW (approx.)
  • Option for PMU.
  • Supports Power Modes that can be configured as per User application
  • Operating Temperature: -40?C – 85?C

Block Diagram

Silicon Options

Foundry Node Process Maturity
TSMC 55nm GP In Production

Specifications

Identity

Part Number
NB-IoT Cat-M UE Low power RF Transceiver IP
Vendor
T2M GmbH
Type
Silicon IP

Files

Note: some files may require an NDA depending on provider policy.

Provider

T2M GmbH
T2M GmbH is the leading Global Technology Company supplying state of the art complex semiconductor connectivity IPs and KGDs, enabling the creation of complex connected devices for Mobile, IoT and Wearable markets. T2M's unique SoC White Box IPs are the design database of mass production RF connectivity chips supporting standards including Wifi, BT, BLE, Zigbee, NFC, LTE, GSM, GNS. They are available in source code as well as KGD for SIP / modules. With offices in USA, Europe, China, Taiwan, South Korea, Japan, Singapore and India, T2M’s highly experienced team provides local support, accelerating product development and Time 2 Market.

Learn more about RF Transceiver IP core

eTBc: A Semi-Automatic Testbench Generation Tool

This paper presents a semi-automatic testbench generation tool called eTBc and a methodology called VeriSC (which allows for testbench simulation before RTL without additional code writing).

Frequently asked questions about RF Transceiver IP cores

What is Narrow band - IoT Ultra-Low power UE RF Transceiver IP?

Narrow band - IoT Ultra-Low power UE RF Transceiver IP is a RF Transceiver IP core from T2M GmbH listed on Semi IP Hub. It is listed with support for tsmc In Production.

How should engineers evaluate this RF Transceiver?

Engineers should review the overview, key features, supported foundries and nodes, maturity, deliverables, and provider information before shortlisting this RF Transceiver IP.

Can this semiconductor IP be compared with similar products?

Yes. Buyers can compare this product with similar semiconductor IP cores or IP families based on category, provider, process options, and structured technical specifications.

×
Semiconductor IP