Vendor: T2M GmbH Category: Modulation Demodulation

DVB-S2X NarrowBand Demodulator IP

This is NarrowBand demodulator IP is silicon proven and extratced from production chipsets, it performs demodulation according to…

Overview

This is NarrowBand demodulator IP is silicon proven and extratced from production chipsets, it performs demodulation according to DVB-S, legacy DirectTV, DVB-S2 and DVB-S2X specifications. The input signal from the tuner is A-to-D converted on 10 bits. The DC offset, amplitude mismatch and quadrature error are corrected and the AGC signal level to the tuner is calculated. The carrier frequency offset is corrected. Then the signal is sub sampled and Nyquist root filtered. The signal amplitude is controlled through the second stage (AGC2) block. The pilots, when present, are used to help phase lock to the symbol stream. The signal is equalized, descrambled, and passed to the FEC. An internal state machine controls the automatic acquisition of a channel with various entry points, including warm start (known symbol frequency, small carrier offset), cold start (known symbol frequency and large carrier frequency offset), and blind search (all parameters unknown).

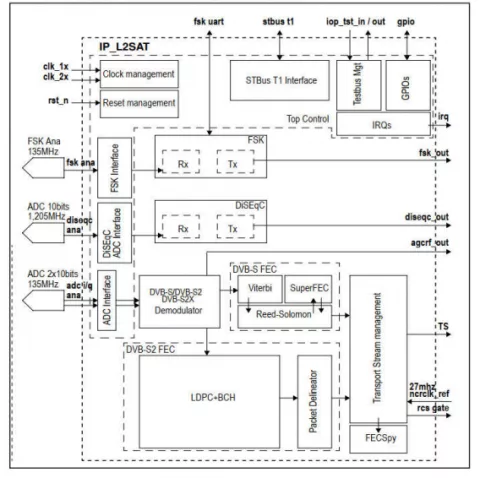
The DVB S2X NarrowBand IP main demodulation path takes its data from a dual ADC sampling the signals I/Q coming from an external tuner. The ADC is clocked at 135MHz and the data are on 10bits. After demodulation, the data is sent either to a DVB-S Forward Error Correction (FEC) path or a DVB-S2 FEC path.

The DVB-S FEC is based on a Viterbi and Reed-Solomon decoders. A SuperFEC mode is also implemented where a second Viterbi block is added to improve the performances. The DVB-S2 FEC is based on a LDPC+BCH decoder and a packet delineator block needed to extract the physical packets (MPEG or GSE) from the FEC frame. The decoded & corrected data is then sent to a transport stream interface managing standard TS-based transmission to the back-end decoder. In addition to this main demodulation path, peripheral interfaces are integrated, a DiSEqC and an FSK interfaces.They are both protocols to communicate with the LNB antenna on the coaxial cable.

Key features

  • This is single demodulator subsystem compliant DVB-S/S2/S2X satellite standards.
  • It is meant to be integrated in the L2A/L2B SOCs. The single demodulator subsystem is made of several blocks.
  • 1 narrow-band demodulator DVB-S / DVBS2 / DVB-S2X up to 65 Msymb/s.
  • 1 DVB-S FEC (Viterbi, Reed-Solomon, Super FEC)
  • 1 DVB-S2 / DVB-S2X FEC (LDPC + BCH decoder)
  • 1 Transport Stream management
  • 1 DiSEqC (1 Rx, 1Tx)
  • 1 FSK
  • The Demodulator characteristics are
  • QPSK, 8PSK, 16APSK, 32APSK, 64APSK,(128APSK, 256APSK as demonstrator)
  • CCM, VCM, ACM
  • Automatic detection and configuration
  • Modulation
  • Filter roll-off
  • Rate
  • Pilot or not
  • Short or Long Frames
  • Accept mode switching on a block by block basis
  • Very fast cold or warm start
  • Blind recovery of symbol & carrier frequency
  • Forward Error Correction (FEC)
  • Viterbi + Reed-Solomon decoder (DVBS)
  • LDPC + BCH decoder (DVBS2, DVBS2X)
  • Error Monitoring
  • Transport Stream management
  • Bandwidth control & smoothing
  • MPEG, GSE packets compliant
  • NCR clock extraction and recovery

Block Diagram

What’s Included?

  • Complete Design Database of documents
  • RTL Source code files
  • Test Benches, Test Reports, Silicon Reports
  • Pre/post sales support
  • All documents

Specifications

Identity

Part Number
DVB-S2X/S2/S Narrowband Demodulator IP
Vendor
T2M GmbH
Type
Silicon IP

Files

Note: some files may require an NDA depending on provider policy.

Provider

T2M GmbH
T2M GmbH is the leading Global Technology Company supplying state of the art complex semiconductor connectivity IPs and KGDs, enabling the creation of complex connected devices for Mobile, IoT and Wearable markets. T2M's unique SoC White Box IPs are the design database of mass production RF connectivity chips supporting standards including Wifi, BT, BLE, Zigbee, NFC, LTE, GSM, GNS. They are available in source code as well as KGD for SIP / modules. With offices in USA, Europe, China, Taiwan, South Korea, Japan, Singapore and India, T2M’s highly experienced team provides local support, accelerating product development and Time 2 Market.

Learn more about Modulation Demodulation IP core

Three Major Inflection Points for Sourcing Bluetooth Intellectual Property

Synopsys is now shipping support for Bluetooth® 5.4, the latest specification from the Bluetooth SIG (Special Interest Group). The enhancements in Bluetooth 5.4 will open additional markets and use cases. This is one of the many inflection points in the Bluetooth Low Energy market that will be discussed in this paper.

Part 2: Opening the 5G Radio Interface

Carriers are now deploying 5G across the globe driven by the need to keep up with relentless mobile data growth. 5G New Radio (NR) operates at higher frequencies to increase bandwidth, but at the expense of range. There will therefore be a need for a much larger number of 5G RUs to provide the same coverage. The availability of cost-effective, reliable and open 5G radio units is therefore critical.

An Integrated, Tunable RF Filter: an Enabler for Reconfigurable Front-Ends

This paper presents the design and performance of a key RF circuit necessary for the realization of a reconfigurable, integrated RF front-end: a tunable frequency, selectable bandwidth, on-chip, “SAW replacement” filter. The on-die tunable filter presented here has a tunable center frequency up to 1 GHz, a selectable bandwidth up to 40 MHz, and an adjacent channel rejection down to 60 dB.

Design considerations for integrated CMOS receivers

To meet the demands for the multi-band, multi-mode wireless standards in the current market, a highly integrated wireless receiver (RX) is desired. CMOS technology has become the technology of choice for the integrated receiver design.

Silicon IP for Programmable Baseband Processing

An efficient IP reuse strategy relies on IP blocks with wide applicability. That makes generic blocks, such as programmable processors preferable. However, in many applications such as handheld wireless terminals, additional silicon area and power consumption compared to fixed function solutions can not be accepted.

Frequently asked questions about Modulation and Demodulation IP cores

What is DVB-S2X NarrowBand Demodulator IP?

DVB-S2X NarrowBand Demodulator IP is a Modulation Demodulation IP core from T2M GmbH listed on Semi IP Hub.

How should engineers evaluate this Modulation Demodulation?

Engineers should review the overview, key features, supported foundries and nodes, maturity, deliverables, and provider information before shortlisting this Modulation Demodulation IP.

Can this semiconductor IP be compared with similar products?

Yes. Buyers can compare this product with similar semiconductor IP cores or IP families based on category, provider, process options, and structured technical specifications.

×
Semiconductor IP