Vendor: Noesis Technologies Category: Data Compression

ADPCM G.726 Codec

The NTadpcm core is fully compliant with G.726 standard and supports up to 64 full duplex voice channels.

TSMC 180nm BCDG2 Silicon Proven View all specifications

Overview

The NTadpcm core is fully compliant with G.726 standard and supports up to 64 full duplex voice channels. The core is used in applications that require reduction in transport and storage bandwidth requirements. It significantly offloads CPU tasks as a co-processing system element.

Key features

  • Compliant with ITU G.721, G.723, G.726 and G.726-Annex recommendations.
  • On-the-fly configuration for variable compression rate, PCM law.
  • Process capability of up to 64 full duplex or up to 128 half duplex voice channels.
  • Burst and continuous mode support.
  • No register based configuration is required.
  • A-law, u-law linear code format selection.
  • Fully compliant to ITU test vectors (ITU G.726-A2).

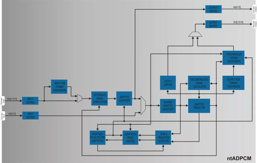
Block Diagram

What’s Included?

  • Synthesizable VHDL or Verilog code.
  • C++ model for system simulation.
  • Comprehensive test bench.
  • Detailed user's guide.

Silicon Options

Foundry Node Process Maturity
TSMC 180nm BCDG2 Silicon Proven

Specifications

Identity

Part Number
ntADPCM
Vendor
Noesis Technologies
Type
Silicon IP

Files

Note: some files may require an NDA depending on provider policy.

Provider

Noesis Technologies
HQ: Greece
Noesis Technologies specializes in design,development and marketing of high quality, cost effective communication IP cores and provides expert ASIC/FPGA design services in telecom DSP area. Our solutions are key components to the most sophisticated telecom systems. Backed-up by our leading-edge expertise on forward error correction, encryption and networking technology as well as on DSP algorithm development we provide robust solutions that are used to improve data quality, increase bandwidth or reduce the overall system cost of end-application.

Learn more about Data Compression IP core

Evaluating Lossless Data Compression Algorithms and Cores

Data compression plays a critical role in modern computing, enabling efficient storage and faster transmission of information. Among lossless data compression algorithms, GZIP, ZSTD, LZ4, and Snappy have emerged as prominent contenders, each offering unique trade-offs in terms of compression ratio, speed, and resource utilization. This white paper evaluates these algorithms and their corresponding hardware cores, providing an in-depth comparison to help developers and system architects choose the optimal solution for their specific use case.

Firmware Compression for Lower Energy and Faster Boot in IoT Devices

The phrase “IoT” for Internet of Things has exploded to cover a wide range of different applications and diverse devices with very different requirements. Most observers, however, would agree that low energy consumption is a key element for IoT, as many of these devices must run on batteries or harvest energy from the environment.

IP Core for an H.264 Decoder SoC

This paper presents the development of an IP core for an H.264 decoder. This state-of-the-art video compression standard contributes to reduce the huge demand for bandwidth and storage of multimedia applications. The IP is CoreConnect compliant and implements the modules with high performance constraints.

Frequently asked questions about Data Compression IP

What is ADPCM G.726 Codec?

ADPCM G.726 Codec is a Data Compression IP core from Noesis Technologies listed on Semi IP Hub. It is listed with support for tsmc Silicon Proven.

How should engineers evaluate this Data Compression?

Engineers should review the overview, key features, supported foundries and nodes, maturity, deliverables, and provider information before shortlisting this Data Compression IP.

Can this semiconductor IP be compared with similar products?

Yes. Buyers can compare this product with similar semiconductor IP cores or IP families based on category, provider, process options, and structured technical specifications.

×
Semiconductor IP