Vendor: NTLab Category: Voltage Reference

1.2 V Bandgap voltage reference

Bandgap voltage reference forms temperature-compensated voltage level equal to the width of the band gap of silicon due to mutual…

SMIC 180nm G Silicon Proven View all specifications

Overview

Bandgap voltage reference forms temperature-compensated voltage level equal to the width of the band gap of silicon due to mutual compensation of temperature dependence of bipolar diodes and resistors.
The block is fabricated on SMIC CMOS 0.18µm technology.

Key features

  • SMIC CMOS 0.18µm
  • Output voltage 1.2 V
  • Temperature-compensated voltage in a wide temperature range
  • Usage of bipolar pnp transistors
  • Bipolar diode characteristics control
  • Low current consumption
  • Small area
  • Portable to other technologies (upon request)

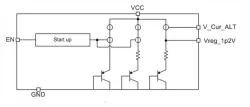
Block Diagram

Applications

  • Supply voltage stabilization systems
  • Comparison and detection systems
  • System-on-chip for different purposes
  • Measurement and calibration systems
  • Navigation systems
  • Technological research of microelectronic components

What’s Included?

  • Schematic or NetList
  • Abstract model (.lef and .lib files)
  • Layout view (optional)
  • Behavioral model (Verilog)
  • Extracted view (optional)
  • GDSII
  • DRC, LVS, antenna report
  • Test bench with saved configurations (optional)
  • Documentation

Silicon Options

Foundry Node Process Maturity
SMIC 180nm G Silicon Proven

Specifications

Identity

Part Number
180SMIC_BVR_03
Vendor
NTLab
Type
Silicon IP

Files

Note: some files may require an NDA depending on provider policy.

Provider

NTLab
HQ: Lithuania
NTLab is a vertically integrated microelectronics design center. It has 70+ experienced and qualified engineers. NTLab specializes in the designing of mixed-signal and RF ICs and Systems-on-Chip. It has a wide range of own silicon-verified IP blocks: processor cores, interfaces, analog and high-frequency PHYs, etc., thus allowing customized design to be fast and predictable. In-company unique combination of competences in digital, analog and RF circuits and embedded software enables NTLab to participate in the projects that require deep research and utilize most sophisticated and advanced techniques: multi-system GPS/GLONASS/Galileo/BeiDou/NavIC(IRNSS)/QZSS/SBAS navigation, RF ID, wireless communications, etc. All designed ICs are provided with test and development tools, as well as with reference software. NTLab offers a wide range of silicon proven analog/mixed-signal IPs in 0.35µm, 0.25 µm, 0.18 µm, 0.13 µm, 0.09 µm, 65nm, 55nm, 40nm, 28nm, 22 nm CMOS and SiGe BiCMOS processes. These IPs are suitable for devices targeted both consumer and industrial markets. Most of these IPs have been proven in silicon on the foundries: Samsung, UMC, GlobalFoundries, SMIC, VIS, Tower, X-FAB, iHP, AMS, SilTerra, STMicroelectronics, Winfoundry.

Learn more about Voltage Reference IP core

Analog and Power Management Trends in ASIC and SoC Designs

The design of modern Application Specific Integrated Circuits (ASICs) and Systems on a Chip (SoCs) in advanced process nodes can be differentiated by the on-die integration of analog functions, such as power management. Vidatronic offers this white paper to give some historical background on this trend and delve specifically into the integration of power management. Vidatronic IP solutions and the benefits they bring to ASIC and SoC designers are discussed.

How to specify and integrate successfully a measurement analog front-end including its power computation engine in an energy metering IC

Based on the system specification of a typical smart meter, this article demonstrates the importance of carefully selecting the power metering IP solution so that its specification matches the standard requirements and copes with the application challenges. This article then pinpoints thoroughly the various issues that must be taken into account for the selection of the Silicon IP and helps identify the possible trade-offs between the performance of the Mixed-signal Front-end (MFE) and that of the Power and energy Computation Engine (PCE).

Silicon Qualified SuperViC: the only way to safe SoC integration

System integrators often encounter problems on application boards too late in the design cycle, when bringing together Virtual Components (ViCs of silicon IPs) into a system. Some ViC performances may be degraded at higher levels (SoC and PCB), and thus the final system does not perform as well as expected. In other words, assembling high-performance ViCs together does not guarantee high-performance SoCs or systems when fundamental integration aspects are not addressed or key issues are violated during the integration process.

Analog IP Reuse in Nano Technologies

Presented in this paper is a tool that automatically migrates analog designs from one process to another while keeping circuit and layout topologies.

Frequently asked questions about Voltage Reference IP cores

What is 1.2 V Bandgap voltage reference?

1.2 V Bandgap voltage reference is a Voltage Reference IP core from NTLab listed on Semi IP Hub. It is listed with support for smic Silicon Proven.

How should engineers evaluate this Voltage Reference?

Engineers should review the overview, key features, supported foundries and nodes, maturity, deliverables, and provider information before shortlisting this Voltage Reference IP.

Can this semiconductor IP be compared with similar products?

Yes. Buyers can compare this product with similar semiconductor IP cores or IP families based on category, provider, process options, and structured technical specifications.

×
Semiconductor IP