Vendor: NTLab Category: Temperature Sensor

Reference current and voltage source with temperature sensor

Reference current and voltage source (RS) is used to supply analog blocks.

TSMC 65nm GP Silicon Proven View all specifications

Overview

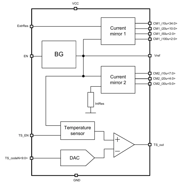
Reference current and voltage source (RS) is used to supply analog blocks. It is based on bandgap reference voltage source, forming temperature compensated voltage, and two voltage-to-current converters. First converter uses an external resistor and output current has weak temperature dependence. Second converter uses an internal resistor and output matches internal resistor temperature and process variations.
RS has an internal temperature sensor (TS). The main principle of work is digitizing output voltage of current-biased p-n junction using SAR ADC, based on R2R 10-bit DAC. Die temperature is calculated with the following expression: Temp = (907 - code)*0.38 – 40 (should be verified during evaluation). Digital controller is included in control logic. Here analog part of the block is shown.

Key features

  • TSMC CMOS 65 nm
  • Output voltage 1.12 V
  • Temperature-compensated voltage in wide temperature range
  • Low current consumption
  • Temperature sensor
  • Small area
  • Portable to other technologies (upon request)

Block Diagram

Applications

  • Supply voltage stabilization systems
  • Comparison and detection systems
  • System-on-chip for different purposes
  • Measurement and calibration systems
  • Technological research of microelectronic components
  • Navigation systems

What’s Included?

  • Schematic or NetList
  • Abstract model (.lef and .lib files)
  • Layout view (optional)
  • Behavioral model (Verilog)
  • Extracted view (optional)
  • GDSII
  • DRC, LVS, antenna report
  • Test bench with saved configurations (optional)
  • Documentation

Silicon Options

Foundry Node Process Maturity
TSMC 65nm GP Silicon Proven

Specifications

Identity

Part Number
065TSMC_RS_03
Vendor
NTLab
Type
Silicon IP

Files

Note: some files may require an NDA depending on provider policy.

Provider

NTLab
HQ: Lithuania
NTLab is a vertically integrated microelectronics design center. It has 70+ experienced and qualified engineers. NTLab specializes in the designing of mixed-signal and RF ICs and Systems-on-Chip. It has a wide range of own silicon-verified IP blocks: processor cores, interfaces, analog and high-frequency PHYs, etc., thus allowing customized design to be fast and predictable. In-company unique combination of competences in digital, analog and RF circuits and embedded software enables NTLab to participate in the projects that require deep research and utilize most sophisticated and advanced techniques: multi-system GPS/GLONASS/Galileo/BeiDou/NavIC(IRNSS)/QZSS/SBAS navigation, RF ID, wireless communications, etc. All designed ICs are provided with test and development tools, as well as with reference software. NTLab offers a wide range of silicon proven analog/mixed-signal IPs in 0.35µm, 0.25 µm, 0.18 µm, 0.13 µm, 0.09 µm, 65nm, 55nm, 40nm, 28nm, 22 nm CMOS and SiGe BiCMOS processes. These IPs are suitable for devices targeted both consumer and industrial markets. Most of these IPs have been proven in silicon on the foundries: Samsung, UMC, GlobalFoundries, SMIC, VIS, Tower, X-FAB, iHP, AMS, SilTerra, STMicroelectronics, Winfoundry.

Learn more about Temperature Sensor IP core

Power Management for Internet of Things (IoT) System on a Chip (SoC) Development

There are many factors that must be considered when developing a custom System on a Chip (SoC) for Internet of Things (IoT) applications. Chief among these are the power management circuits on the die. Vidatronic offers this white paper to discuss these considerations and all of the various circuit blocks that can be found in this application. Vidatronic IP solutions are discussed and the benefits they bring to IoT SoC designers.

Smart Transit Solution

Surveillance and security has become increasingly important during modern days for government/law enforcement, public or private transit authorities and for the fleet management. To monitor or investigate accidental damage, theft, harassment or left packages, producing/collecting evidences and analyze the occurrence of situation is challenge. This white paper describes how smart transit solution can generate evidences and help in analyze the situation of an incident. Smart transit solution improves profitability by enabling batter safety, security and service.

Context Based Clock Gating Technique For Low Power Designs of IoT Applications - A DesignWare IP Case Study

This paper discusses about the intelligent low power techniques such as context based clock gating and how they are useful for IoT applications. It also describes how it improves the overall power efficiency of the system. The power statistics shared shows how the overall idle power and functional power consumption is significantly reduced. Further we discuss about how it can be combined with few other low power techniques to reduce the overall power

Custom ASICs for Internet of Industrial Things (IoIT)

This white paper commences with an overview of the IoIT (Internet of Industrial Things) opportunity, the market drivers, and how the semiconductor industry is responding to this need. We then include an example of a customisable SoC intended for use in various industrial applications where low power consumption, remote deployment, reduced production costs and short time-to-market are vital.

Frequently asked questions about Temperature Sensor IP cores

What is Reference current and voltage source with temperature sensor?

Reference current and voltage source with temperature sensor is a Temperature Sensor IP core from NTLab listed on Semi IP Hub. It is listed with support for tsmc Silicon Proven.

How should engineers evaluate this Temperature Sensor?

Engineers should review the overview, key features, supported foundries and nodes, maturity, deliverables, and provider information before shortlisting this Temperature Sensor IP.

Can this semiconductor IP be compared with similar products?

Yes. Buyers can compare this product with similar semiconductor IP cores or IP families based on category, provider, process options, and structured technical specifications.

×
Semiconductor IP